Thursday, April 25th, 2019 AT 3:49 AM
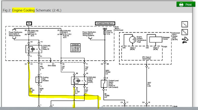
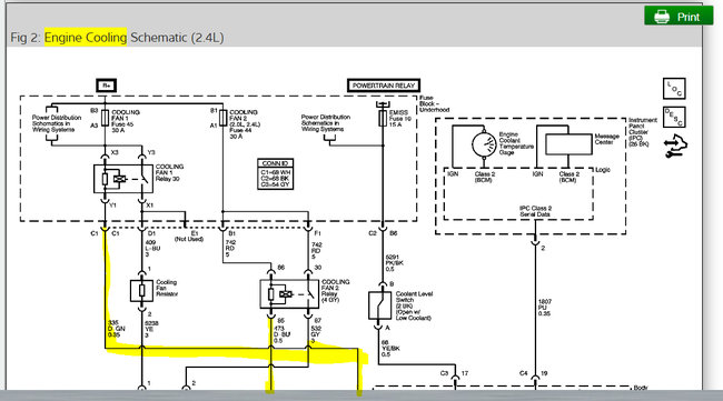
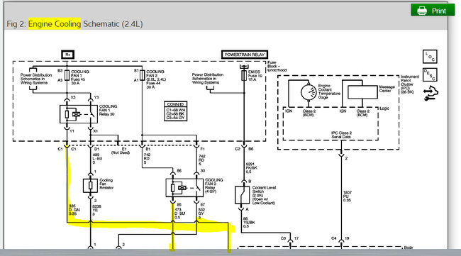
My fan turns on within thirty seconds after starting and stays running until I turn off. Also the temperature gauge always reads cold. I changed the temperature sensor and the problem was fixed for about a day, then the issue returned. I replaced the sensor again and still having the issue. I checked the relay switches in the fuse box but no issues there. Any advice on troubleshooting my issue will be appreciated.






