I need to program motor to run with just throttle

Tiny
DAVID GRATREAK
  • MEMBER
  • 1994 GMC SONOMA
  • 4.3L
  • V6
  • 2WD
  • AUTOMATIC
  • 150,000 MILES
I have rebuilt motor and put it in my 1940 Ford I need to program motor to run with just throttle.
Thursday, February 4th, 2021 AT 2:29 PM

1 Reply

Tiny
ASEMASTER6371
  • MECHANIC
  • 52,796 POSTS
Good evening,

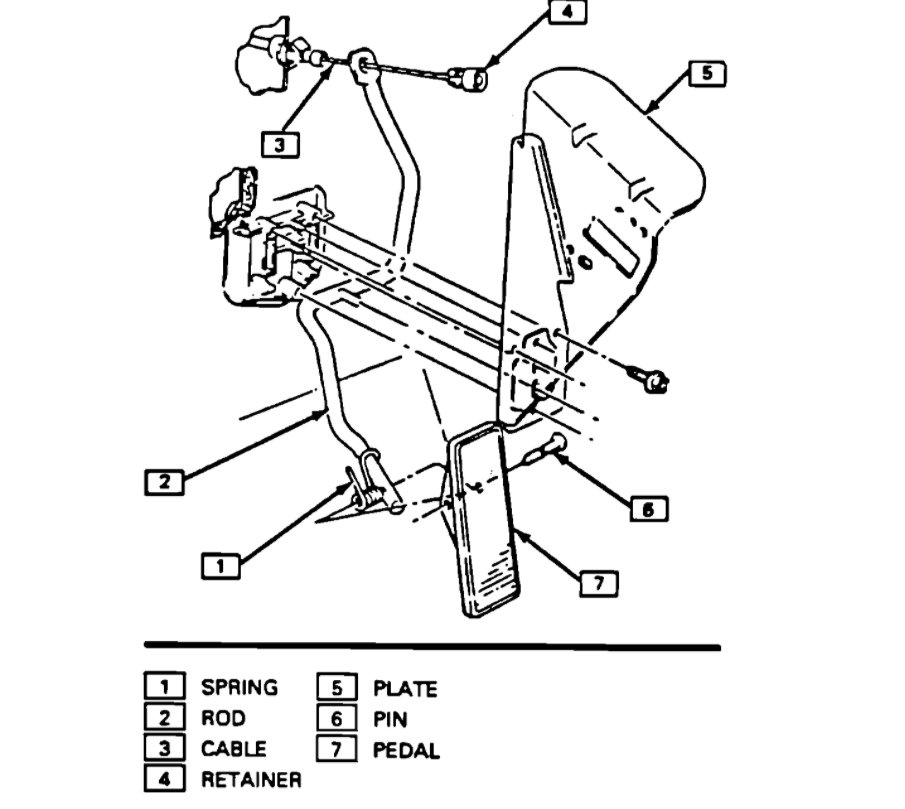
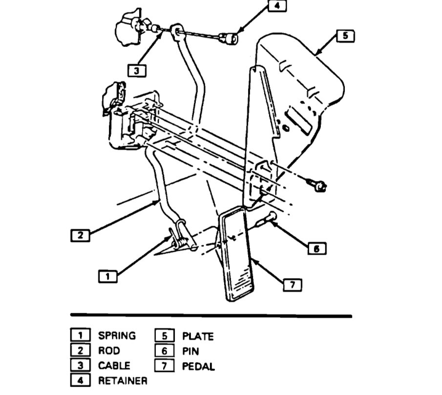
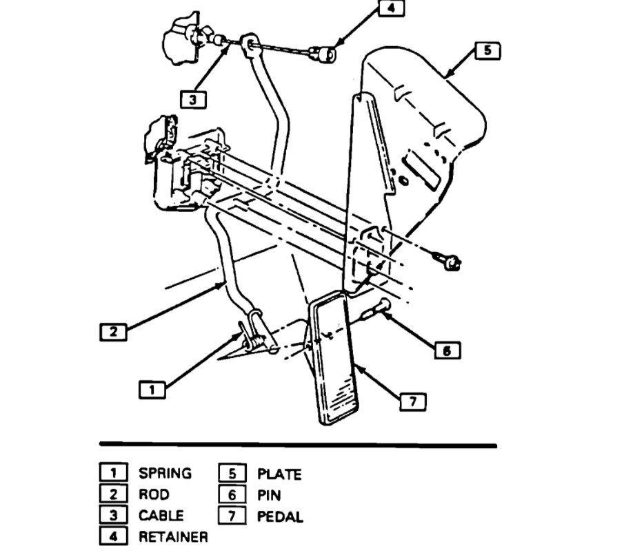
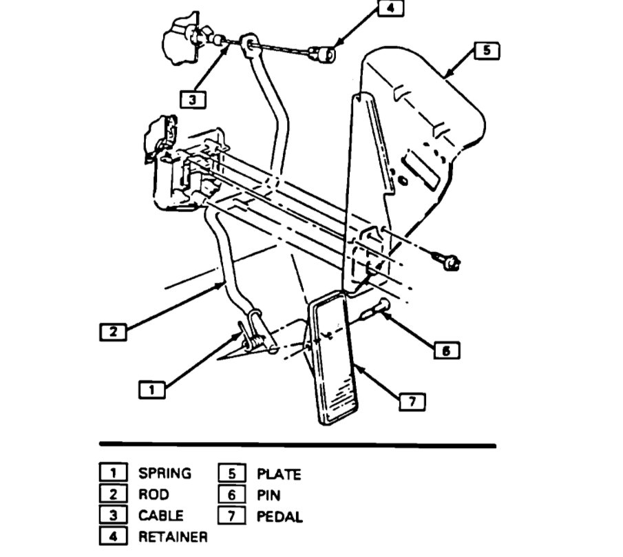
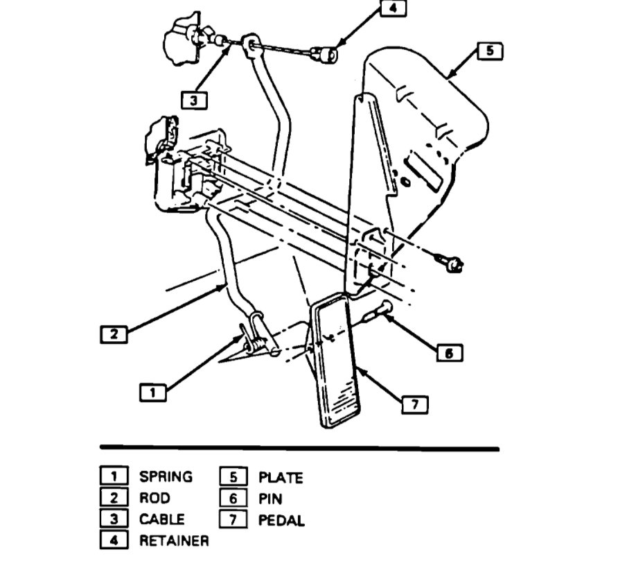
I attached a picture for you. 1994 had a throttle cable. All you need to do is install the cable and there is no programming needed. Check out the diagrams (below). Please let us know if you need anything else to get the problem fixed.

Roy
Was this
answer
helpful?
Yes
No
Thursday, February 4th, 2021 AT 3:44 PM

Please login or register to post a reply.