Compressor not functioning

Tiny
BLESSING EWOBOR
  • MEMBER
  • 2002 LEXUS RX 300
  • 6 CYL
  • 2WD
  • AUTOMATIC
  • 204,323 MILES
Good morning, the vehicle compressor is not functioning and the light on the A/C button is blinking. There is refrigerant in the system. What could be the cause of the light blinking?
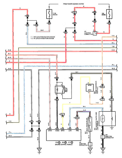
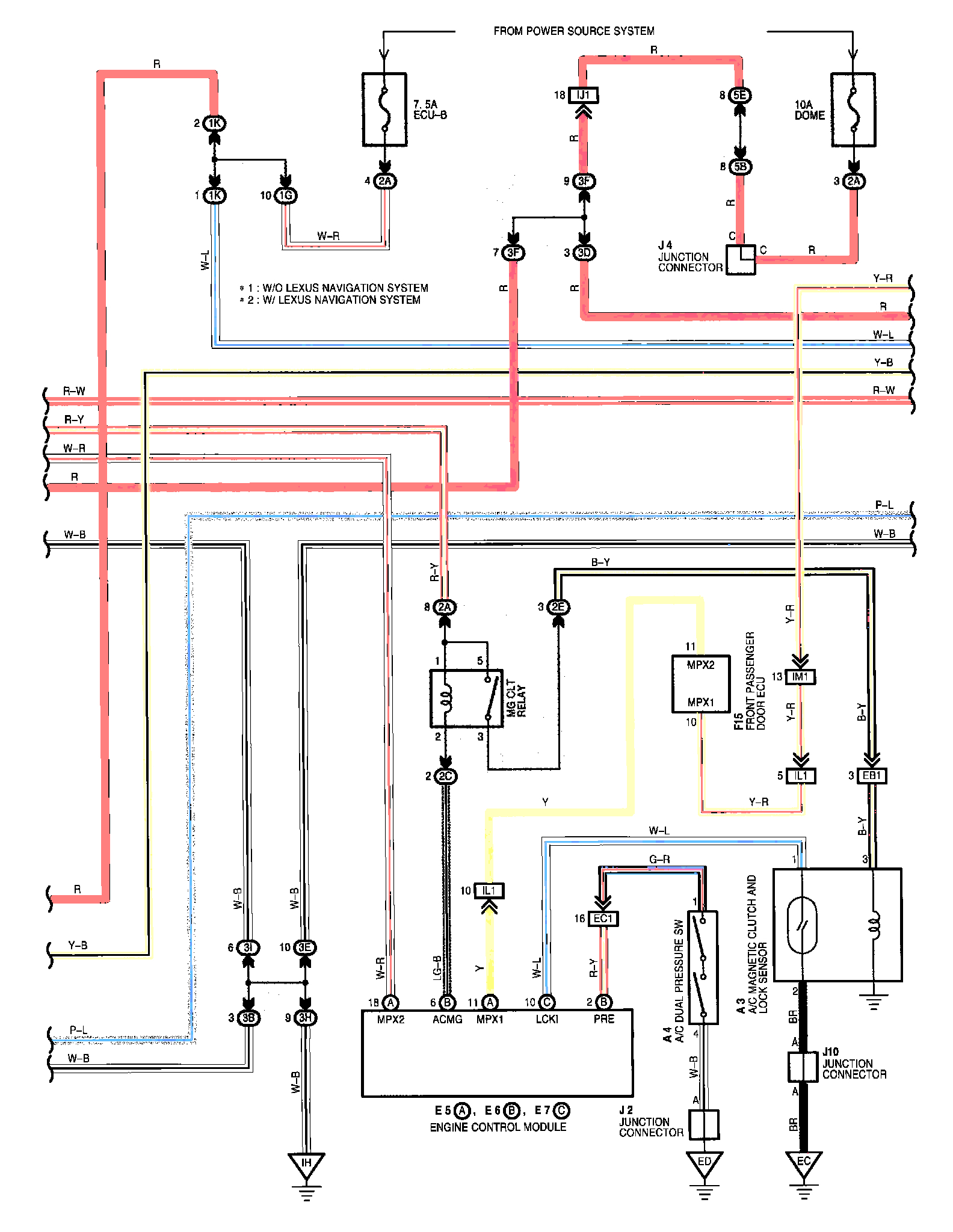
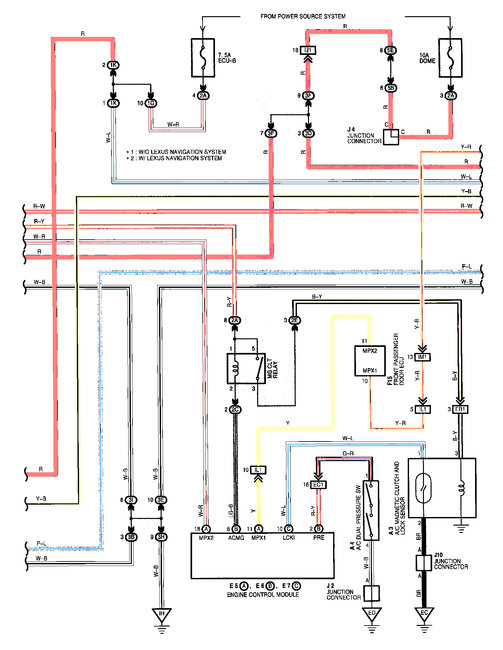
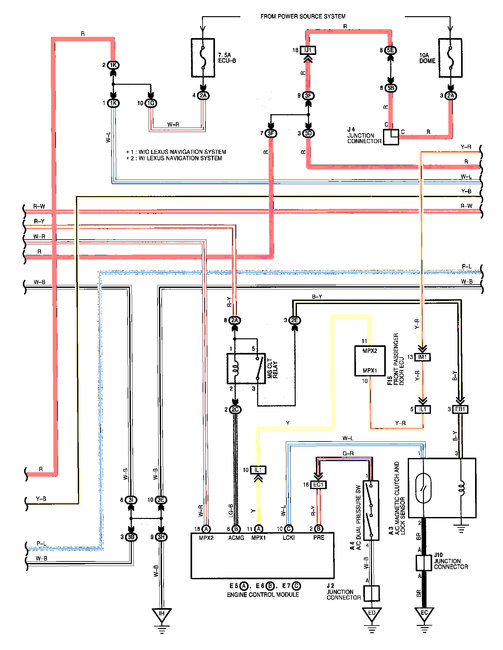
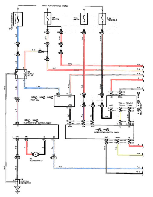
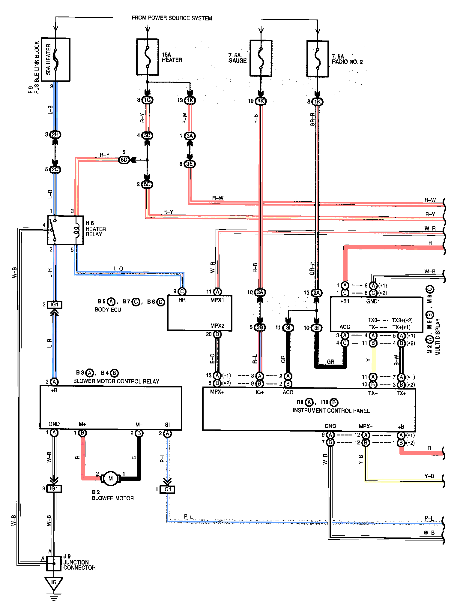
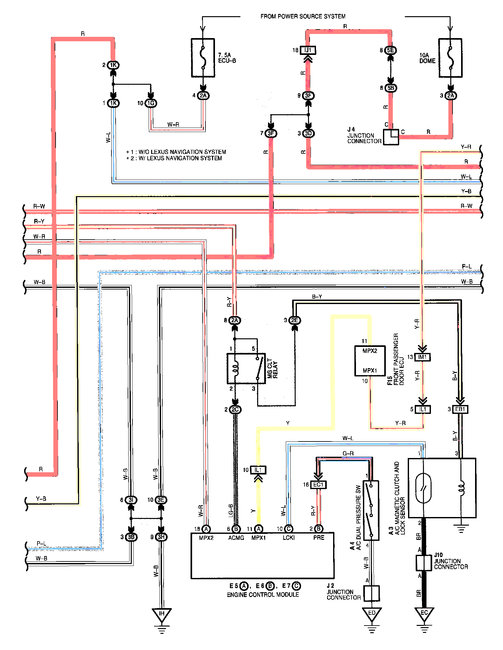
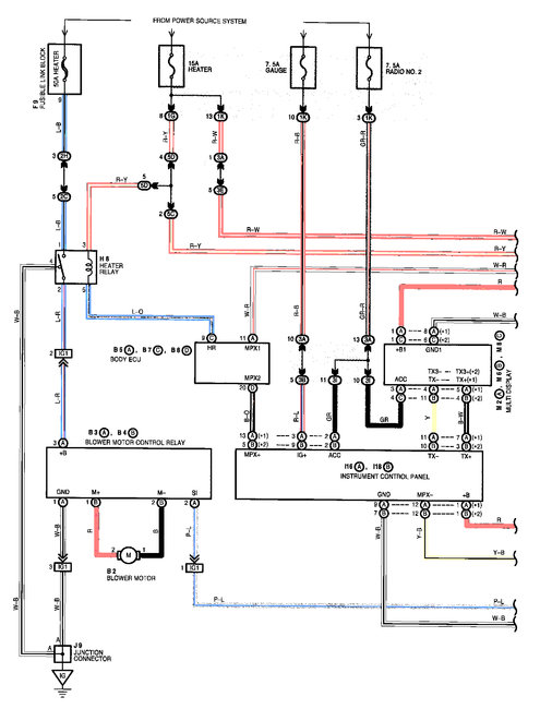
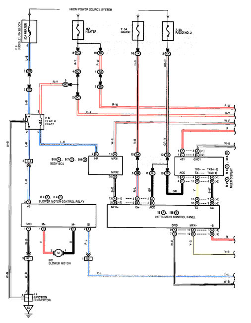
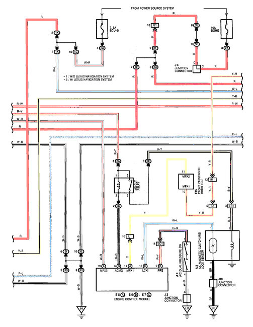
Could I have circuit diagram for this?
Friday, October 9th, 2020 AT 8:39 PM

2 Replies

Tiny
JIS001
  • MECHANIC
  • 3,412 POSTS
First thing you need to check is the 15A heater fuse located under the left driver side. If the fuse is good then try swapping out/replacing the MGT relay located in the engine compartment fuse box.

If all those checks does not resolve the issue then check for battery voltage at the black wire with yellow stripe at the compressor. If you have power then your compressor could be the defective part. I would also recommend you scan your vehicle for codes. If there is an issue, the engine control module will store a code. Keep us posted on those checks and if you need further assistance.
Was this
answer
helpful?
Yes
No
Friday, October 9th, 2020 AT 10:04 PM
Tiny
BLESSING EWOBOR
  • MEMBER
  • 754 POSTS
Thank you.
Was this
answer
helpful?
Yes
No
Saturday, October 10th, 2020 AT 7:03 PM

Please login or register to post a reply.