Friday, September 4th, 2020 AT 11:48 PM
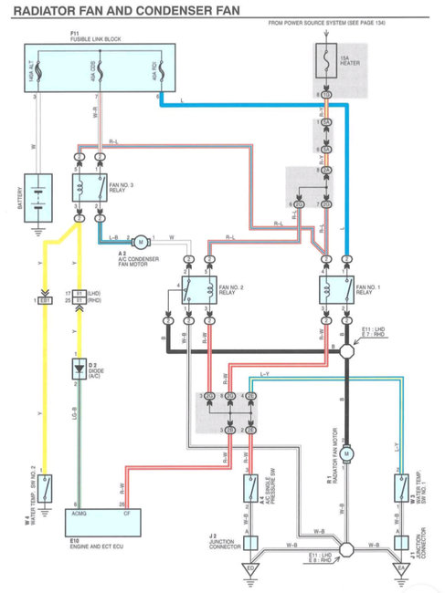
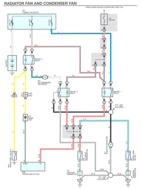
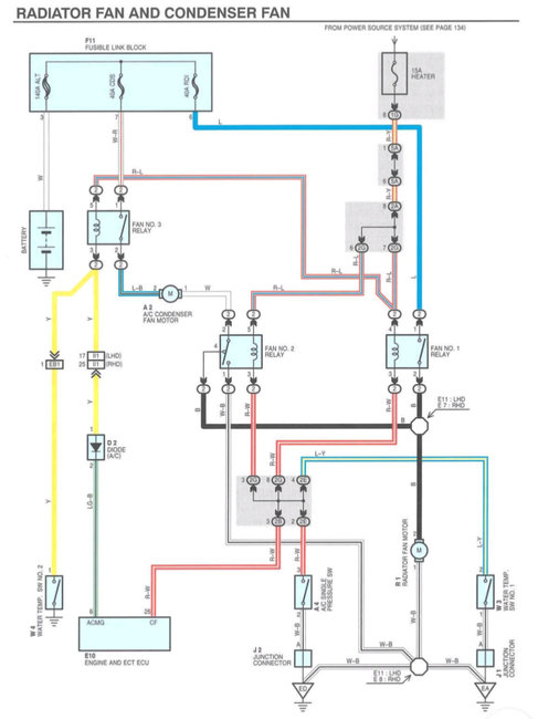
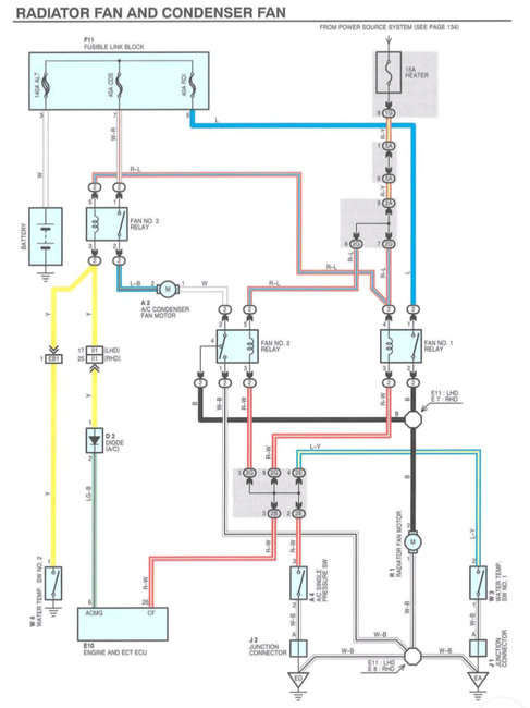
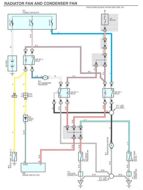
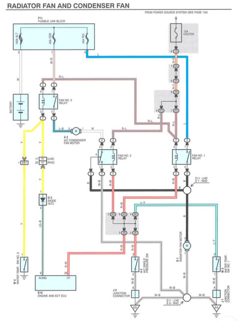
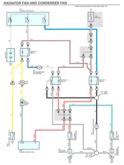
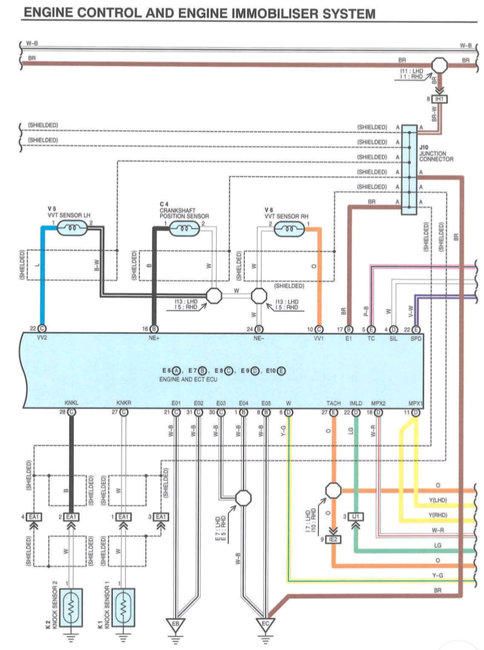
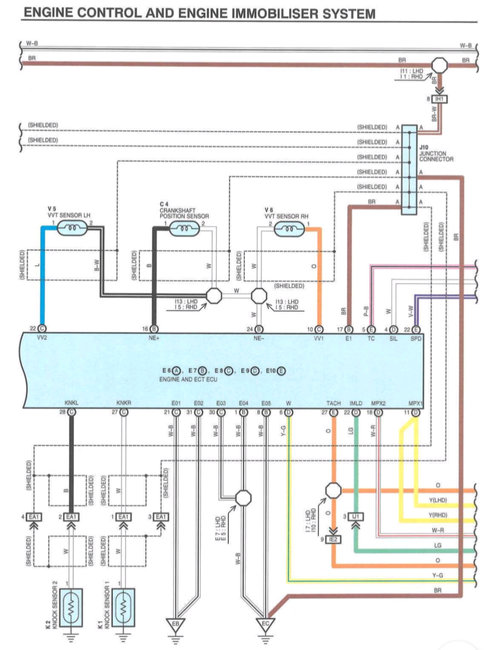
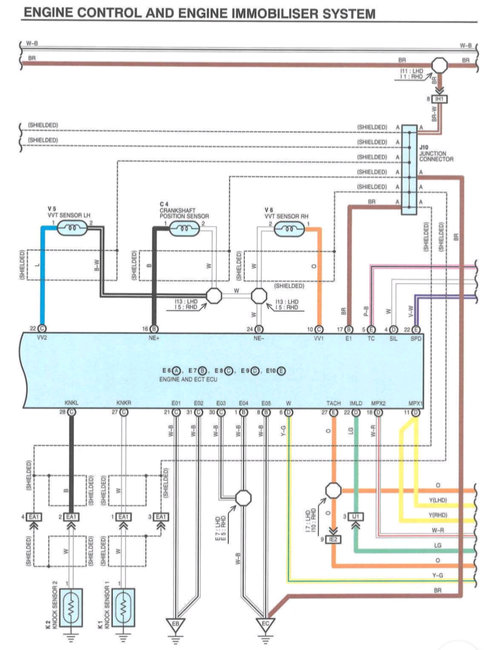
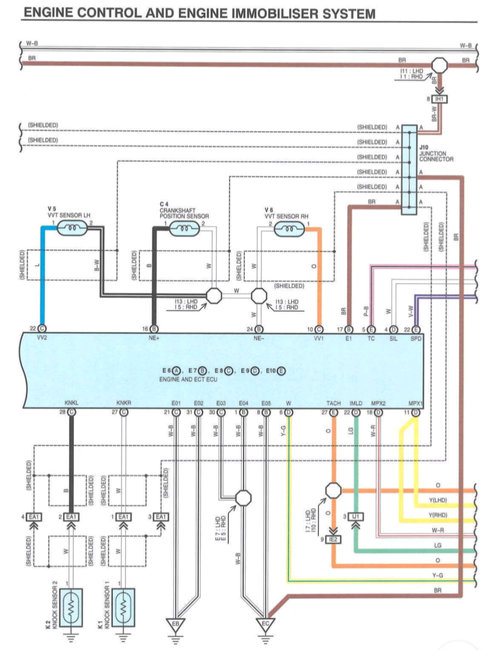
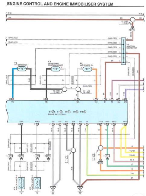
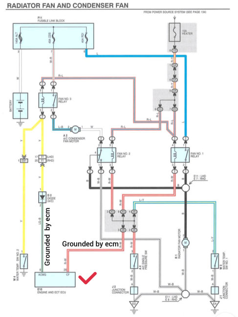
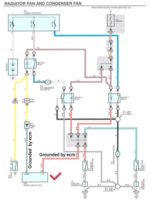
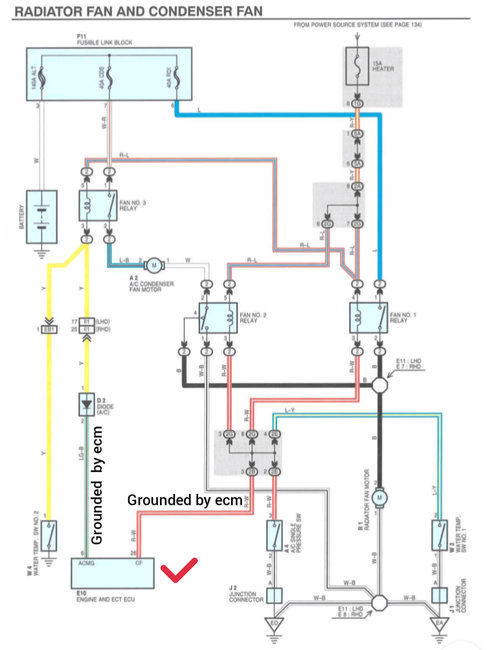
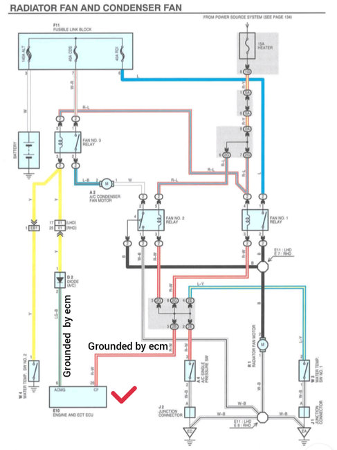
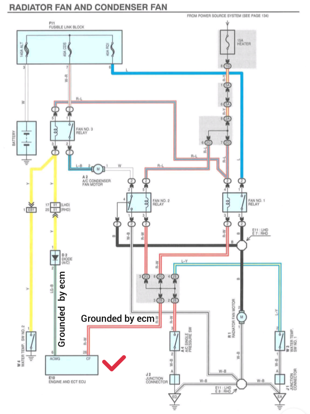
Hi, I am working with the vehicle listed above. The compressor fan runs on its own without the engine on or compressor engaged. When the key is turned to "run" position, without the engine running and not engaging the compressor, the compressor fan starts to run. I have tested the necessary fuse and relay, if there is any short to ground or power, they are all working properly. What could be the cause? I don't know if I can get the circuit diagram, the compressor fan only stops working when I disconnected it as shown below.





