Saturday, August 10th, 2019 AT 2:25 PM
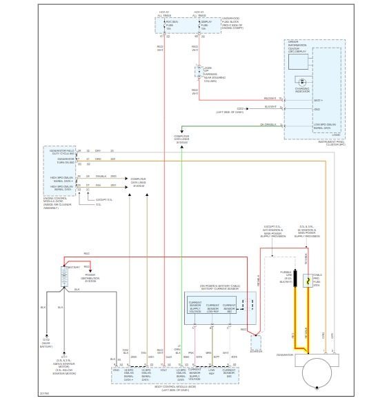
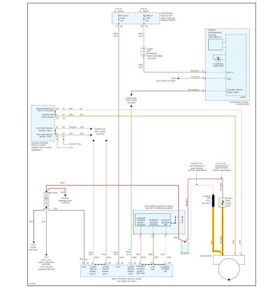
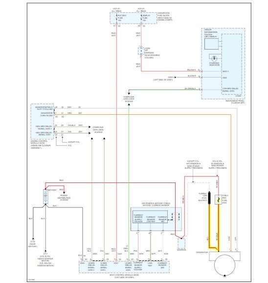
I brought a new battery, alternator, starter, spark plugs, and water pump but my battery light still comes on and shuts off after 5 minutes of driving. AutoZone gave me the codes C0040, C0899, and P0528.






