Code 51a6?

2009 BMW 550I
119,000 MILES • V8 • 2WD • AUTOMATIC
Avatar
BHAMDOC1973
  • MEMBER
  • 2,007 POSTS
Seems like it is in one gear only. Sometimes shifts off while running and harder to start 2nd time.
Jan 10, 2023 at 4:35 PM
Advertisement
Repair Safety Notice: This information is for general instructional purposes only. Vehicle repair can be dangerous. Verify all information, follow manufacturer service procedures, use proper tools and safety equipment, and consult a qualified repair shop when needed.
Avatar
BORIS K
  • AUTOMOTIVE REPAIR CONTRIBUTOR
  • 836 POSTS
Hello,

Code 51A6 is a transmission control module-engine control module communication issue.
Usually, a bad or missing signal from the engine control module.
This can be caused by a bad crankshaft position sensor or damaged/corroded wiring.

The sensor is located on the bottom right of the transmission housing, see image below.
Suggest inspecting the wiring and connector to the sensor first.

Cheers, Boris
Jan 11, 2023 at 1:53 AM
Avatar
BHAMDOC1973
  • MEMBER
  • 2,007 POSTS
Changed CPS, but it is showing these codes.
Jan 16, 2023 at 1:35 PM
Advertisement
Avatar
BHAMDOC1973
  • MEMBER
  • 2,007 POSTS
More.
Jan 16, 2023 at 1:38 PM
Avatar
BORIS K
  • AUTOMOTIVE REPAIR CONTRIBUTOR
  • 836 POSTS
Hello,

Looking at the fault codes you still report a crankshaft sensor fault.
Are you sure that you replaced the correct sensor at the transmission housing?
You report replacing the CPS sensor, which is a camshaft position sensor.
See image below for the location of the CKP sensor.

The intelligent battery sensor is located at the negative terminal of the battery.
This sensor can also cause no start no crank issues.

See good video:
https://youtu.be/vl7BkzQBgHY

Cheers, Boris
Jan 17, 2023 at 2:13 AM
Advertisement
Avatar
BHAMDOC1973
  • MEMBER
  • 2,007 POSTS
Yes, i replaced the crank one by the transmission housing. Not OEM. Let me check the intelligent sensor.
Jan 17, 2023 at 5:12 AM
Avatar
BHAMDOC1973
  • MEMBER
  • 2,007 POSTS
Also, there is an aftermarket filter that is not installed properly, but the MAF is still in place, i would think regardless of connecting this tube it should run okay.
Jan 17, 2023 at 7:00 AM
Avatar
BHAMDOC1973
  • MEMBER
  • 2,007 POSTS
There is also some water on driver side floor that i noticed, is it possible something on the inside is shorting and causing this mess backward?
Jan 17, 2023 at 7:08 AM
Avatar
BORIS K
  • AUTOMOTIVE REPAIR CONTRIBUTOR
  • 836 POSTS
Hello,

This contraption of intake system should not cause starting or idling issues but keep in mind that this will cause contamination of the MAF sensor and the obvious dirt ingress into the engine.

I would certainly strip the carpet back and check any surrounding wiring, connectors and modules for possible corrosion.

Cheers, Boris
Jan 17, 2023 at 7:15 AM
Avatar
BHAMDOC1973
  • MEMBER
  • 2,007 POSTS
Cleaned out MAF and it started much better, RPM steady.
Jan 17, 2023 at 7:22 AM
Avatar
BHAMDOC1973
  • MEMBER
  • 2,007 POSTS
Still some codes, with the scan er still shows in limp mode Nd 3rd gear.
Jan 17, 2023 at 9:24 AM
Avatar
BHAMDOC1973
  • MEMBER
  • 2,007 POSTS
Can you check if this car has a fuse for the crank shaft position sensor? Also, i read some forums stating that their issue was solved after replacing the thermostat.
Jan 17, 2023 at 9:35 AM
Avatar
BHAMDOC1973
  • MEMBER
  • 2,007 POSTS
I checked wires on the crank sensor using a probe, one is ground, one battery voltage and the other just reads 10.3, does not say volts, does not beep or light up. i don't know if this is an issue.
Jan 18, 2023 at 8:27 AM
Avatar
BORIS K
  • AUTOMOTIVE REPAIR CONTRIBUTOR
  • 836 POSTS
Hello,

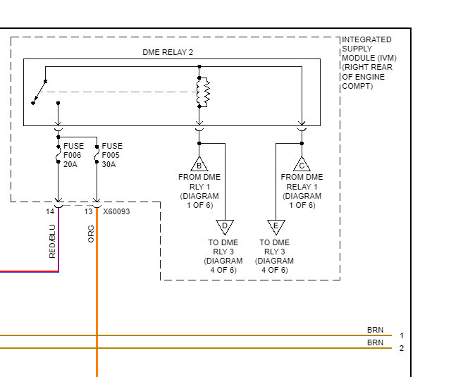
The crankshaft position sensor is supplied with 12V on orange wire from fuse F005(30A), see image 2 below.
The black/white wire is ground.
The yellow/white wire is the signal wire back to the DME pin 27, see image 3 below.
When the crankshaft sensor is disconnected then the DME will send a reverence voltage back up the signal wire.

How to test the sensor:
https://youtu.be/AacxF8dv_Sw

Cheers, Boris
Jan 20, 2023 at 9:21 AM
Avatar
BHAMDOC1973
  • MEMBER
  • 2,007 POSTS
What is a reverence you mean reference? But i have is 10.3 and does not say volts.
Jan 20, 2023 at 9:34 AM
Avatar
BHAMDOC1973
  • MEMBER
  • 2,007 POSTS
I also looked at where the ivm is which also contains the ECM, but could not see any fuses.
Jan 20, 2023 at 9:36 AM
Avatar
BHAMDOC1973
  • MEMBER
  • 2,007 POSTS
But since am getting 12v and ground it should be okay.
Jan 20, 2023 at 9:36 AM
Avatar
BHAMDOC1973
  • MEMBER
  • 2,007 POSTS
A new genuine crank shaft sensor has taken care of the code and it does not stall. Now i have to find a vacuum leak because there is a bit of rpm up/down when you first start it. I only drive it around my driveway and 1st and 2nd shifted so it's out of limp mode but did not shift 3rd not sure why yet.
Jan 21, 2023 at 2:49 PM
Avatar
BORIS K
  • AUTOMOTIVE REPAIR CONTRIBUTOR
  • 836 POSTS
Hello,

The best way of finding a vacuum leak is by using a smoke tester. A lot of people like spraying brake cleaner or carburetor cleaner to try find a leak but this can be hazardous as these liquids are flammable.
See image below regarding a smoke tester .

How to use a smoke tester:
https://youtu.be/LV2Cx41IccU

Cheers, Boris
Jan 23, 2023 at 3:37 AM
Avatar
BHAMDOC1973
  • MEMBER
  • 2,007 POSTS
Does the intelligent sensor have a fuse?
Jan 23, 2023 at 1:51 PM
Avatar
BORIS K
  • AUTOMOTIVE REPAIR CONTRIBUTOR
  • 836 POSTS
Hello,

I have searched a lot of documentation but cannot seem to find a fuse for the power supply for the IBS, intelligent battery sensor.

See image below for the sensor layout.

Cheers, Boris
Jan 24, 2023 at 9:34 AM
Avatar
BHAMDOC1973
  • MEMBER
  • 2,007 POSTS
What goes wrong with these? They fail on the inside?
Jan 24, 2023 at 9:36 AM
Avatar
BORIS K
  • AUTOMOTIVE REPAIR CONTRIBUTOR
  • 836 POSTS
Hello,

Yes, the IBS fails on the inside.

The intelligent battery sensor (IBS) is an intelligent, mechatronic component that monitors the battery condition.
The power supply to the IBS is provided through a separate wire.
For the purpose of data transmission, the IBS is connected to the digital engine electronics (DME) or digital diesel
electronics (DDE) via the bit serial data interface (BSD).
The intelligent battery sensor (IBS) consists of mechanical components, the electronics module and software.
- Mechanical components
The battery terminal with earth cable is the connection to the negative terminal of the battery and serves
· to create an electrical contact to the body
· as the support for the sensor element for current measurements
· as the support for the electronic module
· to provide an adequate thermal contact between the temperature sensor and the negative terminal of the battery
· as protection for the sensitive electronic module
· as an earth connection for the IBS

The mechanical parts are listed in image 1.

Electronic module:
The electronic module has the task of recording the voltage, the current flow and the temperature of the battery. The
following components are housed in the electronic module:
· a shunt (resistance for current measurement)
· a temperature sensor
· an electronic evaluation unit on a board
The board, which is about the size of a fingernail, contains an electronic circuit for evaluating the data measured.
The intelligent battery sensor (IBS) is able to withstand thermal loads of up to 105 °C and the chemical effect of the battery
acid. The IBS thus satisfies the necessary conditions for installation in the engine or luggage compartment.
The components of the shunt are illustrated below in image 2

How it works:
The functions of the intelligent battery sensor (IBS) are:
- To continuously measure battery data in all vehicle operating modes
- To compute battery indicators as basis for battery charge state (SoC: "State of Charge") and battery condition (SoH: State of Health")
- To balance the charge/discharge current of the battery
- To monitor the battery's charge state (SoC) and to activate the electric energy management and power management
for countermeasures if the battery charge state becomes critical (battery's limit of starting capability).
- To identify initial data for calibrating the battery charge state (SoC: "State of Charge")
- To calculate the starting current curve to determine the battery condition (SoH: "State of Health")
- To monitor off-load current
- To transmit data to the higher-order control unit (DME or DDE)
- Self-diagnosis
- To perform fully automatic updates of algorithm parameters and parameters for self-diagnosis via DME / DDE
- To be able to independently "wake up" from sleep mode


Cheers, Boris
Jan 25, 2023 at 2:12 AM
Avatar
BHAMDOC1973
  • MEMBER
  • 2,007 POSTS
Thanks.
Jan 25, 2023 at 5:05 AM