Code 42

Tiny
TRAVIS1989
  • MEMBER
  • 1989 CHEVROLET 2500
  • 5.7L
  • V8
  • 4WD
  • AUTOMATIC
  • 115,000 MILES
I was checking for codes on my truck and got code 42, but also heard the IAC valve buzzing. My truck will start sometimes and run and I'll let it warm up, shut it off and won't start again. The fuel pump comes on about once every 6-7 turns of the key. Does code 42 have something to do with a fuel cutoff relay circuit open or shorted to ground? This all started one day driving to work my truck cut out like it was out of gas so I put gas in it and it didn't start. When it did start it would shut off after 5 minutes or so, I tried driving it home which is about 15 miles and it tried to stall out several times and eventually shut off and had no spark so I changed to ignition control module in distributor and it fired up, so I let it run til it was warm and shut it off and wouldn't start back up.
Monday, May 13th, 2019 AT 11:37 PM

12 Replies

Tiny
ASEMASTER6371
  • MECHANIC
  • 52,796 POSTS
Good morning,

The ignition module is the most common failure for this code but needs to be confirmed.

I attached a flow chart and wiring diagram for you to view to determine the failure.

Roy

Circuit Description:

When the system is running on the Ignition Module, that is, no voltage on the by-pass line, the Ignition Module grounds the EST signal. The ECM expects to see no voltage on the EST line during this condition. If is sees a voltage, it sets Code 42 and will not go into the EST mode.

When the rpm for EST is reached (about 400 rpm), and by-pass voltage applied, the EST should no longer be grounded in the ignition module so the EST voltage should be varying.

If the by-pass line is open or grounded, the Ignition Module will not switch to EST mode so the EST voltage will be low and Code 42 will be set.

If the EST line is grounded, the Ignition Module will switch to EST, but because the line is grounded there will be no EST signal. A Code 42 will be set.

Code 42 sets if there is an open or a short to ground in the EST or by-pass circuit.

Test Description: Numbers below refer to circled numbers on the diagnostic chart.

1. Code 42 means the ECM has seen an open or short to ground in the EST or bypass circuits. This test confirms Code 42 and that the fault causing the code is present.

2. Checks for a normal EST ground path through the ignition module. An EST CKT 423 shorted to ground will also read less than 500 ohms; however, this will be checked later.

3. As the test light voltage touches CKT 424, the module should switch causing the ohmmeter to "overrange" if the meter is in the 100-200 ohm position.

Selecting the 10-20,000 ohms position will indicate above 5000 ohms. The important thing is that the module "switched".

4. The module did not switch and this step checks for:

EST CKT 423 shorted to ground.
Bypass CKT 424 open.
Faulty ignition module connection or module.

5. Confirms that Code 42 is a faulty ECM and not an intermittent in CKTs 423 or 424.

Diagnostic Aids:

The "Scan" tool does not have any ability to help diagnose a Code 42 problem. See Diagnosis By Symptoms - No Trouble Codes Stored.
Was this
answer
helpful?
Yes
No
Tuesday, May 14th, 2019 AT 7:00 AM
Tiny
SCGRANTURISMO
  • MECHANIC
  • 4,897 POSTS
Hello,

I have included the factory troubleshooting guide for Direct Trouble Code (DTC) 42 for your vehicle in the diagrams down below. Please go through the guide and get back to us with that you are able to find out.

Thanks,
Alex
2CarPros
Was this
answer
helpful?
Yes
No
Tuesday, May 14th, 2019 AT 7:08 AM
Tiny
TRAVIS1989
  • MEMBER
  • 16 POSTS
Well I don't have access to an ohm meter but I did look at the wiring from the distributor as far as I could follow it and didn't see any wires broken or melted so I tried starting my truck after I reset the ECM and wouldn't start until I poured a little gas down the throttle body and then it would start and idle but code 42 came on as soon as it started. Is there anything I can check without an ohm meter? And it don't start back up after it's warm until it's cooled down. Any ideas?
Was this
answer
helpful?
Yes
No
Tuesday, May 14th, 2019 AT 6:46 PM
Tiny
ASEMASTER6371
  • MECHANIC
  • 52,796 POSTS
Okay, first, there is no reset for ECM for OBD 1.

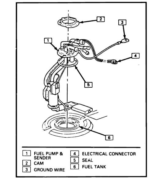
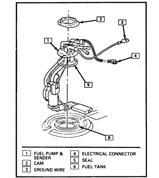
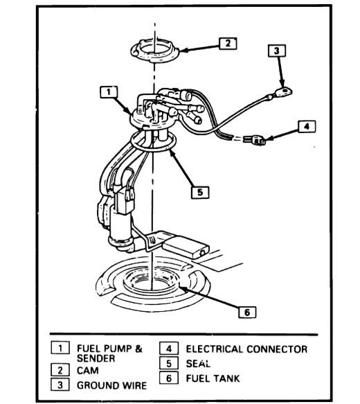
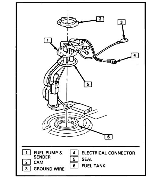
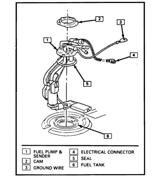
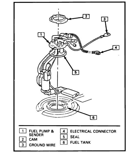
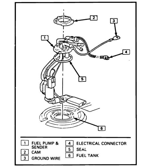
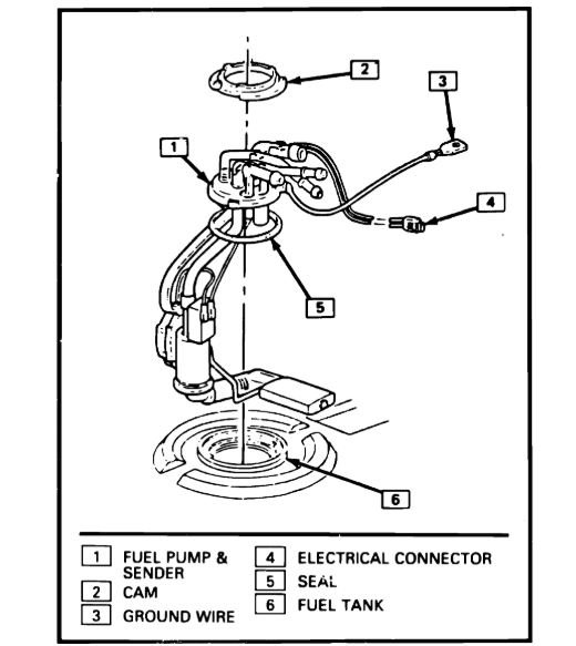
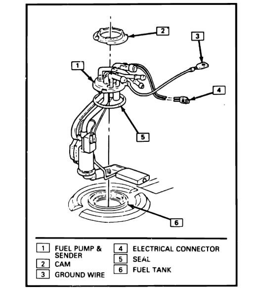
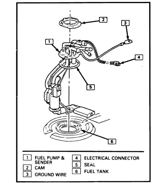
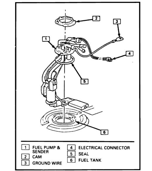
Second, if it fired with fuel in the throttle body, you have a fuel delivery issue as you have spark. I would check the fuel pressure to be sure the pump is working correctly. You can rent a tester at a parts store.

It sounds like you need a fuel pump.

Roy
Was this
answer
helpful?
Yes
No
Tuesday, May 14th, 2019 AT 7:00 PM
Tiny
TRAVIS1989
  • MEMBER
  • 16 POSTS
So I got a hold of an ohm meter now. But when it says to disconnect ECM connections, what connections are they referring to?
Was this
answer
helpful?
Yes
No
Thursday, May 16th, 2019 AT 5:07 AM
Tiny
ASEMASTER6371
  • MECHANIC
  • 52,796 POSTS
Both of them.

Roy
Was this
answer
helpful?
Yes
No
Thursday, May 16th, 2019 AT 6:25 AM
Tiny
TRAVIS1989
  • MEMBER
  • 16 POSTS
The wires that plug into the distributor or the computer?
Was this
answer
helpful?
Yes
No
Thursday, May 16th, 2019 AT 7:18 AM
Tiny
ASEMASTER6371
  • MECHANIC
  • 52,796 POSTS
The ECM as you stated.

Roy
Was this
answer
helpful?
Yes
No
Thursday, May 16th, 2019 AT 7:20 AM
Tiny
TRAVIS1989
  • MEMBER
  • 16 POSTS
Just so I'm clear on this, the ECM is the computer behind the glove box? And do I unplug the big plug in on it?
Was this
answer
helpful?
Yes
No
Thursday, May 16th, 2019 AT 9:40 AM
Tiny
ASEMASTER6371
  • MECHANIC
  • 52,796 POSTS
That is correct.

Roy
Was this
answer
helpful?
Yes
No
Thursday, May 16th, 2019 AT 10:38 AM
Tiny
TRAVIS1989
  • MEMBER
  • 16 POSTS
I changed the ICM in the distributor and changed the fuel pump and it started up and no codes came on. I just have to test drive it and make sure it's good to go.
Was this
answer
helpful?
Yes
No
Friday, May 17th, 2019 AT 4:47 PM
Tiny
ASEMASTER6371
  • MECHANIC
  • 52,796 POSTS
God deal. The module was most likely the reason for the code.

Roy
Was this
answer
helpful?
Yes
No
Friday, May 17th, 2019 AT 4:52 PM

Please login or register to post a reply.