HOME
ASK A QUESTION
REPAIR GUIDES
BECOME A MEMBER
LOG IN
Login with Facebook
OR
Remember me
NOT A MEMBER?
FORGOT PASSWORD?
CONTACT US
PRIVACY POLICY
TERMS AND CONDITIONS
☰
Home
Chrysler
Town and Country
Engine Cooling
Thermostat
Thermostat replacement
DAGWOOD
MEMBER
1997 CHRYSLER TOWN AND COUNTRY
Engine Cooling problem 6 cyl Front Wheel Drive Automatic 196000 miles
How do I replace the thermostat? I love this site.
Friday, June 19th, 2009 AT 5:15 AM
1 Reply
KEN L
MASTER CERTIFIED MECHANIC
55,030 POSTS
Hello,
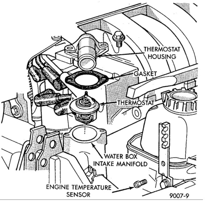
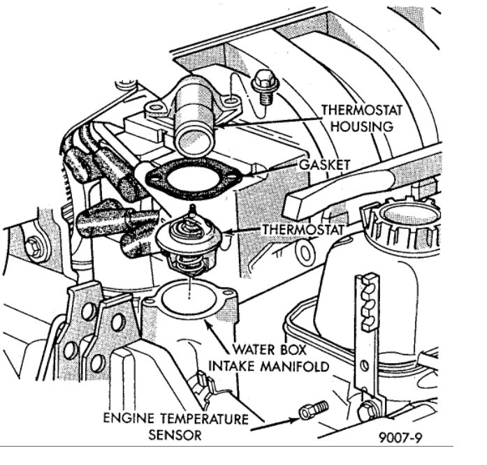
You can start by draining the coolant out of the craduator. Here is a guide that will give you an idea of what you will be in for when doing the job.
https://www.2carpros.com/articles/replace-thermostat
(Check out the diagram below)
Please let us know if you need anything else to get the problem fixed.
Cheers, Ken
Image (Click to make bigger)
Was this
answer
helpful?
Yes
No
Thursday, November 16th, 2017 AT 11:53 AM
Please
login
or
register
to post a reply.
Related Thermostat Content
2002 Chrysler Town And Country Thermostat
Engine Temperature Gage Stays At Zero When Running At Highway Speeds And Heater Barley Warms Up. When Parked With Engine Running The Temp...
Asked by
herrnoel
·
1 ANSWER
2002
CHRYSLER TOWN AND COUNTRY
VIDEO
Thermostat Replacement Chrysler
Instructional repair video
GUIDE
Thermostat
The thermostat is located on the engine either at the inlet or outlet radiator hose connections and is part of the cooling system, this unit is designed to stop the flow of...
2002 Chrysler Town And Country Thermostat
Looking For Location And How To Ckeck The Thermostat.
Asked by
fenny767
·
1 ANSWER
2002
CHRYSLER TOWN AND COUNTRY
2001 Chrysler Town And Country Low Heat
At Idle With A Warm Engine And Fan On Medium The Heat Feels Warm And A Little Better In Recirc Mode. With Fan On High The Heat Drops And...
Asked by
s7falcon
·
3 ANSWERS
2001
CHRYSLER TOWN AND COUNTRY
Radiator Flush
Enter Your Question. Tried To Flush The Radiator Om My 1997 Chrysler Town And Country, But Can't Find The Peacock, Help?
Asked by
dvferb
·
1 ANSWER
1997
CHRYSLER TOWN AND COUNTRY
Leaking Antifreeze?
My Van Is Leaking Antifreeze From The Right Side Of My Car; Could It Be The Hoses Or The Waterpump? If It Is The Waterpump How Do I Change?...
Asked by
monieluv
·
35 ANSWERS
2007
CHRYSLER TOWN AND COUNTRY
VIEW MORE
Ask a Car Question. It's Free!
Thermostat Replacement
Thermostat Replacement Chrysler
Thermostat Replacement Mercedes Benz C230