Hello .. thanks for the donation .. much appreciated
Hope this helps
REMOVAL
Open hood, disconnect and isolate the battery negative cable.
Remove the two headlamp unit retaining screws (Fig. 23 ).
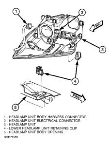
Gently pull headlamp unit forward, unsnapping it from the lower retaining clip (Fig. 24 ). Be careful not to damage lower retaining clip upon removal.
Disconnect the headlamp unit electrical connector (Fig. 24 ).
Transfer the lamps to the new headlamp unit if replacing.
INSTALLATION
Transfer the lamps to the new headlamp unit if replacing.
Connect the headlamp unit electrical connector (Fig. 24 ).
Gently place the headlamp unit into the body opening. Make sure the lower retaining clip is placed on the retaining bar on the bottom of the headlamp unit (Fig. 24 ). Be careful not to damage lower retaining clip upon installation.
Install the two headlamp unit retaining screws (Fig. 23 ).
Connect the battery negative cable.
Verify vehicle and system operation.
Close hood.
Fig. 23: Identifying Components Of Headlamp Unit Mounting

Fig. 24: Identifying Components Of Headlamp Unit Lower Attachment

Saturday, January 31st, 2009 AT 1:27 PM