Wheel Bearing/Hub Replacement - Front
Tools Required:
J 28733-B Front Hub Spindle Remover
Removal Procedure:
Raise and support the vehicle. Refer to Vehicle Lifting.
Remove the tire and wheel.

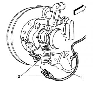
Disconnect the wheel speed sensor electrical connector (2).

Remove the wheel speed sensor electrical connector from the bracket.
Remove the brake caliper bracket with the brake caliper.
Remove the brake rotor.
Remove the wheel drive shaft nut.

Use three wheel nuts in order to attach the J 28733-B to the wheel bearing/hub.
Use the J 28733-B in order to push the wheel drive shaft out of the wheel bearing/hub.

Remove and DISCARD the wheel bearing/hub bolts.
Important: Ensure that the wheel drive shaft outer seal boot is not damaged.
Remove the wheel bearing/hub.
Installation Procedure

Install the wheel bearing/hub.
Caution: These fasteners MUST be replaced with new fasteners anytime they become loose or are removed. Failure to replace these fasteners after they become loose or are removed may cause loss of vehicle control and personal injury.
Notice: Refer to Fastener Notice.
Install NEW wheel bearing/hub bolts.
Tighten the NEW wheel bearing/hub bolts to 130 N.m (96 lb ft).
Install the wheel drive shaft nut.
Install the brake rotor.
Install the brake caliper bracket with the brake caliper.

Important: Ensure that the connector clip engages the bracket properly.
Install the wheel speed sensor electrical connector to the bracket.

Connect the wheel speed sensor electrical connector (2).
Install the tire and wheel.
Lower the vehicle.
https://www.2carpros.com/kpages/auto_repair_manuals_alldata.htm
Wednesday, September 29th, 2010 AT 9:22 PM