Monday, August 17th, 2009 AT 6:19 PM
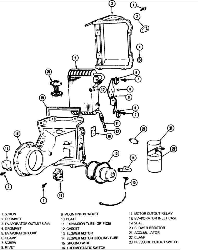
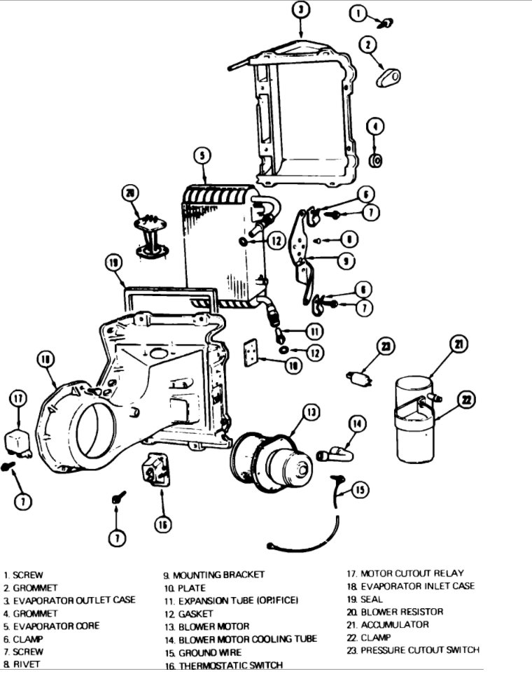
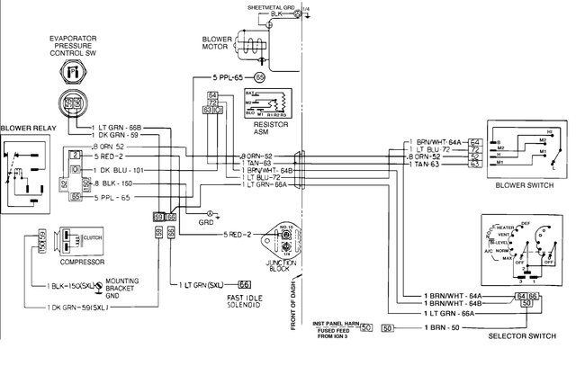
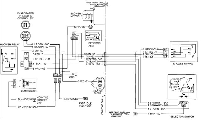
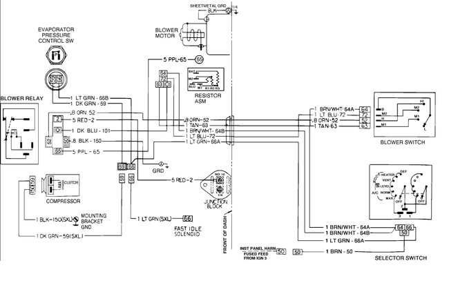
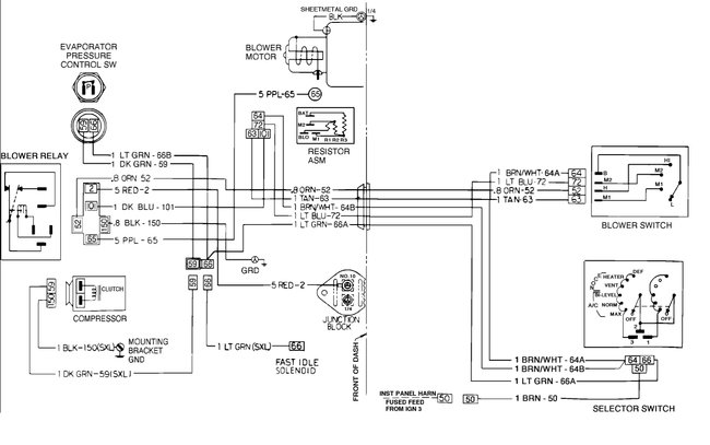
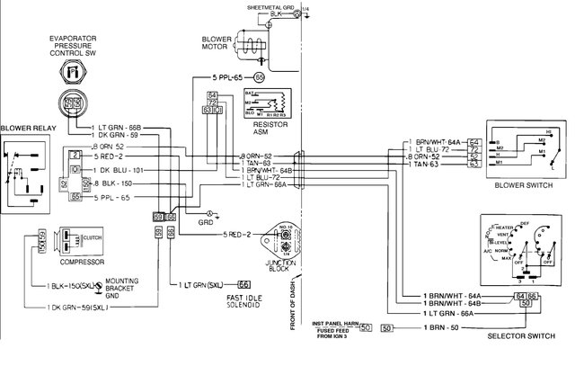
Hello great web site. I have a 85 chevy scottsdale. When I turn on the switch to operate the heater or a/c it only works on high. I replaced the blower and the switch in the cab. What else would cause the fan to blow only on high and not on low or medium. Thanks for your help scott





