Water pump location for removal

Tiny
TRACYT33
  • MEMBER
  • 2004 CHEVROLET TRAILBLAZER
How do I remove the water pump on the vehicle listed above? I don't know where it is located.
It is a 2004 with a V6.
Wednesday, February 21st, 2007 AT 2:55 PM

4 Replies

Tiny
CHEVY22
  • MECHANIC
  • 1,375 POSTS
Just want to clarify the engine size?
Was this
answer
helpful?
Yes
No
Thursday, February 22nd, 2007 AT 6:50 PM
Tiny
TRACYT33
  • MEMBER
  • 2 POSTS
It is a v-6 I believe a 4.3 liter.
Was this
answer
helpful?
Yes
No
Thursday, February 22nd, 2007 AT 9:04 PM
Tiny
CHEVY22
  • MECHANIC
  • 1,375 POSTS
Okay, they are easy. You have to remove the fan shroud, 4 bolts two on each side halfway down the outside of the shroud, remove the belt, the fan which can come off in one piece don't worry about taking the fan off of the water pump pulley just remove the whole pulley, 4 bolts on the water pump and you are done.
Was this
answer
helpful?
Yes
No
+1
Thursday, February 22nd, 2007 AT 9:22 PM
Tiny
JACOBANDNICKOLAS
  • MECHANIC
  • 110,192 POSTS
Hi,

On this vehicle, it isn't too bad to replace the pump. It's located on the front of the engine. Here are the directions specific to your vehicle. The attached pictures correlate with the directions. Additionally, the torque specs are included in the directions.

_________________________

2004 Chevy Truck TrailBlazer 4WD L6-4.2L VIN S
Water Pump Replacement
Vehicle Engine, Cooling and Exhaust Engine Water Pump Service and Repair Removal and Replacement Water Pump Replacement
WATER PUMP REPLACEMENT
Water Pump Replacement

Tool Required
J 41240 Fan Clutch Wrench

Removal Procedure

pic 1

1. Drain the coolant.
2. Remove the fan and shroud.
3. Remove the drive belt.
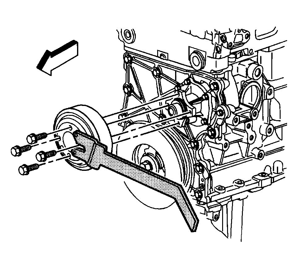
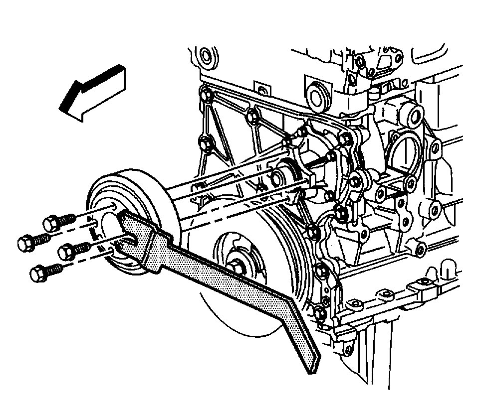
4. Using the J 41240, secure the water pump pulley and remove the water pump pulley bolts.
5. Remove the J 41240.
6. Remove the water pump pulley.

Pic 2

7. Loosen and remove the water pump bolts.
8. Remove the water pump.
9. Clean and inspect the water pump.
10. Discard and replace the gasket.

Installation Procedure

pic 3

1. Install a new water pump gasket.

Notice: Refer to Fastener Notice in Service Precautions.

2. Install the water pump and secure the water pump with the bolts.
Tighten
On the initial pass, tighten the bolts to 4 Nm (35 inch lbs.).
On the final pass, tighten the bolts to 10 Nm (89 inch lbs.).

Pic 4

3. Install the water pump pulley.
4. Install the water pump pulley bolts.
5. Using the J 41240, secure the water pump pulley while tightening the water pump pulley bolts.
Tighten the bolts to 25 Nm (18 ft. Lbs.).
6. Remove the J 41240.
7. Install the drive belt.
8. Install the fan and the shroud.
9. Fill the cooling system with the specified coolant and concentration.
10. Inspect for leaks.

_________________________

Let me know if this helps or if you have other questions.

Take care,
Joe
Was this
answer
helpful?
Yes
No
Wednesday, March 25th, 2020 AT 11:44 PM

Please login or register to post a reply.