2004 Chevy Tahoe PO179

Tiny
PACO4111
  • MEMBER
  • 2004 CHEVROLET TAHOE
  • V8
  • 4WD
  • AUTOMATIC
  • 71,000 MILES
5.3 e85

Check engine light (po179)comes on intermittently, but stays on longer at times. I cant find anything on how to diagnose this code(FUEL COMPOSITION SENSOR). Where is this sensor located.
Friday, April 9th, 2010 AT 7:13 AM

1 Reply

Tiny
DOCFIXIT
  • MECHANIC
  • 18,828 POSTS
Hi
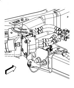
FCS measures amount of ethanol in fuel. Must have a diagnostic scan tool to diagnose so trip to shop is needed. Located on frame need to remove transfere cover shield to acess.


https://www.2carpros.com/forum/automotive_pictures/198357_Graphic_441.jpg


Hope this helps
Thanks for donate
Was this
answer
helpful?
Yes
No
Friday, April 9th, 2010 AT 8:38 AM

Please login or register to post a reply.