2002 Chevy Silverado fan switch

Tiny
GENE_P
  • MEMBER
  • 2002 CHEVROLET SILVERADO
  • V8
  • 4WD
  • AUTOMATIC
  • 120,000 MILES
My fan switch only works in the 4th position is it the switch or the motor how do I test it?
Wednesday, December 5th, 2007 AT 11:44 PM

1 Reply

Tiny
RASMATAZ
  • MECHANIC
  • 75,992 POSTS
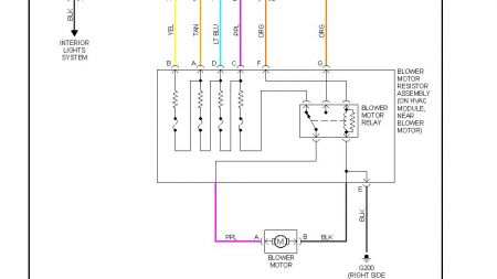
If it works only in 4th, you need to check the blower motor resistor is on the heating/ventilating/airconditioning module near blower motor.

The purple wire at blower motor should have battery voltage-if it does the blower motor is defective. If not backtrack it to the control switch see below.


http://www.2carpros.com/forum/automotive_pictures/12900_blower_1.jpg




http://www.2carpros.com/forum/automotive_pictures/12900_Blower_relay_1.jpg



Let me know if further assistance is needed
Was this
answer
helpful?
Yes
No
Thursday, December 6th, 2007 AT 12:26 AM

Please login or register to post a reply.