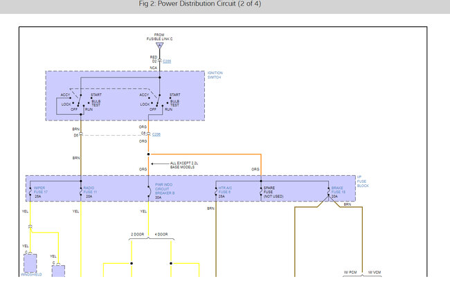
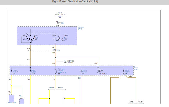
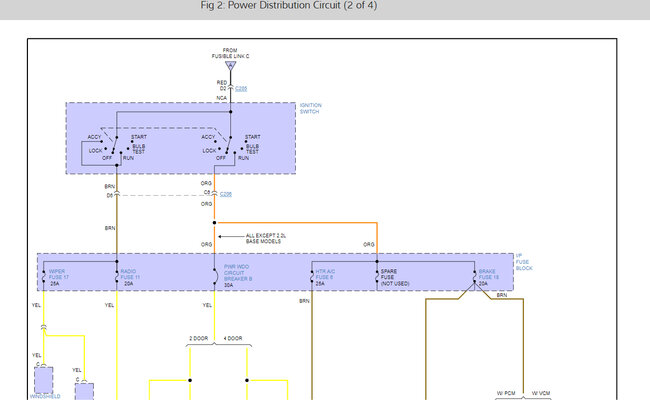
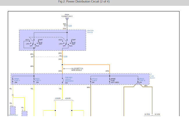
Tuesday, January 8th, 2008 AT 8:23 AM
I am trying to hook up toggle switch to bypass ignition. I need to know how to do this. I am female but I was raised working around on trucks, but I have never had this problem. Can you help me?




