Stuck on defrost

Tiny
RON GRUEN
  • MEMBER
  • CHEVROLET
I have a 97 chevy lumina that will blow air onto the floor and out the defrost, but not out of the dashboard. If I move the selector switch to vent (dashboard only) the air only blows on the floor.

I am a new member of this site. Any info would be greatly appreciated.

Can you please explain to me what could be wrong.
Wednesday, July 26th, 2006 AT 7:15 PM

2 Replies

Tiny
BSHERWOOD
  • MEMBER
  • 1 POST
I was able to locate what I think is a vacuum line that was disconnected. It is on the inside of the front drivers side fender, under the hood, behind the battery. One end of the hose is connected to a T shaped connector, and the other is just hanging loose once I connected it the system started working.
Was this
answer
helpful?
Yes
No
+2
Monday, August 14th, 2006 AT 11:12 AM
Tiny
KEN L
  • MASTER CERTIFIED MECHANIC
  • 55,420 POSTS
Hey Guys,

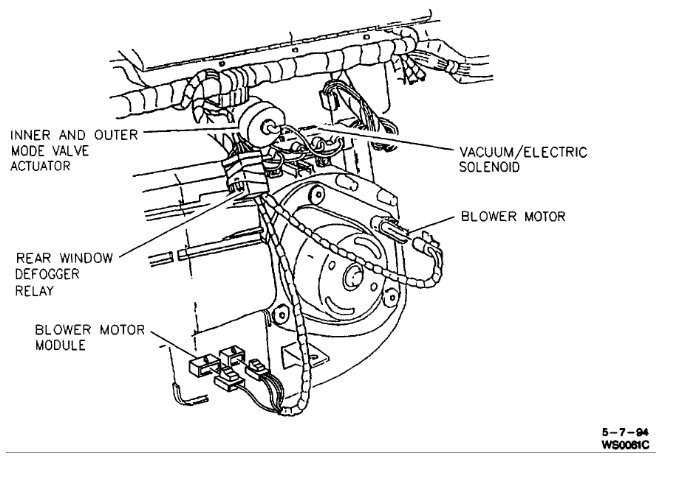
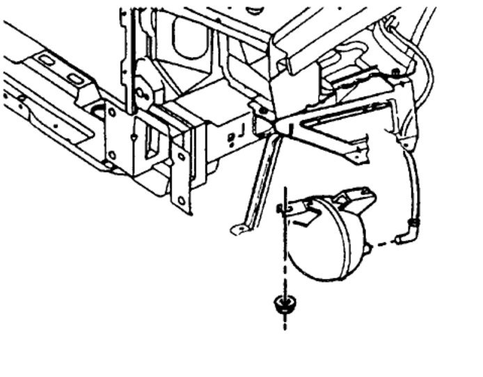
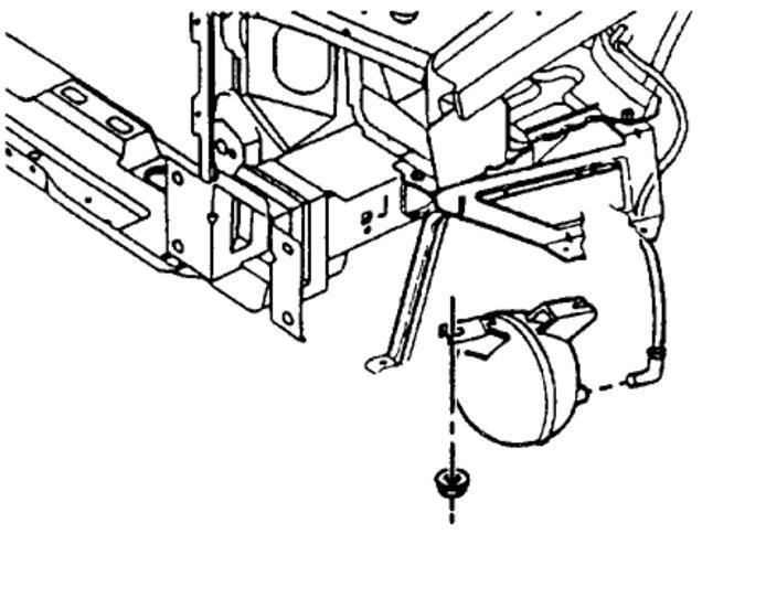
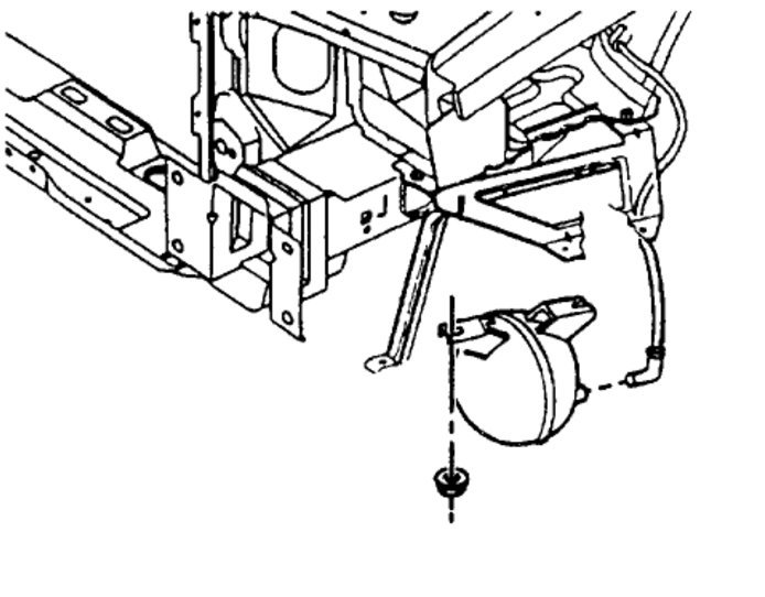
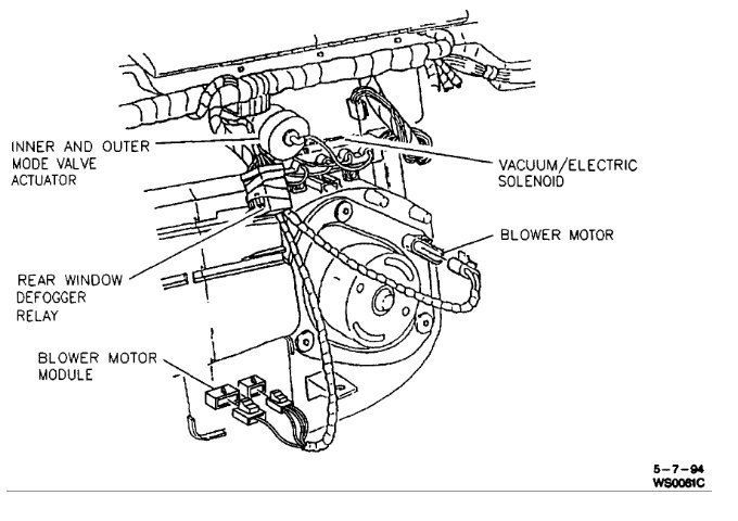
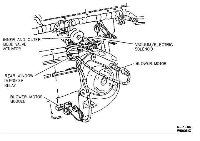
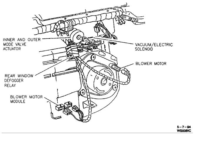
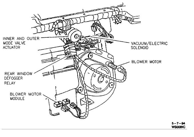
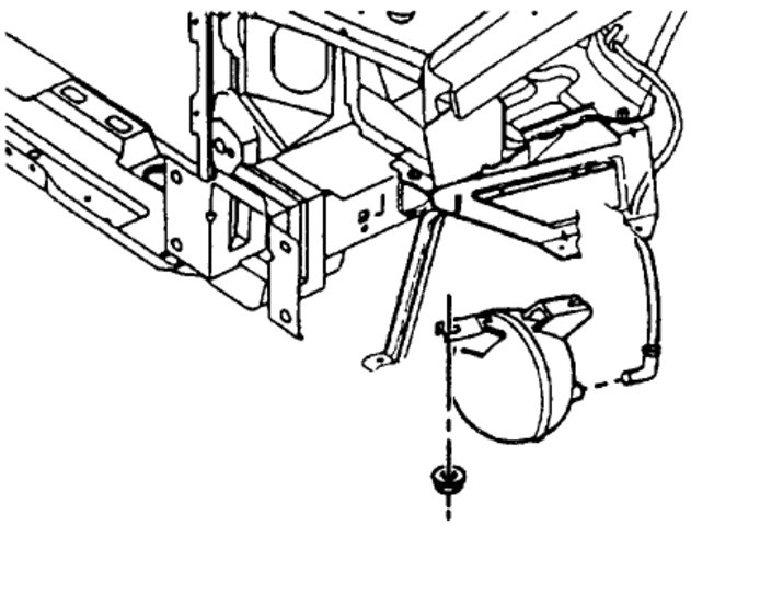
Here is a vacuum diagram and vacuum storage tank so you can get the problem fixed. Also a guide so you can follow and test the hoses. Also there is a rotary vacuum valve in the dash that goes, bad, can you hear a vacuum leak just behind the climate control panel?

https://www.2carpros.com/articles/air-vents-stay-in-the-defrost-position

Please let us know what happens so it will help others

Best, Ken
Was this
answer
helpful?
Yes
No
+15
Thursday, February 2nd, 2017 AT 2:41 AM

Please login or register to post a reply.