Thursday, November 4th, 2010 AT 1:39 PM
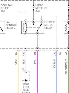
Hi, I am having blower motor issues. I have a new blower motor, new resistor and control switch, I have checked the fuses and relay, all good. When I check for voltage at resistor connector, I get voltage on all the settings, but when I check for voltage on blower motor connector, I do not get any voltage( purple wire). I checked the ground( black one) it is fine. Don't have any clue what to check next. When I jump the motor to battery it spins.




