2008 Chevy Impala Windshield wipers

Tiny
DANYIL
  • MEMBER
  • 2008 CHEVROLET IMPALA
  • 6 CYL
  • 2WD
  • AUTOMATIC
  • 38,000 MILES
My windshield wipers don't work. They started acting intermittently worse and worse until they stopped completely.
Sunday, January 24th, 2010 AT 5:04 PM

7 Replies

Tiny
KEN L
  • MASTER CERTIFIED MECHANIC
  • 55,112 POSTS
Hey DANYIL,

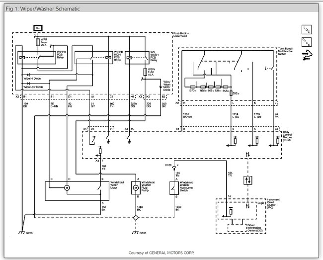
This system has a wiper module that is located inside the BCM so lets hope its not that. Here is a wiring diagram and the wiper motor location.

Use a test light and see if the wiper motor is getting power. If so the motor is bad and needs replacement.

https://www.2carpros.com/articles/how-to-use-a-test-light-circuit-tester

Please run some tests and get back to us so we can continue helping you.

Best, Ken

Was this
answer
helpful?
Yes
No
+2
Friday, December 16th, 2016 AT 4:32 PM
Tiny
DONNA703
  • MEMBER
  • 1 POST
  • 2006 CHEVROLET IMPALA
  • 6 CYL
  • 120,000 MILES
Wipers quit working, motor still works
they were erratically working and wouldn't shut off at times.
Honestly I'm a single Mom just layed off - I hate not paying you but if you could help me that would be great.

Thanks for considering.
Was this
answer
helpful?
Yes
No
Friday, December 16th, 2016 AT 4:33 PM (Merged)
Tiny
WRENCHTECH
  • MECHANIC
  • 20,761 POSTS
It sounds like the linkage came apart somehow. You will have to remove the motor to inspect the linkage and see what happened.
Was this
answer
helpful?
Yes
No
Friday, December 16th, 2016 AT 4:33 PM (Merged)
Tiny
ANOXA
  • MEMBER
  • 2 POSTS
  • 2001 CHEVROLET IMPALA
  • 6 CYL
  • 2WD
  • AUTOMATIC
  • 165,352 MILES
Electrical problem
2001 Chevy Impala 6 cyl Two Wheel Drive Automatic 165352 miles

okay so they are a few randomly weird things with this car but my turn siganals randomly work and don't work when the deside to there is no pattern to it some times when you start the car they work the entire time and some times they dont work at all and sometimes they work for half the trip ( doesnt matter if it works then doesnt for have the trip or doesn't then randomly does for half the trip). I have no idea where to start with that. Also my windshield wippers move about an inch up and then back down but never actually go completely up or down, I think this is the links inbetween the motor and the wipers them selves but I am not sure. Please if you could give me any ideas on where to start I would greatly appreciate it.
Was this
answer
helpful?
Yes
No
Friday, December 16th, 2016 AT 4:33 PM (Merged)
Tiny
RENAUDTN
  • MECHANIC
  • 636 POSTS
Hello there,

Your blinkers are wired thru the warning signal switch. Usually replacing this switch fixes the blinkers issue. I think it's about $25 for the part.
Was this
answer
helpful?
Yes
No
-1
Friday, December 16th, 2016 AT 4:33 PM (Merged)
Tiny
ANOXA
  • MEMBER
  • 2 POSTS
Thank you so much for your help I will try that and see how it goes.
Was this
answer
helpful?
Yes
No
Friday, December 16th, 2016 AT 4:33 PM (Merged)
Tiny
RENAUDTN
  • MECHANIC
  • 636 POSTS
No problem,

I hope it does the trick. I forgot to tell you; there's a way you can find out if the flasher/warning signal switch is the culprit: when your blinkers don't work, turn the switch on and off. Then try your blinkers, they should work. Sometime you have to turn the switch on and off a few times, ans sometime it works after only one time. Sometime you also need to push on that switch as far as you can and keep it pressed for a couple of seconds. Anyhow, point is monkeying around with this switch when your blinkers don't work usually make your blinkers work again. Until the next time.

Good luck
Was this
answer
helpful?
Yes
No
Friday, December 16th, 2016 AT 4:33 PM (Merged)

Please login or register to post a reply.