2005 Chevy Equinox

Tiny
SHERRYPAUL
  • MEMBER
  • 2005 CHEVROLET EQUINOX
  • 4 CYL
  • 2WD
  • AUTOMATIC
  • 91,000 MILES
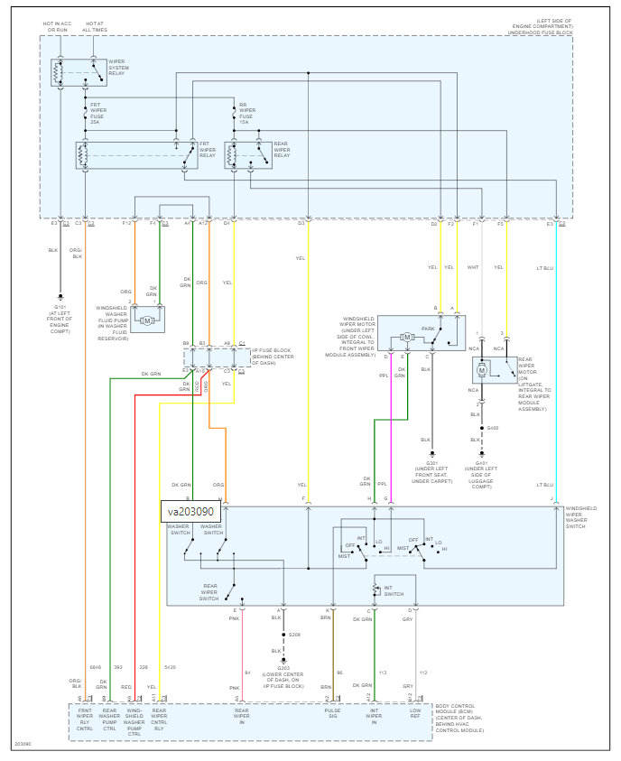
Where is the windshield washer pump located so it can be replaced?
Wednesday, September 30th, 2009 AT 12:57 PM

1 Reply

Tiny
KASEKENNY
  • MECHANIC
  • 18,907 POSTS
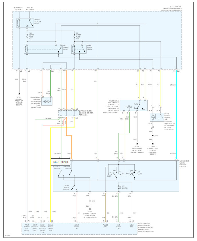
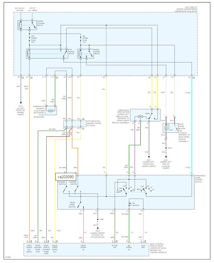
I am attaching the info needed to determine where this is and how to replace it.

However, here is a guide that will give a little more detail on this:

https://www.2carpros.com/articles/how-to-replace-a-windshield-washer-pump

Please run through this info and let me know if you have other questions or issues in replacing this.

Thanks
Was this
answer
helpful?
Yes
No
Wednesday, December 15th, 2021 AT 6:05 PM

Please login or register to post a reply.