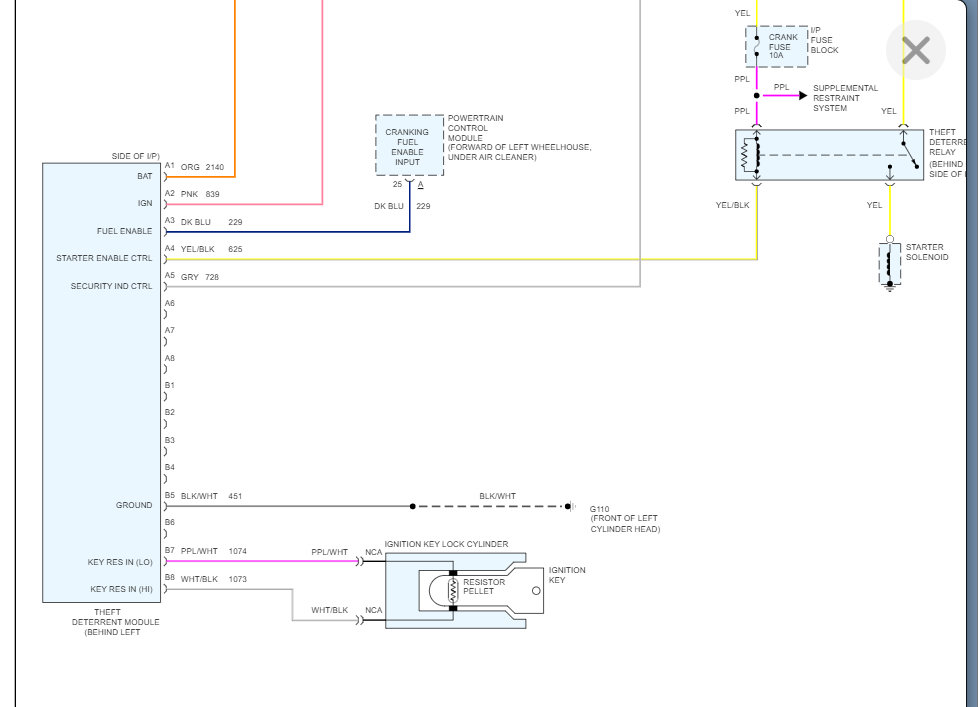
Monday, February 1st, 2010 AT 9:03 AM
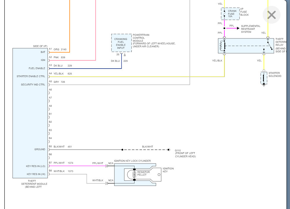
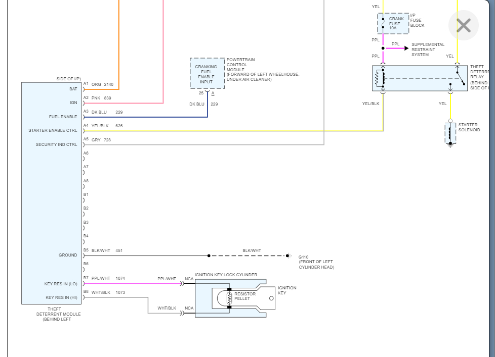
The appeared 2 xs one my instrument panel once when it appeared that I had a dead battery( when I turn the key everything when dead but after a few try's it started right up) the second time was warmeing the car up and when back to shut it off and as it was running pass key fault appeared. What does this mean?





