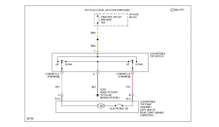
The power top will go down, but it will not go up.
Could it be the siwtch?
(I live overseas in the Middle-east. It is very difficult to find replacement parts. If it is the switch, can a generic switch be used or does it have to be a genuine replacement?)
Saturday, October 23rd, 2010 AT 4:31 AM

