HOME
ASK A QUESTION
REPAIR GUIDES
BECOME A MEMBER
LOG IN
Login with Facebook
OR
Remember me
NOT A MEMBER?
FORGOT PASSWORD?
CONTACT US
PRIVACY POLICY
TERMS AND CONDITIONS
☰
Home
Chevrolet
Camaro
Trouble Codes
OBD1 Codes
Code 42
1991 Chevy Camaro code 42
PEREZ PECAS
MEMBER
1991 CHEVROLET CAMARO
V8
2WD
AUTOMATIC
147,883 MILES
I need to know how to fix code 42 on this chevy 1991 camaro tank you
Wednesday, January 16th, 2008 AT 10:28 PM
2 Replies
RASMATAZ
MECHANIC
75,992 POSTS
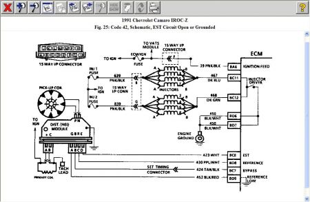
42 Electronic Spark Timing (EST) Circuit
What is it a 305 or 350 CID
Was this
answer
helpful?
Yes
No
+1
Wednesday, January 16th, 2008 AT 10:42 PM
RASMATAZ
MECHANIC
75,992 POSTS
Here's your diagnostics
Good Luck
Was this
answer
helpful?
Yes
No
Wednesday, January 16th, 2008 AT 10:59 PM
Please
login
or
register
to post a reply.
Related OBD1 Code 42 Content
1991 Chevy Camaro No Fuel To The Jets
I Just Bought A 91 Camaro Rs V8 Tbi 5.7l, I've Found Out Pump Runs, Fuel To Filter(inline), Jets Tested To Have Power, No Fuel To Jets...
Asked by
cfamily2
·
2 ANSWERS
1991
CHEVROLET CAMARO
1991 Chevy Camaro Idle
Got A Code 43 On My 91 Camaro Rs, 305 Tbi. It Says Electronic Spark Control. Is Knock Sensor Involved In That, I Have Bad Idle, Strong Gas...
Asked by
bodaddy73
·
1 ANSWER
1991
CHEVROLET CAMARO
1988 Chevy Camaro Got A Code 43 From Manual Mil Check
Was Wondering If You Guys Could Tell Me What A Code 43 From Manually Checking The Mil, Could Possibly Mean. The Car Is Normally Fine Until...
Asked by
1988305camaro
·
1 ANSWER
1988
CHEVROLET CAMARO
1993 Chevy Camaro Error Code 26 Obd I
I Have A 1993 Camaro That Is Show Error Code 26 (evap Purge Control Solenoid Circuit) How In The World Do I Fix This?
Asked by
dhawkins28
·
1 ANSWER
1993
CHEVROLET CAMARO
89 Chevy Camaro Code 43
My Service Engine Light Has Came On. When I Pull A Code I Get 43. I Have A Haynes Manual And It Says The Code Is Electronic Spark Control. I...
Asked by
timw725
·
3 ANSWERS
1989
CHEVROLET CAMARO
VIEW MORE
Ask a Car Question. It's Free!