Monday, September 17th, 2007 AT 9:07 PM
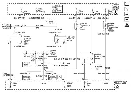
I have a 99 chevy blazer with 90,000 miles and a 4.3 litre engine with 4 wheel drive. The vehicle runs fine as long as the temperature gauge is working. But the temperature gauge is intermitent and when it goes out the vehicle drops hard into gear from park and shifts hard between 1st and 2nd gear and also wants to die evey once in awhle when you stop at a stop sign. We've had a code reader on it and when the temperature gauge is working there's no codes coming up. But when it's not working it get's a temperature sensor code and a throttle position sensor code. Both these parts have been replaced and it still does the same thing. My mechanic did say when it is running fine you only have 5 volts running through one of the wires off the throttle position sensor but when it meeses up you have 5volts running through two of the wires. Iwould really appreciate your help. Thanks



