Thursday, July 8th, 2010 AT 7:30 AM
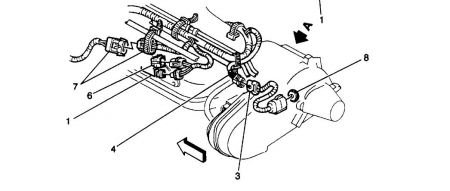
Can anyone tell me where the vehicle speed sensor is located on my 1997 chev blazer, 4x4, auto, 4.3 ltr. V6. What does it look like? Thanks.




