Thursday, March 1st, 2007 AT 6:26 PM
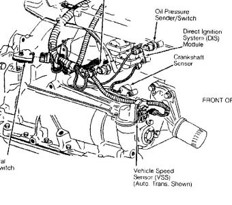
My son has a 1991 Beretta and it will start sometimes and then other times it won't even crank, we have replaced the starter and battery. A person that worked at a garage that worked on this car before told us that it sounds like the crank sensor. I was needing information on where it is located and how hard they are to put in. Also do I need any special tools? This isn't the original engine but is just like the one taken out. Thanks in advance for your help.

