Heater problem
1991 Chevy Astro 6 cyl All Wheel Drive Automatic
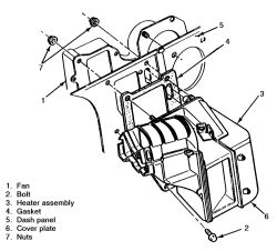
We're trying to fix the heater core and need to know how to remove the doghouse in order to get to it.
1991 Chevy Astro 6 cyl All Wheel Drive Automatic
We're trying to fix the heater core and need to know how to remove the doghouse in order to get to it.
Jul 15, 2010 at 11:30 AM

