Monday, September 18th, 2023 AT 6:23 PM
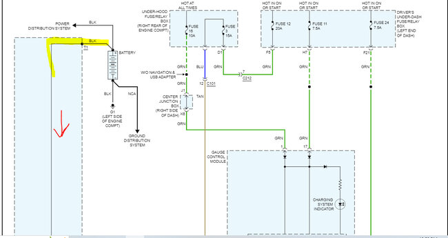
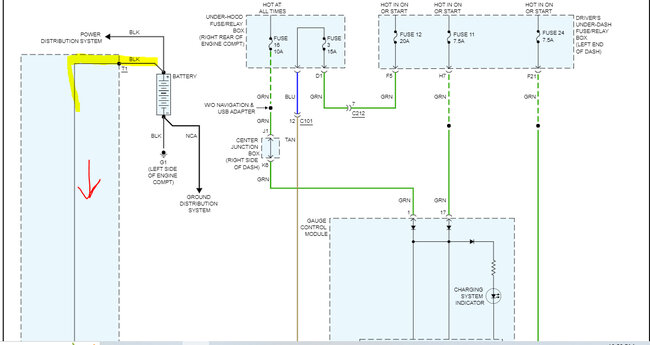
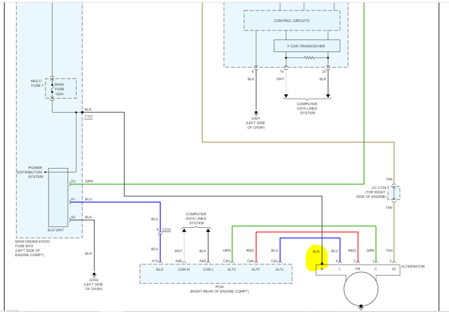
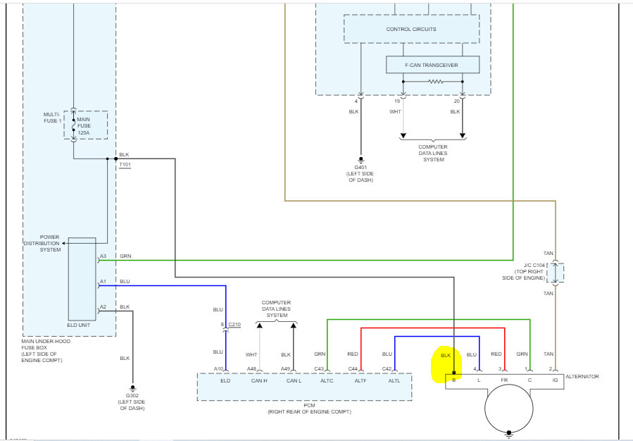
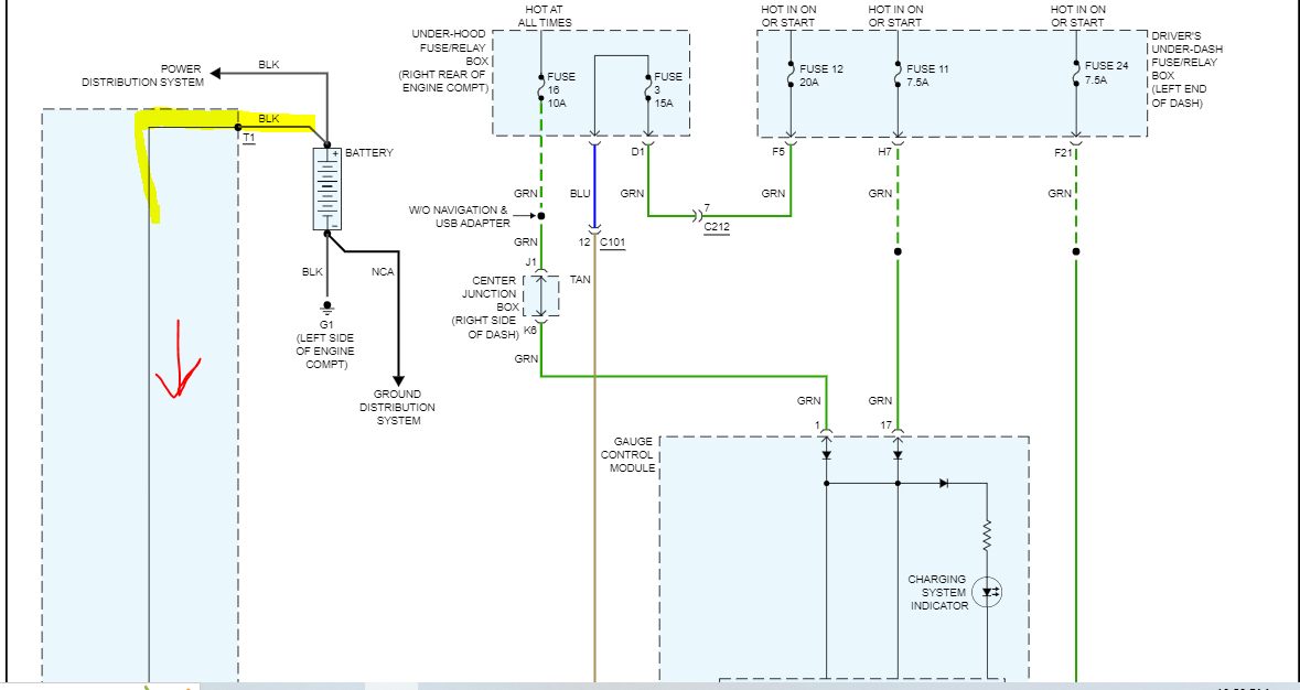
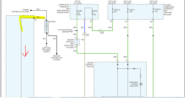
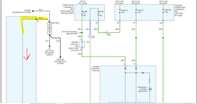
I have changed the alternator and the battery on this vehicle. I checked everything I could think of, but the check charging system light will not go off. I'm kind of thinking the negative battery sensor is the culprit. I can't get this part from anywhere but a junkyard or dealer. What do you think?

