Charging system

Tiny
BLACKMON
  • MEMBER
  • 2014 KIA CADENZA
  • 3.3L
  • 6 CYL
  • 2WD
  • AUTOMATIC
  • 100,000 MILES
All of a sudden at start up all lights, interior and exterior start flashing. Determined it was alternator and replaced. Battery light stays on. Replaced battery. With a new battery and alternator battery light still on. Voltage is reading 12.2v and dropping.
Wednesday, June 1st, 2022 AT 8:51 AM

7 Replies

Tiny
KASEKENNY
  • MECHANIC
  • 18,907 POSTS
Just to be clear, you replaced the alternator, but the voltage is still dropping.

The way this works is that the PCM commands a certain voltage levels based on demand.

This means we need to start with checking the alternator and make sure we are not dealing with just a junk part.

We need to test the alternator and most parts stores can do this.

https://www.2carpros.com/articles/how-to-check-a-car-alternator

Once the alternator passes then we can monitor the field control voltage from the PCM.

Basically, the PCM will command the alternator to provide a certain amount of voltage. The fact that the light is on shows that the alternator is not doing it. However, it may not be due to the alternator.

Let's start with this and go from there.

Thanks
Was this
answer
helpful?
Yes
No
+1
Wednesday, June 1st, 2022 AT 1:51 PM
Tiny
BLACKMON
  • MEMBER
  • 4 POSTS
Okay, I took the vehicle to AutoZone and the Kia dealership. The alternator tested good. A Kia tech did mention that it could be because it's an aftermarket alternator. But it tested good.
Was this
answer
helpful?
Yes
No
Thursday, June 2nd, 2022 AT 5:16 AM
Tiny
KASEKENNY
  • MECHANIC
  • 18,907 POSTS
Okay. That means we need to move onto checking the voltage at each of the wires at the alternator when the engine is running. Basically, we need to make sure we have proper command for the alternator to charge the system.

He is not wrong that this could be due to it being an aftermarket alternator, but we need to rule these other things out first as it is unlikely to replace the alternator and it still has the same issue and the currently alternator pass a load test.

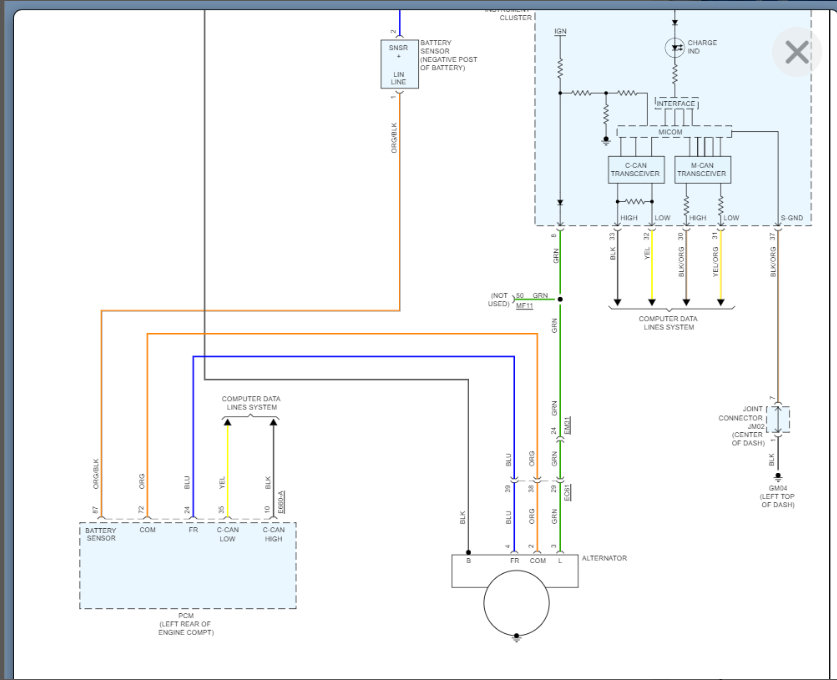
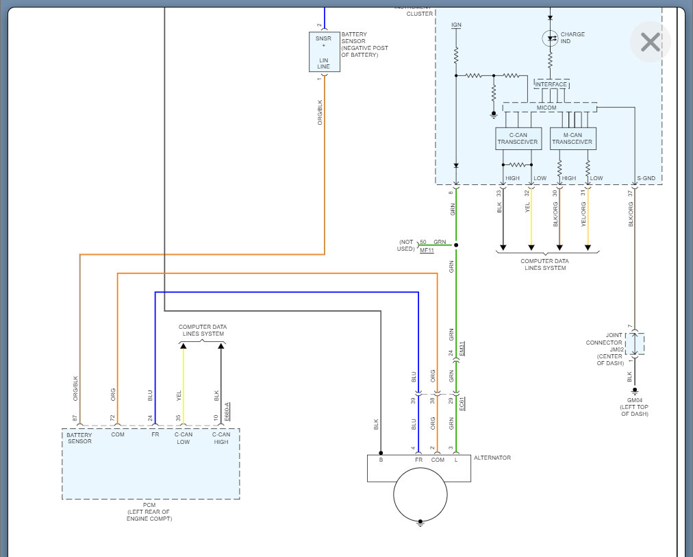
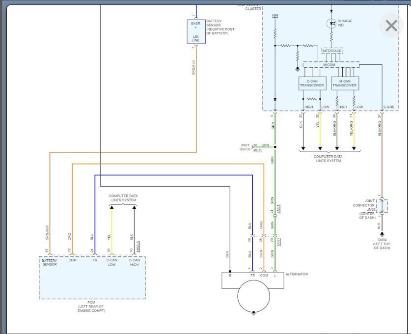
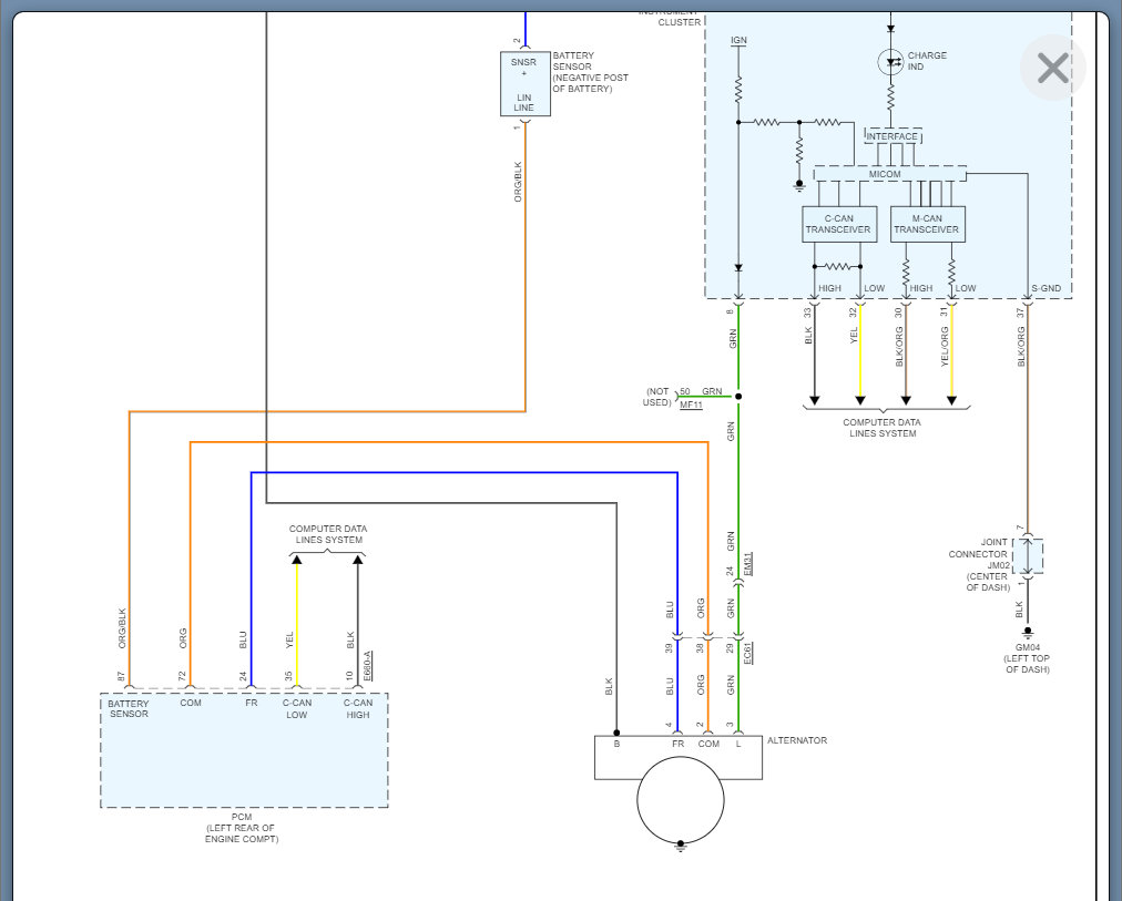
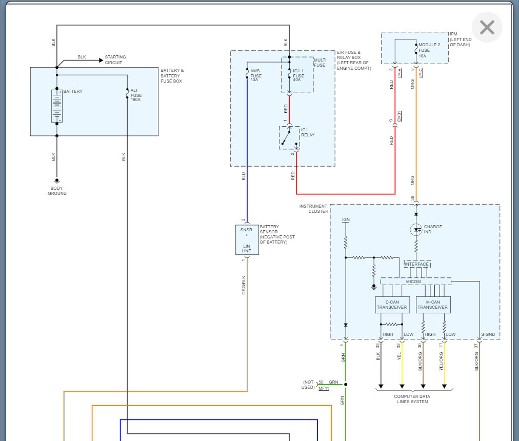
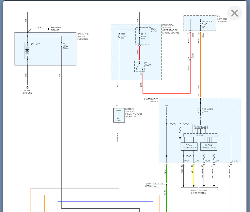
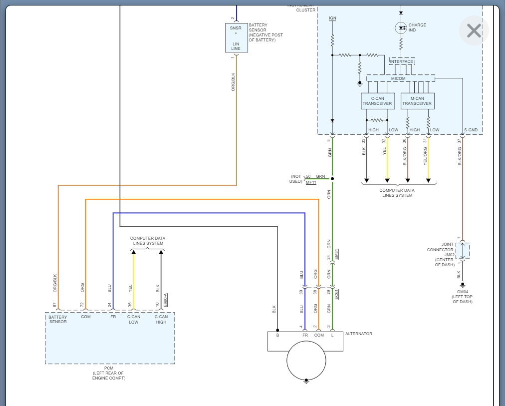
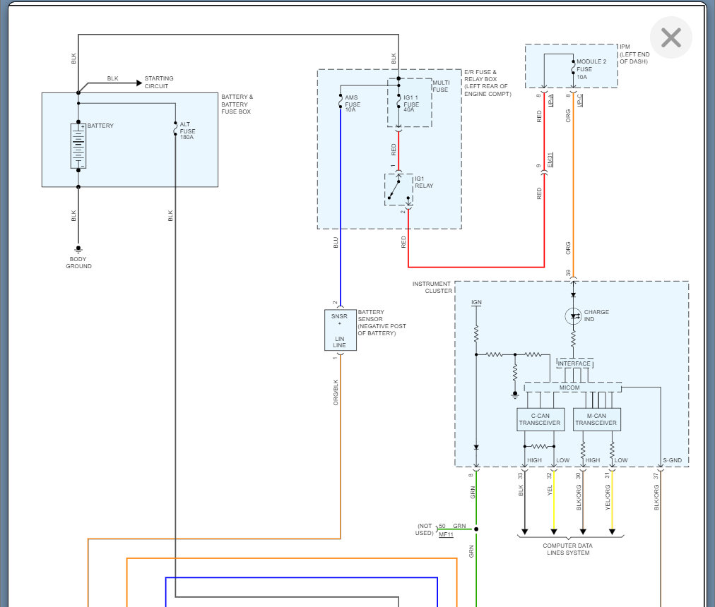
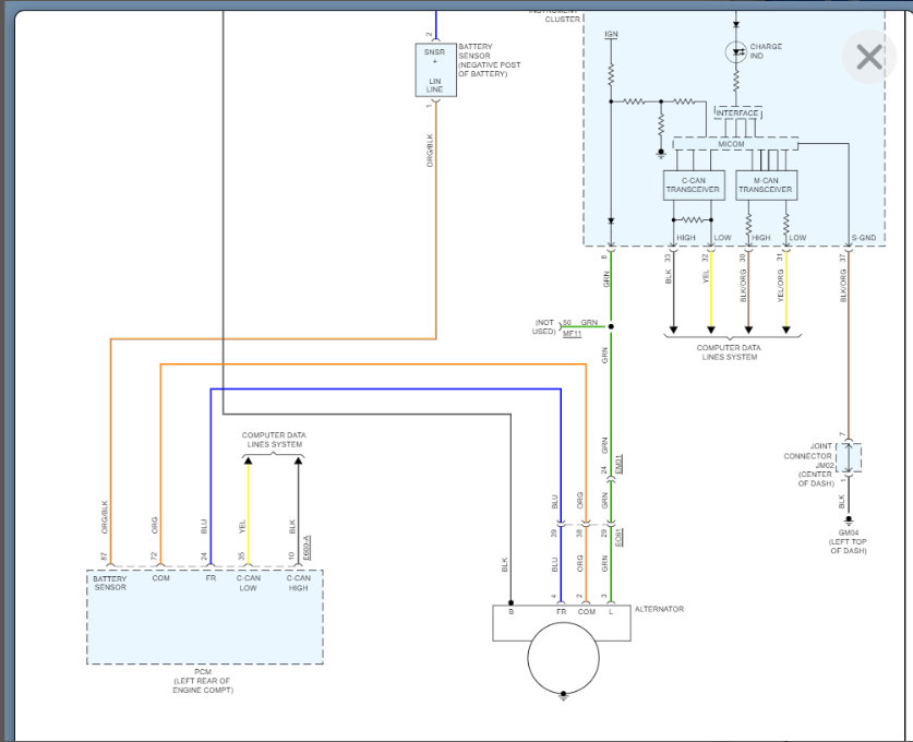
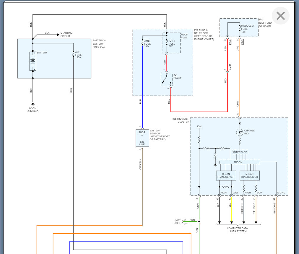
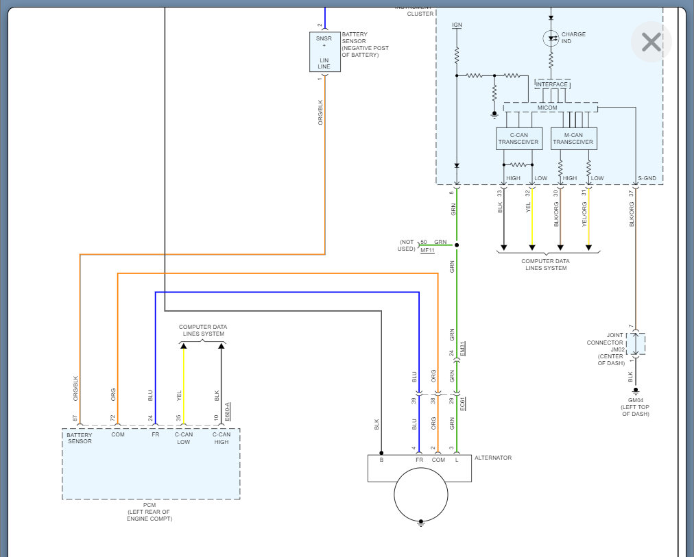
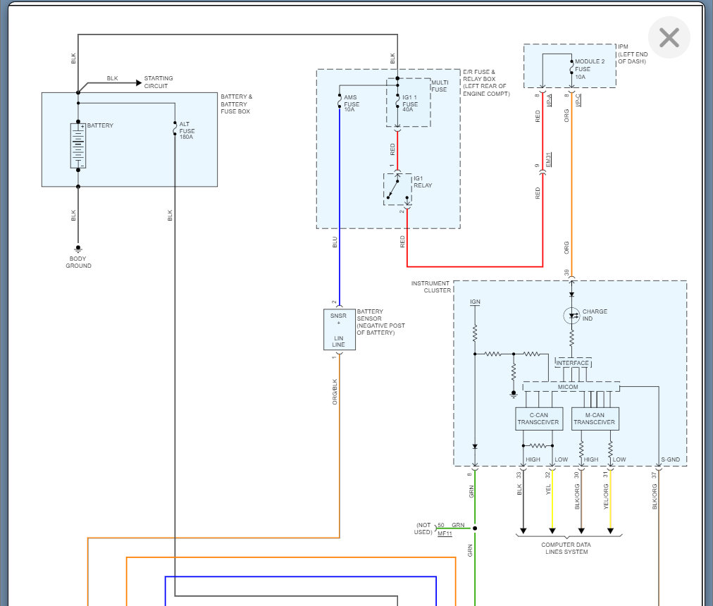
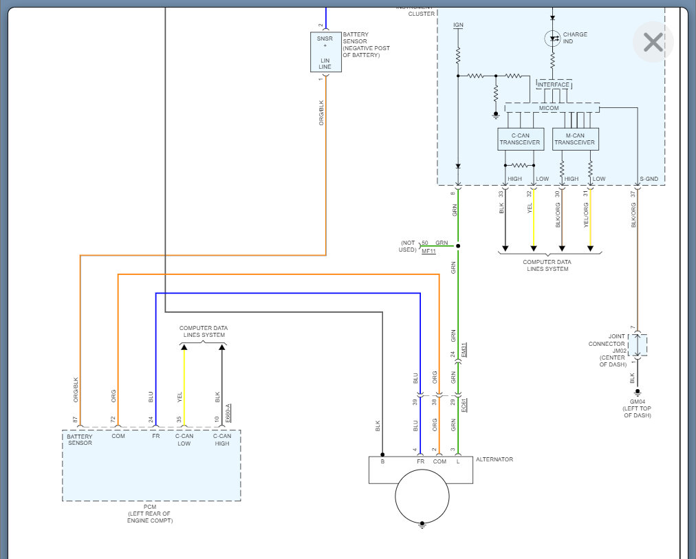
I attached the wiring diagram above which is what we are going to need in order to figure this out.
Was this
answer
helpful?
Yes
No
+1
Thursday, June 2nd, 2022 AT 9:08 AM
Tiny
BLACKMON
  • MEMBER
  • 4 POSTS
Okay, which wires should I test for voltage?
Was this
answer
helpful?
Yes
No
Thursday, June 2nd, 2022 AT 10:20 AM
Tiny
KASEKENNY
  • MECHANIC
  • 18,907 POSTS
All four of them. Take a look at the wiring diagram and let me know what questions you have.

Thanks
Was this
answer
helpful?
Yes
No
Thursday, June 2nd, 2022 AT 10:59 AM
Tiny
BLACKMON
  • MEMBER
  • 4 POSTS
What voltage should each wire read? And the plug has only three wires. No black wire.
Was this
answer
helpful?
Yes
No
Friday, June 3rd, 2022 AT 6:23 AM
Tiny
KASEKENNY
  • MECHANIC
  • 18,907 POSTS
Okay. You should have three wires on the connector and then there is a separate wire that will be the 12 volts battery feed.

So, this separate wire should have 12 volts. The blue wire is the field wire, and the voltage is going to vary on this depending on what the alternator is being commanded to do. The Orange wire is the com wire or the signal return from the alternator to tell the PCM what the alternator is outputting.

The last green wire is going to be the signal to turn the light on in the cluster. Basically, this wire is going to read the alternator output. So, I am interested to see what they are all reading and depending on the load we will know what is correct or not.

Take these measurements with the AC on max, the lights on inside the vehicle and the headlights on. This will require the alternator to run at max output.
Was this
answer
helpful?
Yes
No
Friday, June 3rd, 2022 AT 6:38 PM

Please login or register to post a reply.