Thursday, April 25th, 2019 AT 7:51 PM
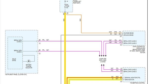
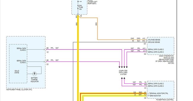
Alternator is pushing 15 volts, cooking my battery. I believe a prior electrical problem exists because seller just replaced alternator one moth ago. I have a better understanding then most of Auto Technology, but by no means am I a professional. Since prior problems existed, and with dash codes I believe I have problems with my RIM module and my PCM module, to my understanding my PCM module controls my volt regulator of my alternator? Rather than spend tons of money, I am willing to accept failure of all most all interior power, I only want to reduce or use the extra volts my alternator is producing, so in return my battery does not cook. How can I reduce or spend the volts so this happens? A capacitor? Running another battery?






































