HOME
ASK A QUESTION
REPAIR GUIDES
BECOME A MEMBER
LOG IN
Login with Facebook
OR
Remember me
NOT A MEMBER?
FORGOT PASSWORD?
CONTACT US
PRIVACY POLICY
TERMS AND CONDITIONS
☰
Home
Pontiac
G6
Electrical
Alternator
Charging and starting System
JIMB2020
MEMBER
2006 PONTIAC G6
3.9L
V6
2WD
AUTOMATIC
159,000 MILES
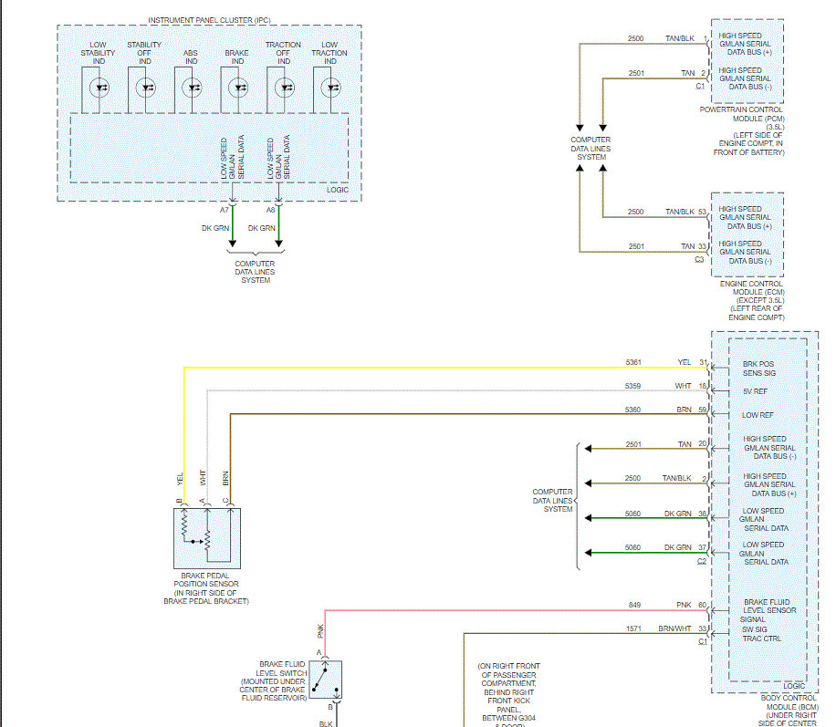
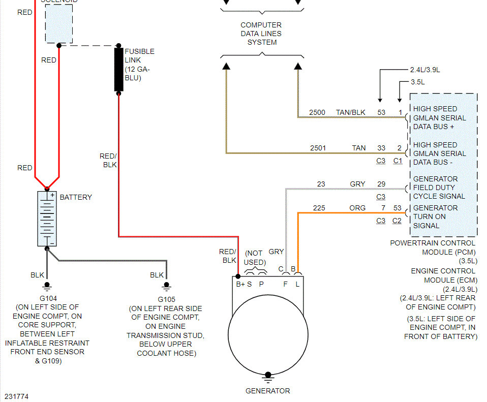
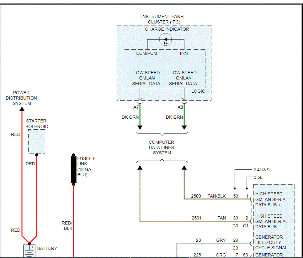
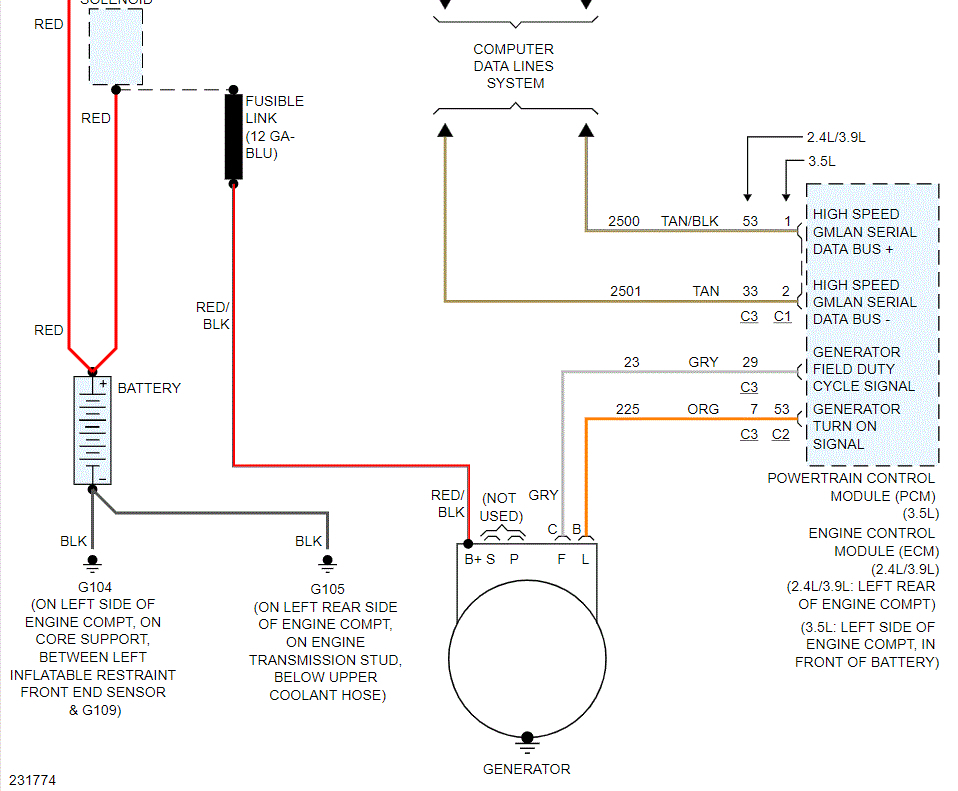
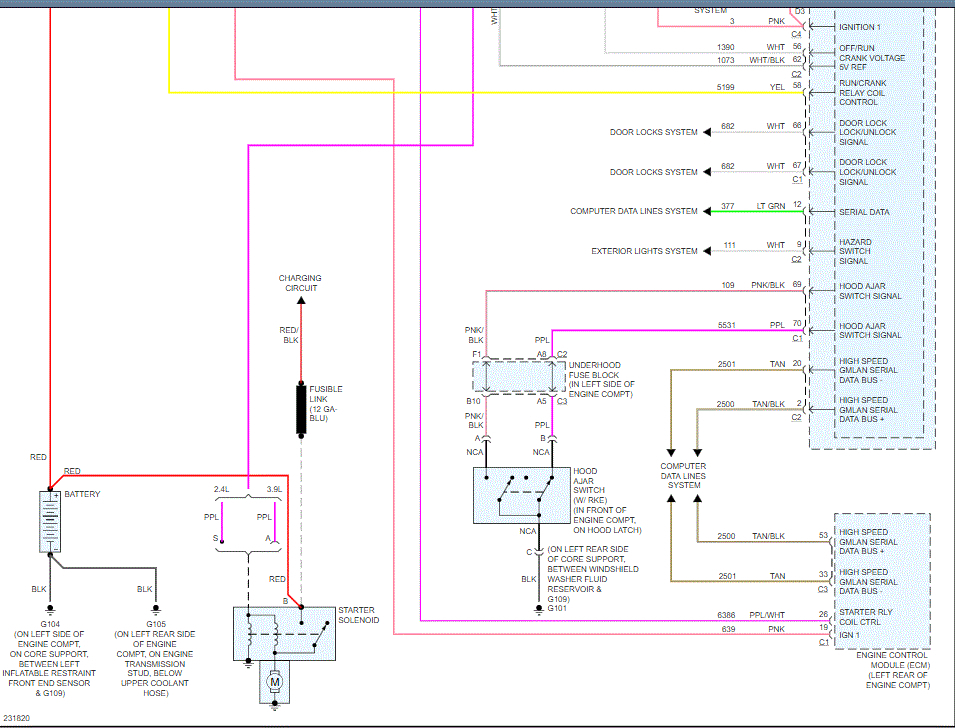
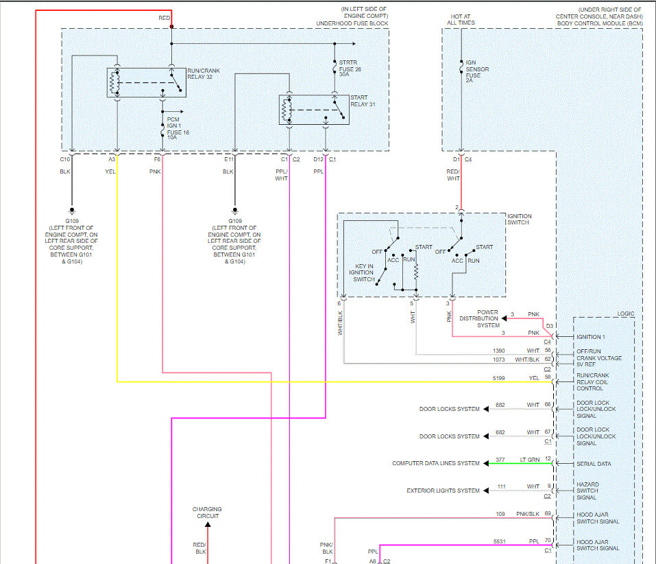
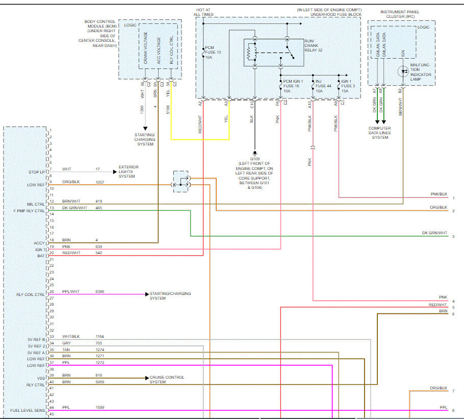
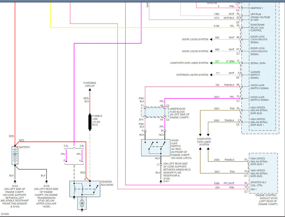
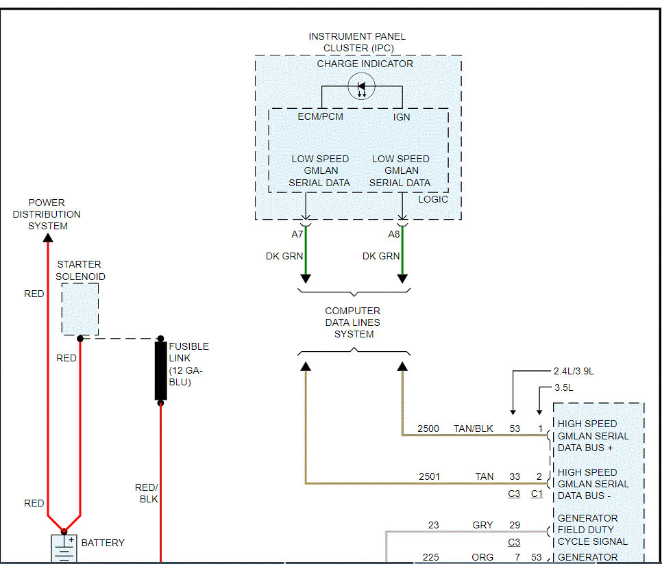
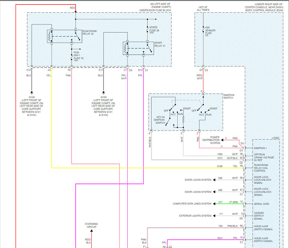
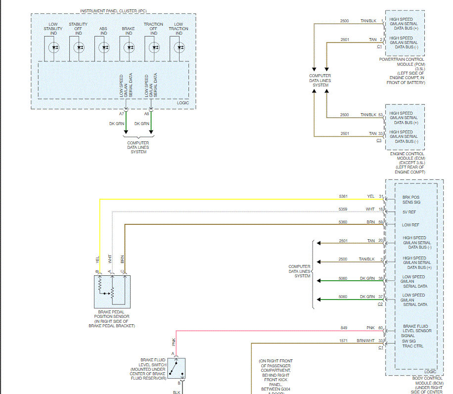
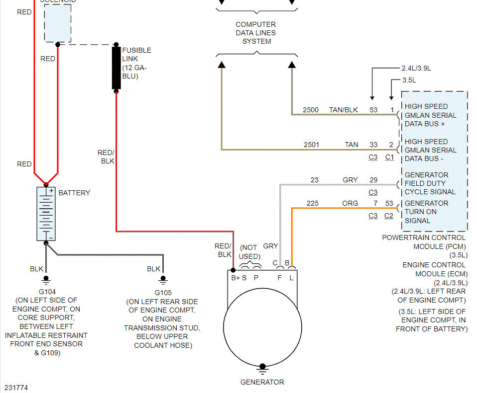
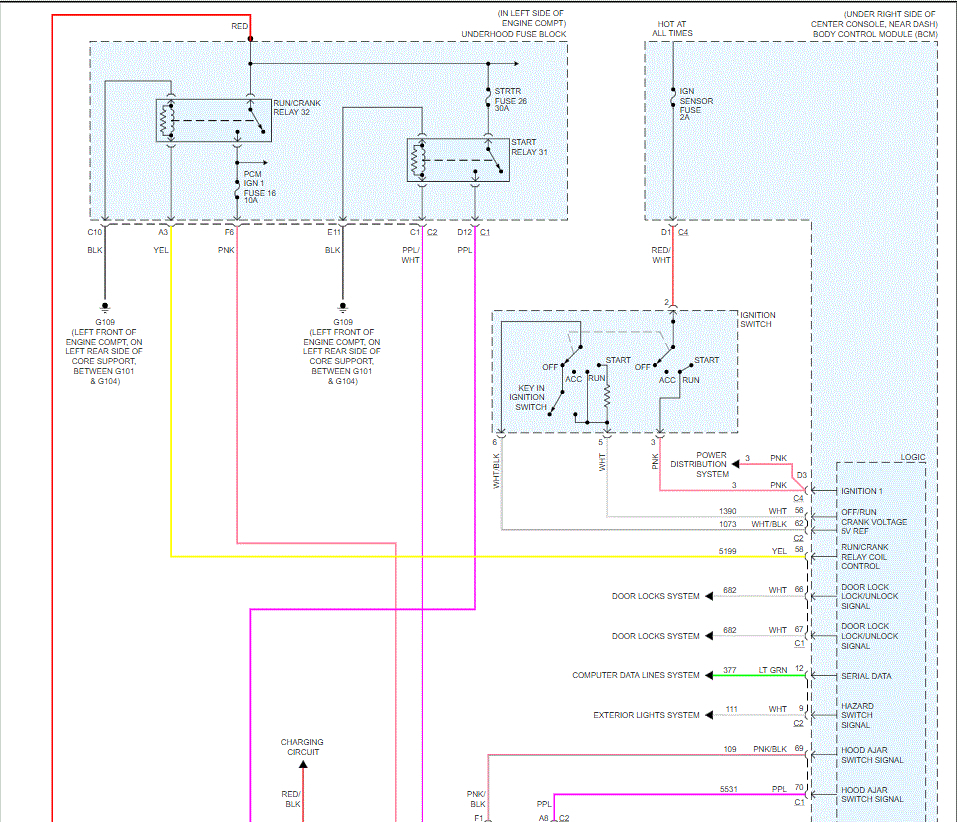
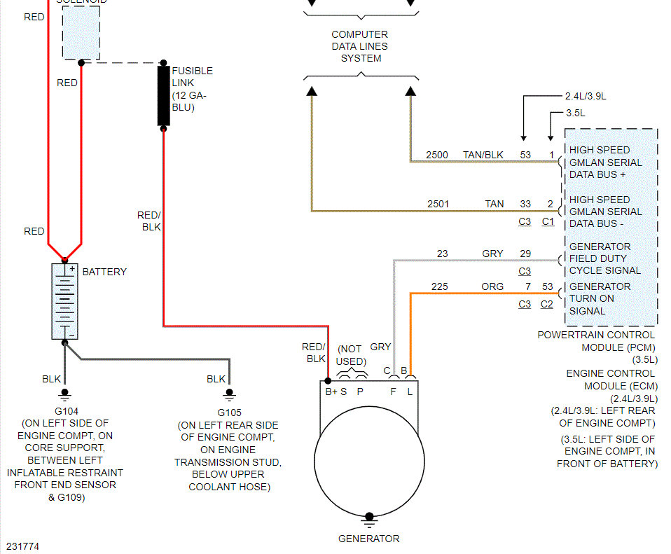
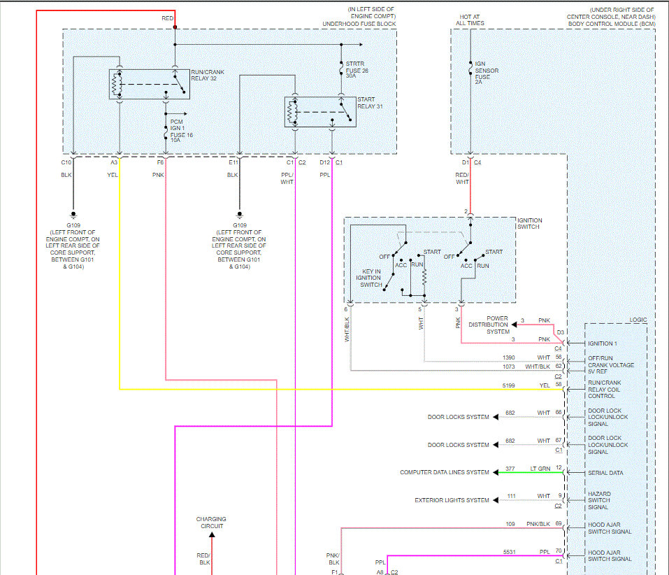
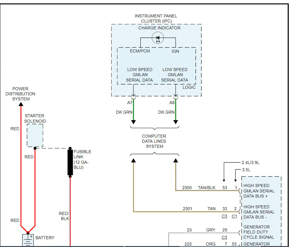
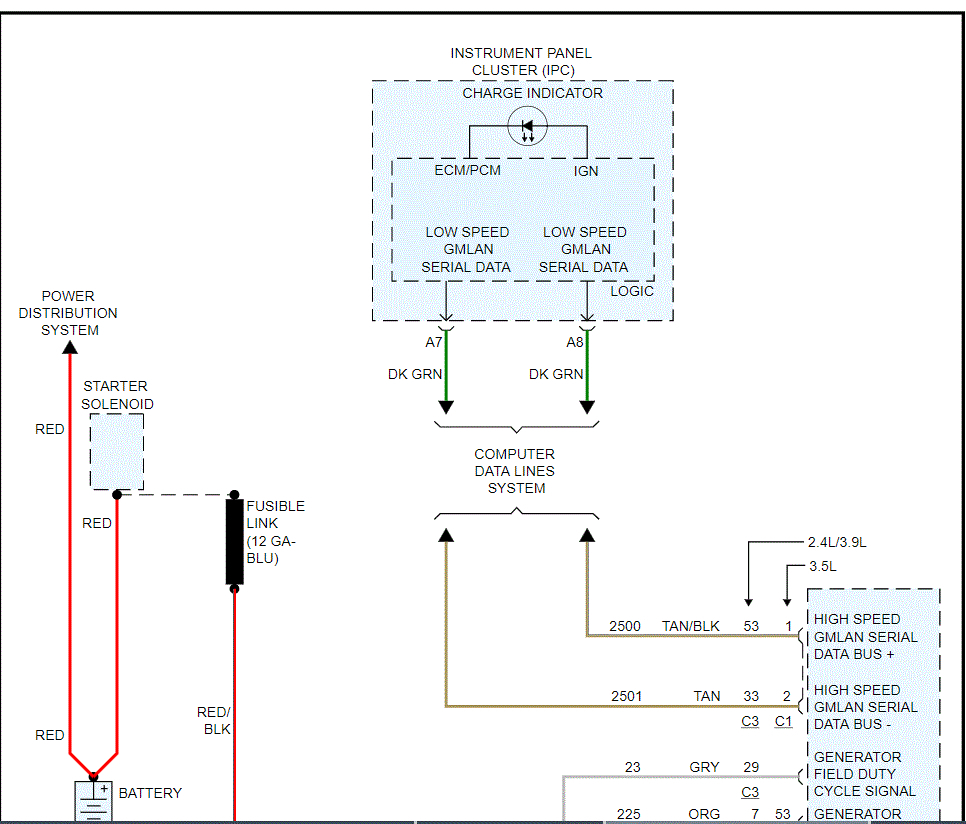
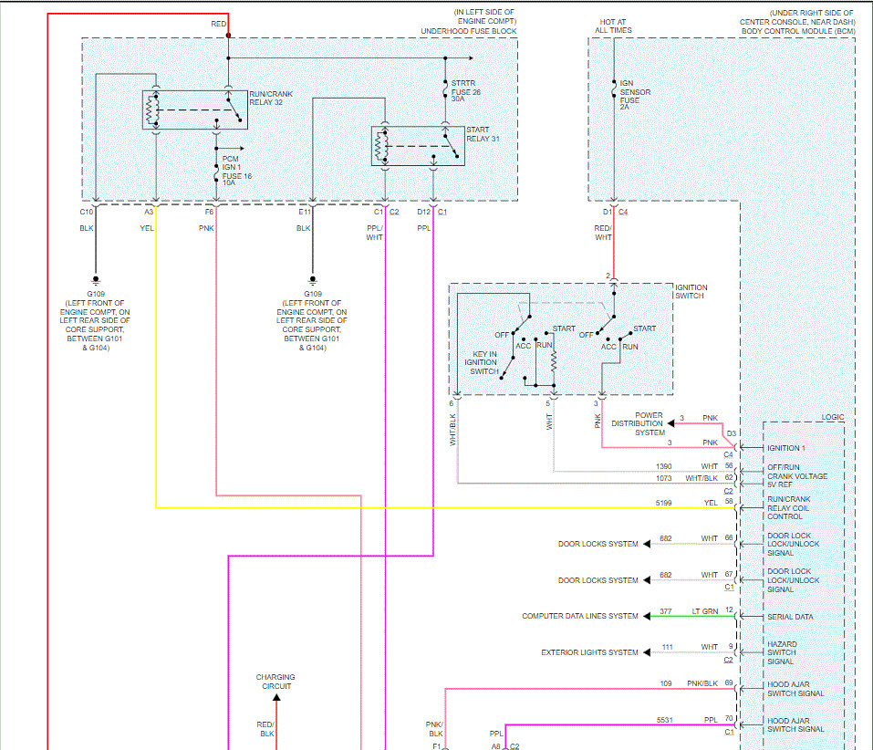
I need readable multi color power and ground distribution electrical diagrams of the following:
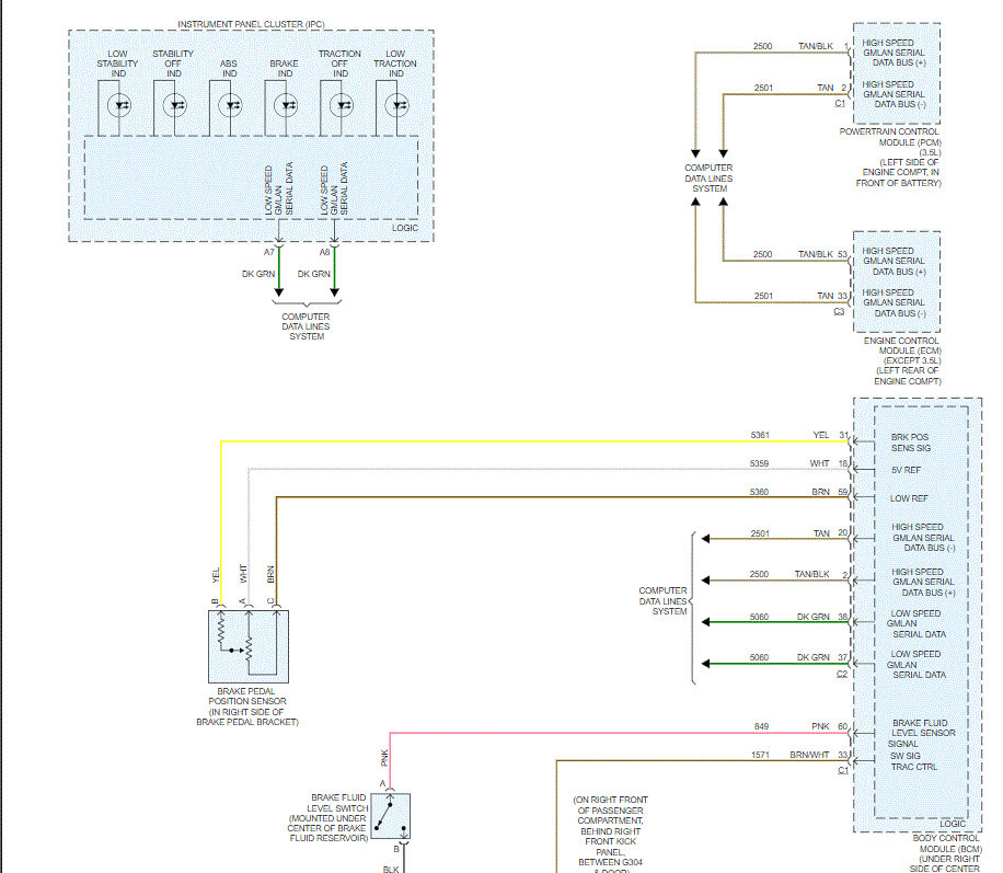
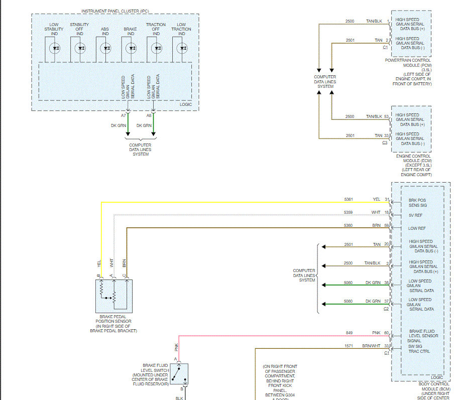
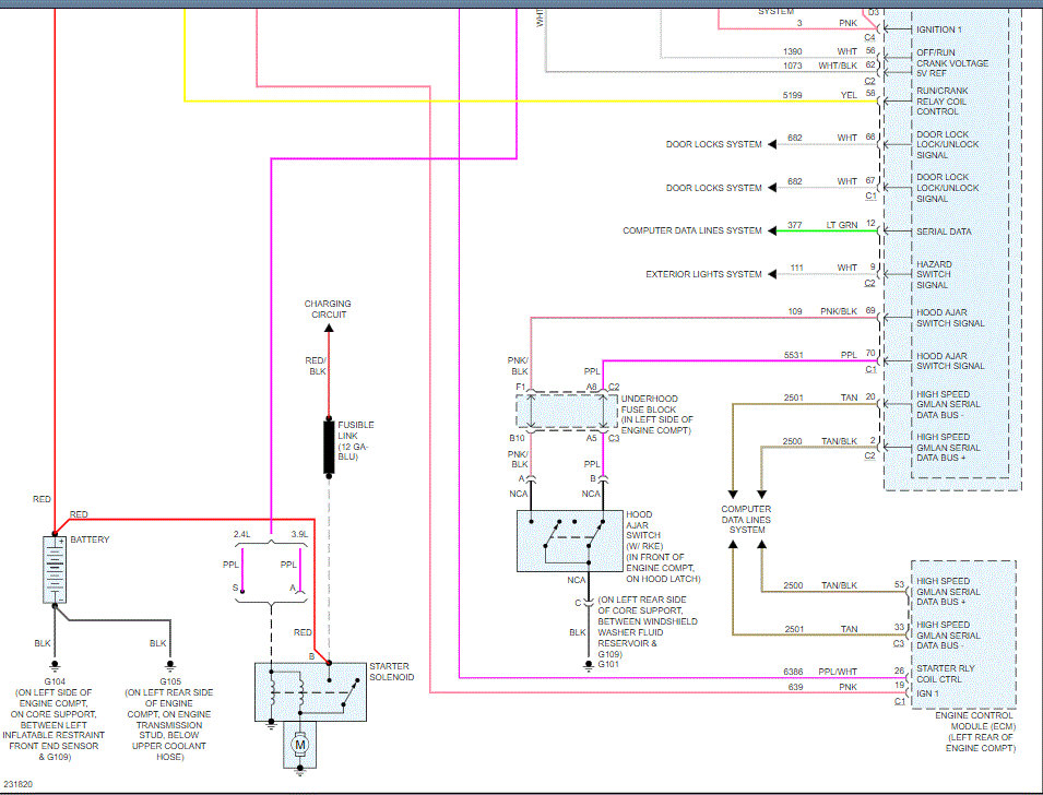
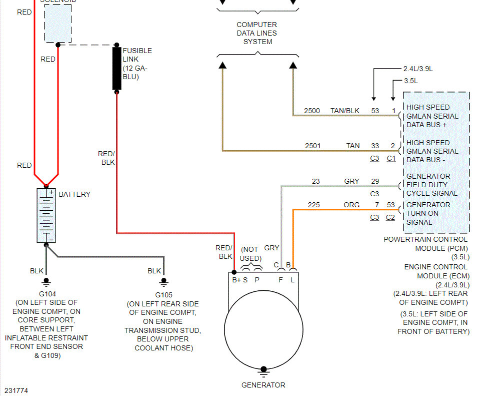
1. BCM 1, 2 and 3
2. ECM
3. PCM
4. Ignition Switch
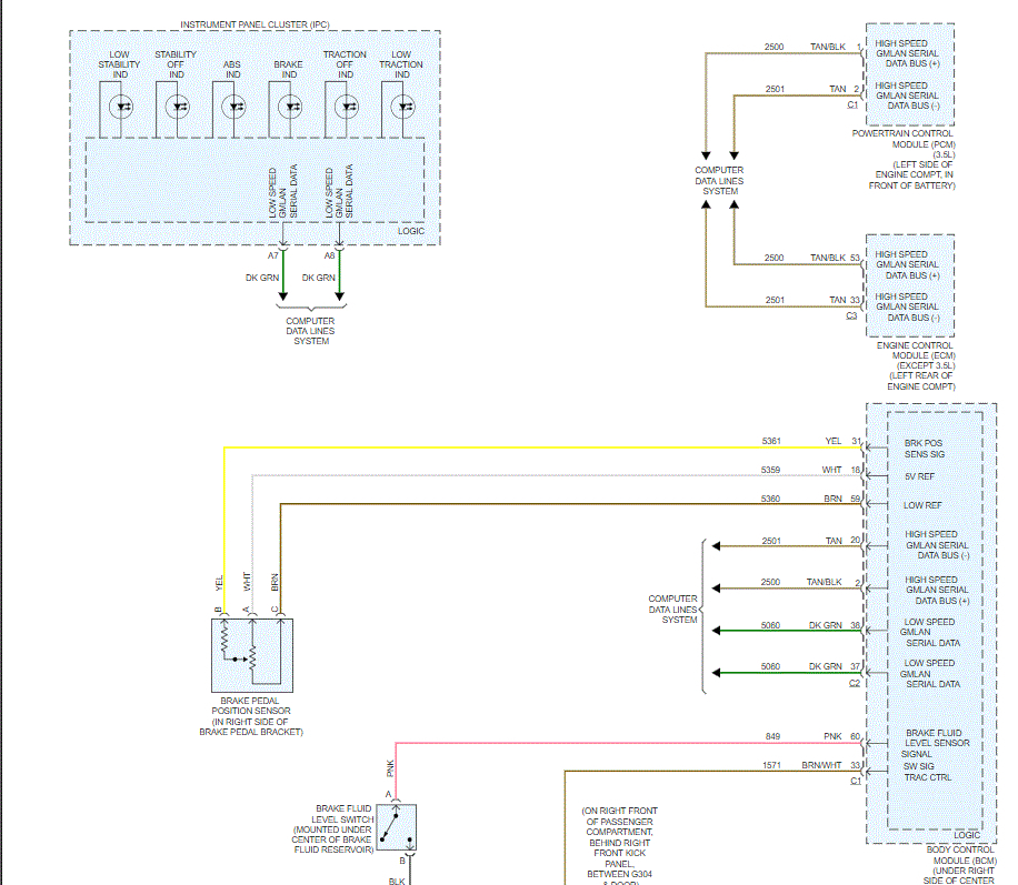
5. ABS
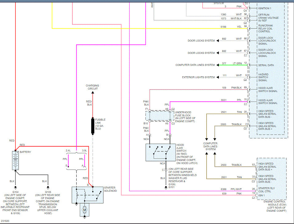
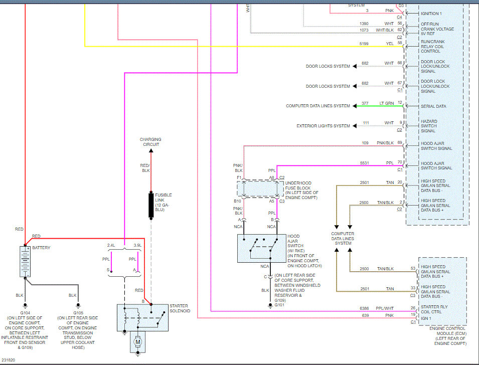
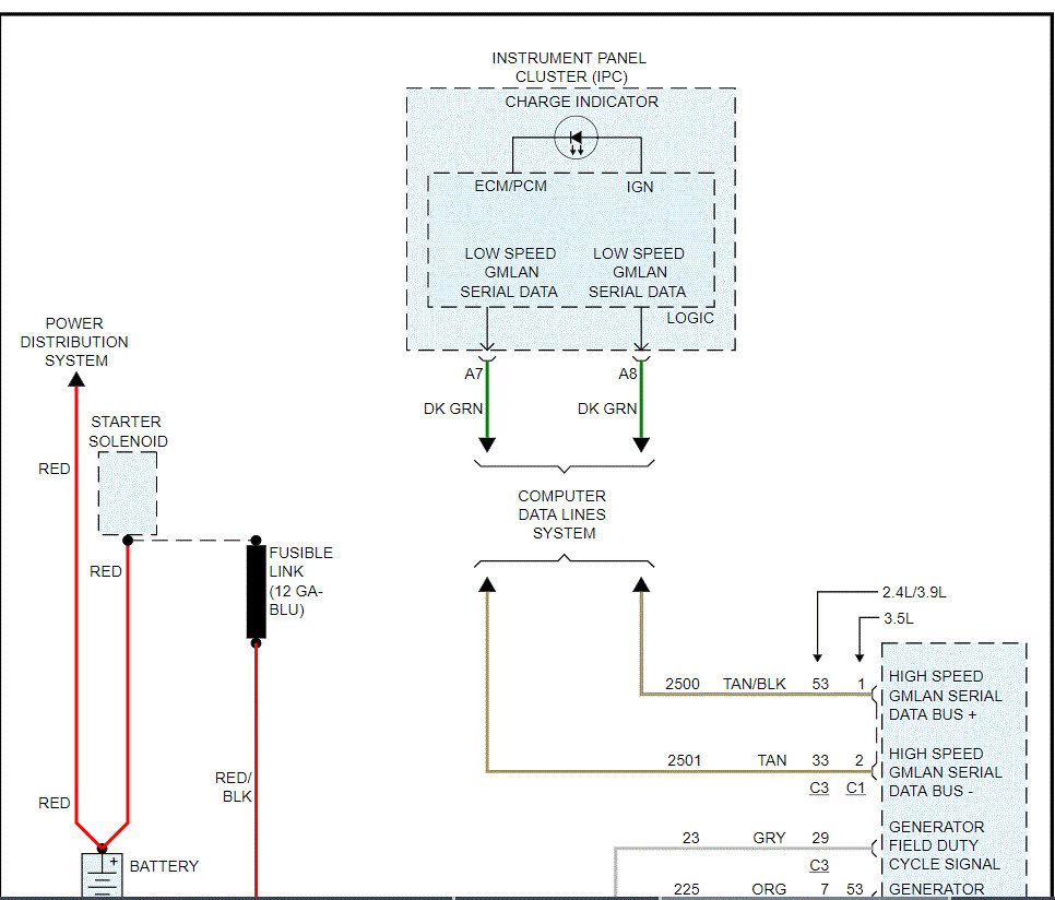
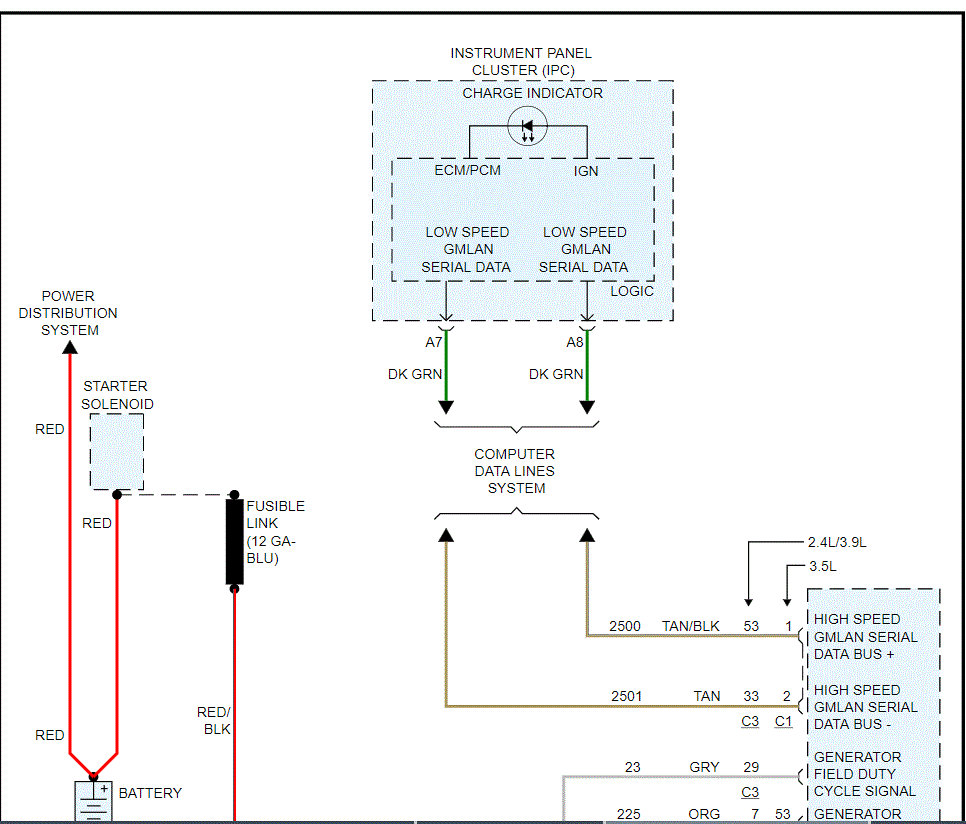
6. Generator F (alternator to starter and battery and IPC)
Monday, February 10th, 2020 AT 12:10 PM
2 Replies
Please
login
or
register
to post a reply.
Related Alternator Content
VIDEO
Alternator Replacement
Instructional repair video
GUIDE
Alternator
An alternator is designed to supply electrical power (13.6 to 14.6 volts) to a vehicle when the engine is operating to recharge the battery back up for future use. This is...
Ask a Car Question. It's Free!
Replace Alternator Ford F-150 2004-2008
Alternator Replacement
How to Test an Alternator