Charging issues?

Tiny
LITTLERONNIE
  • MEMBER
  • 2006 DODGE MAGNUM
  • 112,000 MILES
Car will not charge! New battery new alternator and new PCM. Any ideas?
Thursday, July 20th, 2023 AT 3:06 AM

5 Replies

Tiny
JACOBANDNICKOLAS
  • MECHANIC
  • 110,194 POSTS
Hi,

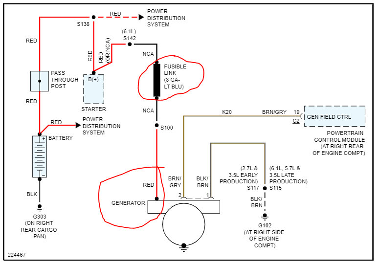
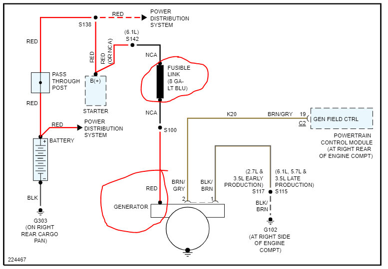
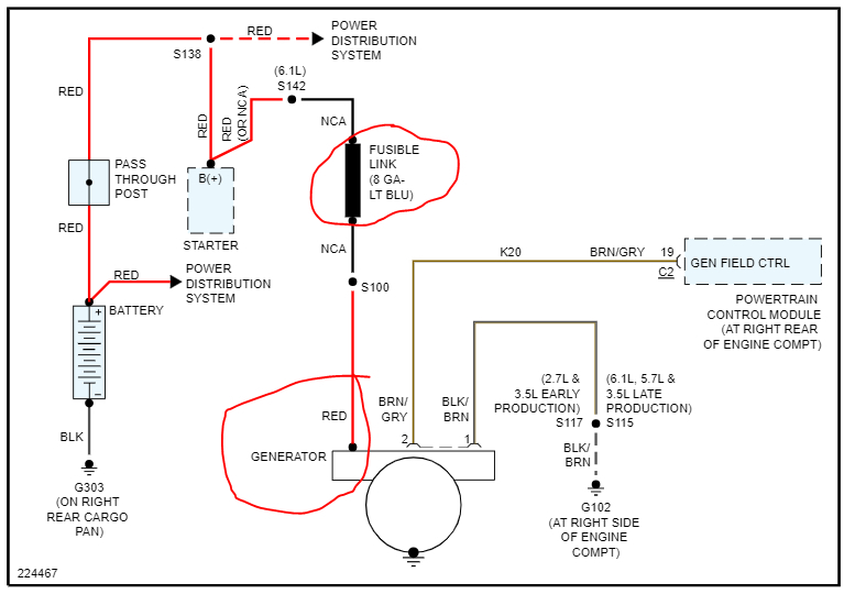
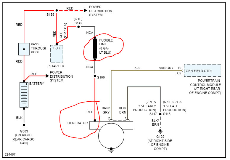
There is a red wire on the alternator that should have 12v at all times. Can you check that for me? That wire comes from the starter motor and has a fusible link built into it. If the link failed, you won't have power at the wire and the battery won't charge. (See pic below)

Check this and let me know the results.

Take care,

Joe

See pic below.
Was this
answer
helpful?
Yes
No
Thursday, July 20th, 2023 AT 7:48 PM
Tiny
LITTLERONNIE
  • MEMBER
  • 3 POSTS
Yes, the red wire has 12 volts, which is the only wire coming off the alternator that has any juice.
Was this
answer
helpful?
Yes
No
Friday, July 21st, 2023 AT 2:11 AM
Tiny
JACOBANDNICKOLAS
  • MECHANIC
  • 110,194 POSTS
Hi,

If you have power, confirm there is continuity to ground via the brown wire with a black tracer. If there is power and ground, either the alternator is no good or the PCM you got is no good. Other than those two things, an open between the alt and PCM or poor connection can cause it. However, that should be visible.

Let me know.

Joe
Was this
answer
helpful?
Yes
No
+1
Friday, July 21st, 2023 AT 7:21 PM
Tiny
LITTLERONNIE
  • MEMBER
  • 3 POSTS
So, I do have continuity in the brown with black wire. How do I test the PCM?
Also, in reference to your coment, an open what?
Was this
answer
helpful?
Yes
No
Monday, July 24th, 2023 AT 6:50 PM
Tiny
JACOBANDNICKOLAS
  • MECHANIC
  • 110,194 POSTS
Hi,

We need to check the voltage at the battery with the engine off and the engine running. If we have power and ground for the alternator and the alternator is good, the PCM is the next suspect. If it isn't changing (charging), the PCM is the likely cause.

As far as an "open", when you have a wire that doesn't have continuity, it is referred to as an open circuit. Basically, it isn't complete. When a light switch is in the on position, the switch is closed allowing power to flow. When you turn it off, you "open" the connection so power can't flow.

Here is a link that explains how to check voltage:

https://www.2carpros.com/articles/how-to-check-a-car-alternator

Let me know what you find.

Take care,

Joe

Was this
answer
helpful?
Yes
No
Monday, July 24th, 2023 AT 9:46 PM

Please login or register to post a reply.