Alternator not charging

Tiny
IMAPAYNE
  • MEMBER
  • 2005 CHEVROLET COBALT
  • 2.2L
  • 4 CYL
  • 2WD
  • AUTOMATIC
  • 159,000 MILES
Alternator is not charging and cannot find good detailed diagram.
Thursday, September 13th, 2018 AT 11:25 AM

1 Reply

Tiny
CJ MEDEVAC
  • MECHANIC
  • 11,005 POSTS
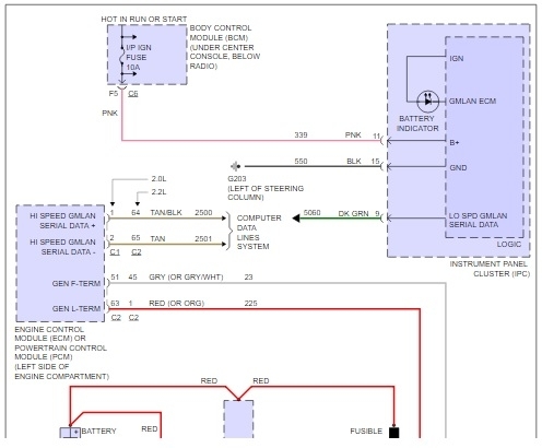
The first diagram stacks on the other (It took two screenshots to get it from "Prodemand"). I insured there was overlap so nothing is lost.

Prodemand diagrams show the locations of items.

I would check out the fusible link!

Here other information that might help too. It is from "Repair Guides" at the top right of our pages.

https://www.2carpros.com/articles/how-to-check-a-car-alternator

Let us know what you find.

The Medic

Was this
answer
helpful?
Yes
No
Thursday, September 13th, 2018 AT 6:48 PM

Please login or register to post a reply.