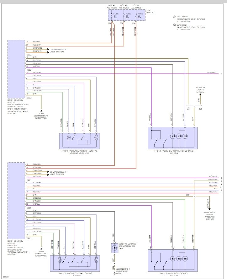
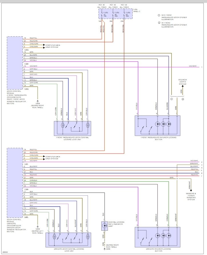
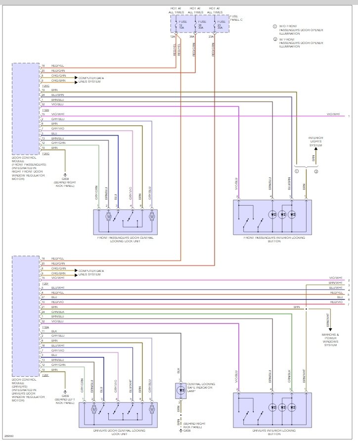
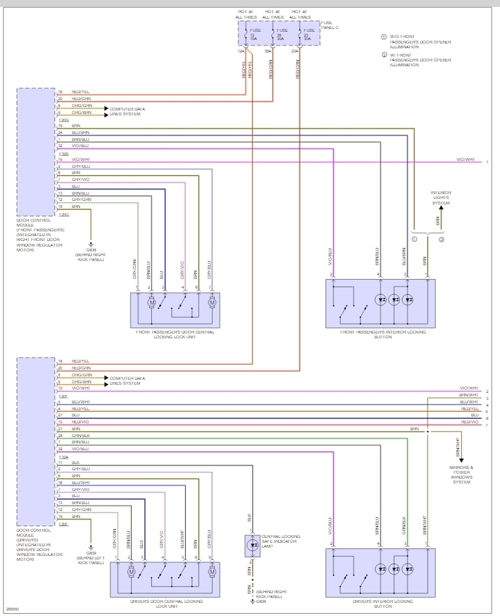
I purchased my Audi A3 Sportback 2008 about a month ago. When I first got it, I could only unlock the drivers door by the actual key in the door. This would not disable the alarm so I would have to put the key in the ignition asap to disable the alarm from going off every time I got in. I would have to lean over and open my passenger door from the inside, and I have never seen the trunk. The whole car would lock by the key fob button.
I got the impression the battery may be low, so I purchased a new one. I tried it all yesterday and it now it unlocks the drivers door by the button on the key fob, but still not the passenger door or the trunk I dont know if this disables the alarm yet because sometimes it would go off before, and sometimes it would not pick anything it by the time I had the key in the ignition.
I do not really fancy taking it to the dealership because I think they are just over priced thieves, I would rather re-frame from that. I would love to actually see my trunk for the first time.
Thank you in advance
Monday, April 4th, 2016 AT 3:48 AM


