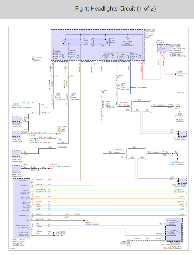
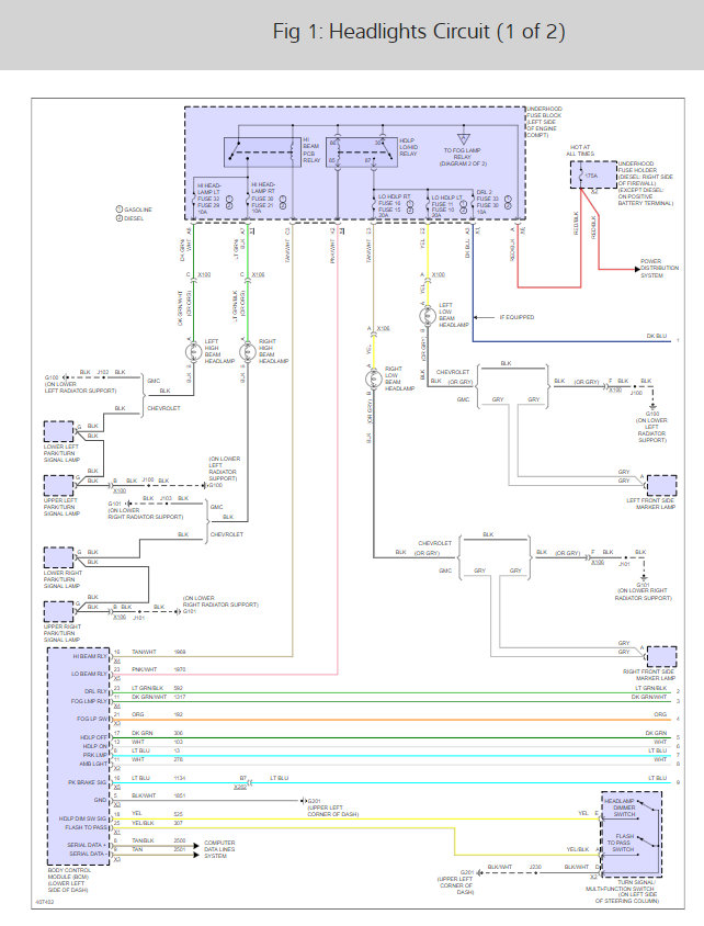
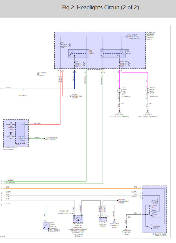
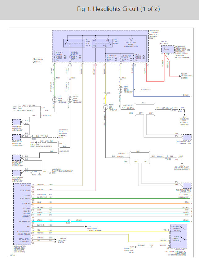
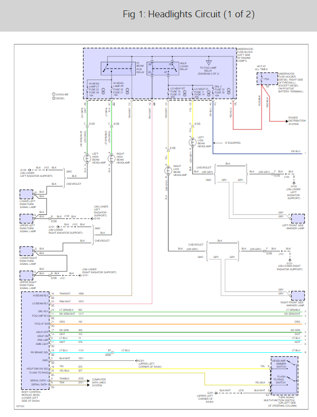
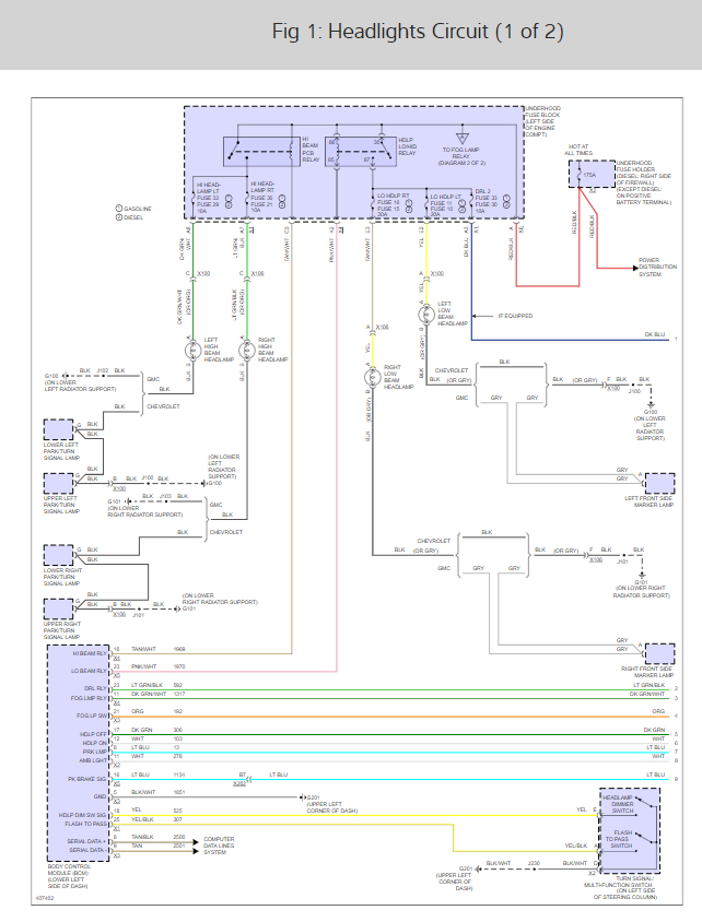
i have the truck listed above it is a 1500. im trying to connect the CCFL (cold cathode fluorescent lights) and LED wires to my headlight harness but not sure which one. the instruction that came with it has a three wires (ground, running light, turn signal light) i have mostly two except for the signal that has five and four. i need help!
Apr 4, 2018 at 10:09 AM

