HOME
ASK A QUESTION
REPAIR GUIDES
BECOME A MEMBER
LOG IN
Login with Facebook
OR
Remember me
NOT A MEMBER?
FORGOT PASSWORD?
CONTACT US
PRIVACY POLICY
TERMS AND CONDITIONS
☰
Home
Nissan
Maxima
Engine
Symptoms
Not Cranking Over
Car will not crank
CATHERINE MELISSA ROBINSON
MEMBER
1995 NISSAN MAXIMA
6 CYL
2WD
AUTOMATIC
153,000 MILES
Security light flashing, battery when dead, car wont crank, tried jumping didn't work. First time I drove car, just bought it.
Monday, March 4th, 2019 AT 9:27 PM
1 Reply
SCGRANTURISMO
MECHANIC
4,897 POSTS
Hello,
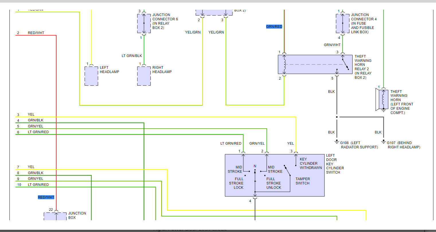
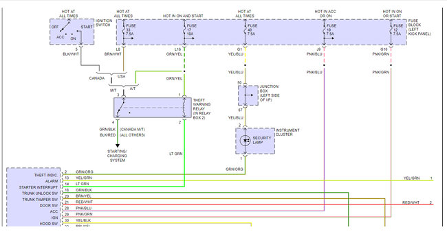
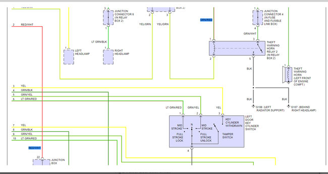
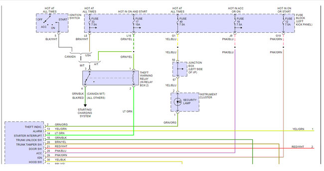
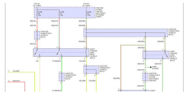
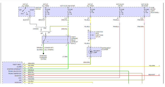
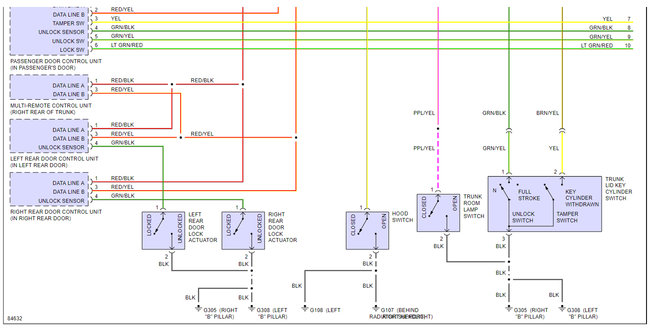
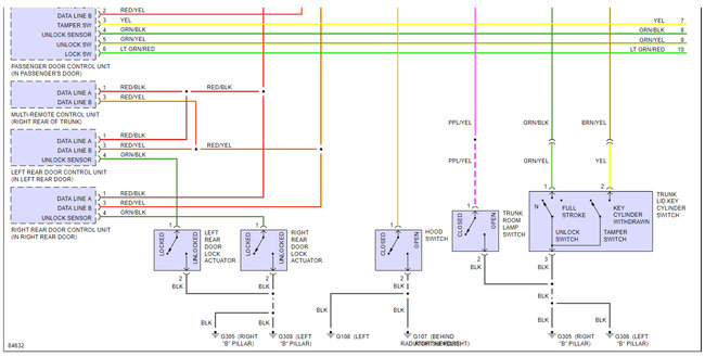
This could be a problem with your vehicle's Body Control Module (BCM). I have included a link down below for you to go to.
https://www.2carpros.com/articles/how-to-reset-a-security-system
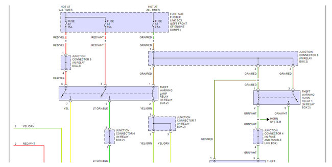
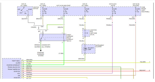
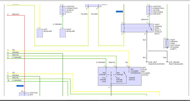
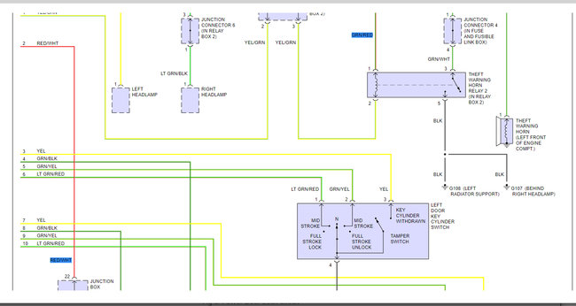
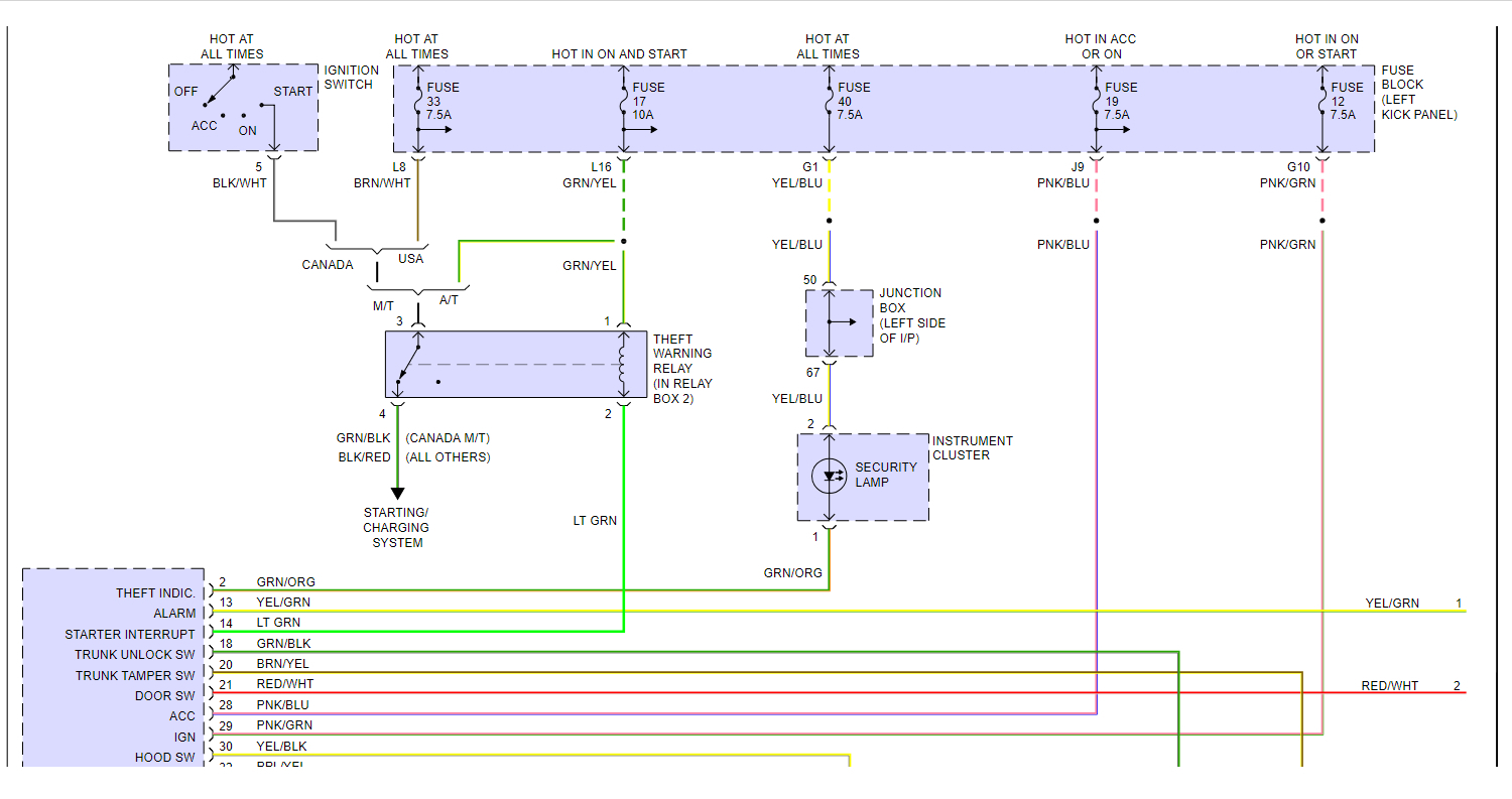
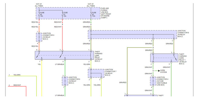
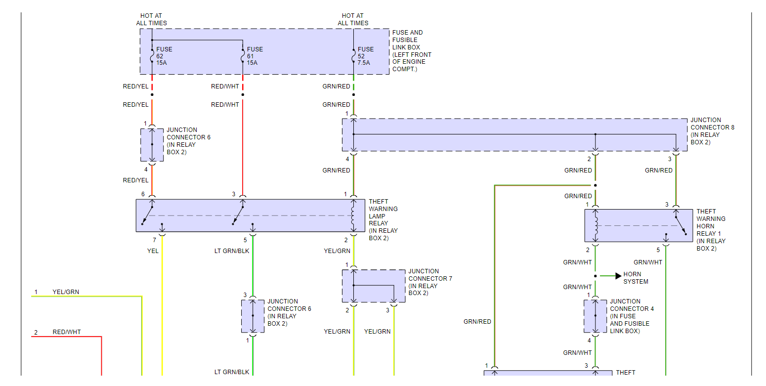
Please go through this guide. I have also included vehicle specific information in the diagrams down below. Please go through all the material and let us know what you find out.
Thanks,
Alex
2CarPros
Images (Click to make bigger)
Was this
answer
helpful?
Yes
No
+1
Monday, March 4th, 2019 AT 11:11 PM
Please
login
or
register
to post a reply.
Related Engine Not Cranking Over Content
Car Will Not Turn Over
Engine Mechanical Problem 2003 Nissan Maxima 6 Cyl Front Wheel Drive Automatic Car Will Not Turn Over Manually I Took Out Starter And 3...
Asked by
jroch1954
·
23 ANSWERS
2003
NISSAN MAXIMA
VIDEO
Car Not Cranking? Try This | EASY
Instructional repair video
GUIDE
Starter Not Working
This guide is designed to help you identify whether the issue with your non-working starter motor is due to an electrical problem or a fault within the starter motor itself...
2003 Nissan Maxima Engine Won't Do Anything
Earlier Before I Had My Problem I Was Driving And The Service Engine Soon Light Came On. Now For The Problem, When I Tried To Start My Car...
Asked by
matt194
·
1 ANSWER
2003
NISSAN MAXIMA
Engine Stalls
Hey, Im Having A Problem With My 95 Nissan Maxima And Wanted To Know If Anyone Could Help. When Im Stopped At A Red Light My Vehicle Rpm...
Asked by
MGD448
·
50 ANSWERS
1995
NISSAN MAXIMA
1995 Nissan Maxima Engine Shuts Off
Engine Problem 1995 Nissan Maxima 122500 Miles While Driving, The Rpm Drops And The Engine Shuts Off. It Will Start Back Up...
Asked by
m_jackson
·
1 ANSWER
1995
NISSAN MAXIMA
Will Not Start
Nissan Maxima 95 A32 Engine Backfires But Will Not Start?
Asked by
MARKA32
·
1 ANSWER
1995
NISSAN MAXIMA
VIEW MORE
Ask a Car Question. It's Free!
Car Not Cranking? Try This | EASY
Battery Replacement Toyota
How to Test a Car Battery