Code P0461?

Tiny
ROBB1994
  • MEMBER
  • 2011 CHEVROLET IMPALA
  • 3.5L
  • 5 CYL
  • AUTOMATIC
  • 127,000 MILES
Car is giving me code p0461, but a mechanic said it could be my alternator.
Sunday, September 3rd, 2023 AT 3:32 PM

3 Replies

Tiny
JACOBANDNICKOLAS
  • MECHANIC
  • 110,192 POSTS
Hi,

I feel it is unlikely the alternator. The issue is related to the fuel level sensor circuit. Is there a reason he indicated a possible alternator issue? If you are questioning a charging issue, do this. Here is a link that explains how to test an alternator. You will need a voltmeter or multimeter. Follow these directions and see if the alternator is doing its job.

https://www.2carpros.com/articles/how-to-check-a-car-alternator

If you look below, I attached the description and diagnostics for the code. Take a look through them and let me know if you are comfortable performing them.

Take care,

joe

See pics below.
Was this
answer
helpful?
Yes
No
Sunday, September 3rd, 2023 AT 11:39 PM
Tiny
ROBERT D GRAY
  • MEMBER
  • 5 POSTS
Sorry I put the wrong code, it’s p0641, but earlier we tried a different battery, and it cranked right up.
Was this
answer
helpful?
Yes
No
Sunday, September 3rd, 2023 AT 11:42 PM
Tiny
JACOBANDNICKOLAS
  • MECHANIC
  • 110,192 POSTS
Hi,

No problem whatsoever. That is certainly a different code. LOL However, the battery isn't the issue.

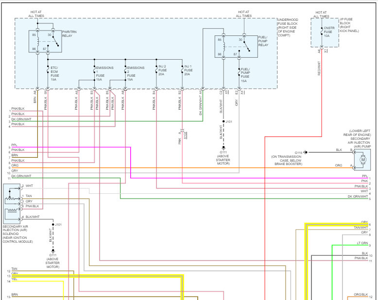
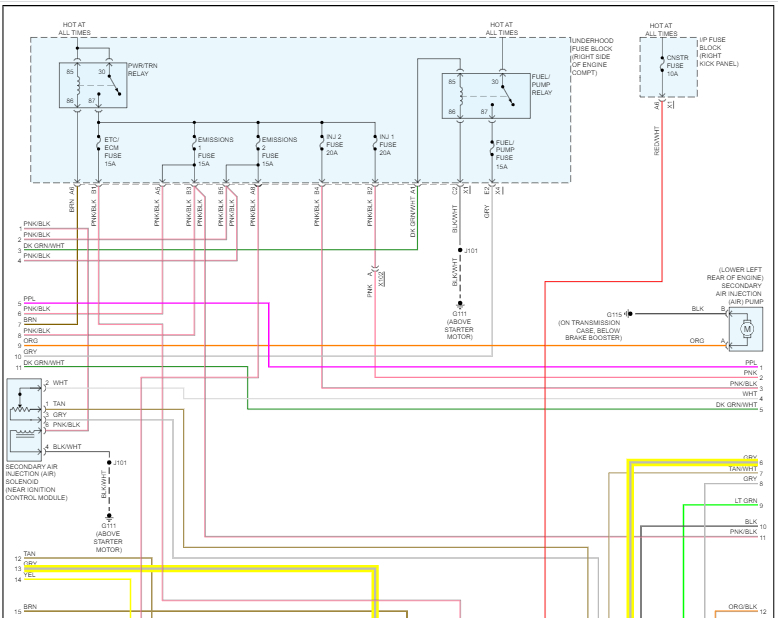
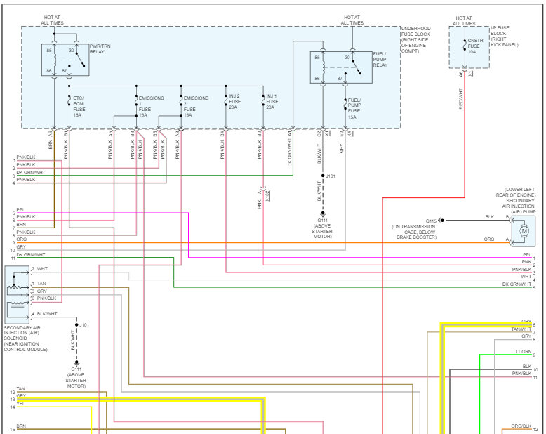
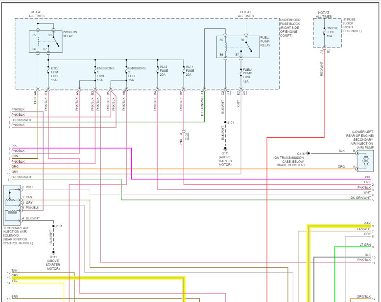
The engine control module (ECM) has 2 internal 5 V reference circuits. Each internal reference circuit provides a 5 V reference for more than one sensor. The code indicates there is a short to either ground or voltage on one of the 5 V reference circuits.

So, what needs to be done is to first identify the 5v references at the ECM/PCM. Confirm there is a 5v reference from them. If there is, then you will need to check each of the sensors that the ECM sends the power to for a short. Either it will have power or it won't.

I have attached the diagnostics below and the powertrain management wiring schematics below. Additionally, I attached a pinout of the connector.

I also highlighted the relevant wiring and what needs to be checked and the pinout information for the ECM.

Let me know if this helps or if you have other questions. Also, let me know if you are experiencing any symptoms other than the light. It may help me narrow things down.

Take care,

Joe

See pics below.
Was this
answer
helpful?
Yes
No
Monday, September 4th, 2023 AT 8:24 PM

Please login or register to post a reply.