Car starts but does not shift out of park, fuse panel lost power?

Tiny
BARNOLD05
  • MEMBER
  • 1995 TOYOTA CELICA
  • 2.2L
  • 4 CYL
  • 2WD
  • AUTOMATIC
  • 230,009 MILES
The car will start just fine but will not shift out of park, most of the fuse panel does not have power as well.
Saturday, March 18th, 2023 AT 12:36 PM

1 Reply

Tiny
JACOBANDNICKOLAS
  • MECHANIC
  • 110,194 POSTS
Hi,

Do the brake lamps work? I ask because the power from the brake lamp switch powers the shift lock actuator.

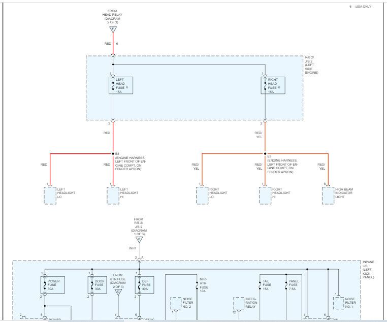
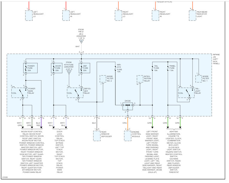
Next, which fuses in the vehicle are not working? The fuses in the vehicle receive power from other fuses upstream. If I know which doesn't have power, I can trace it back for you.

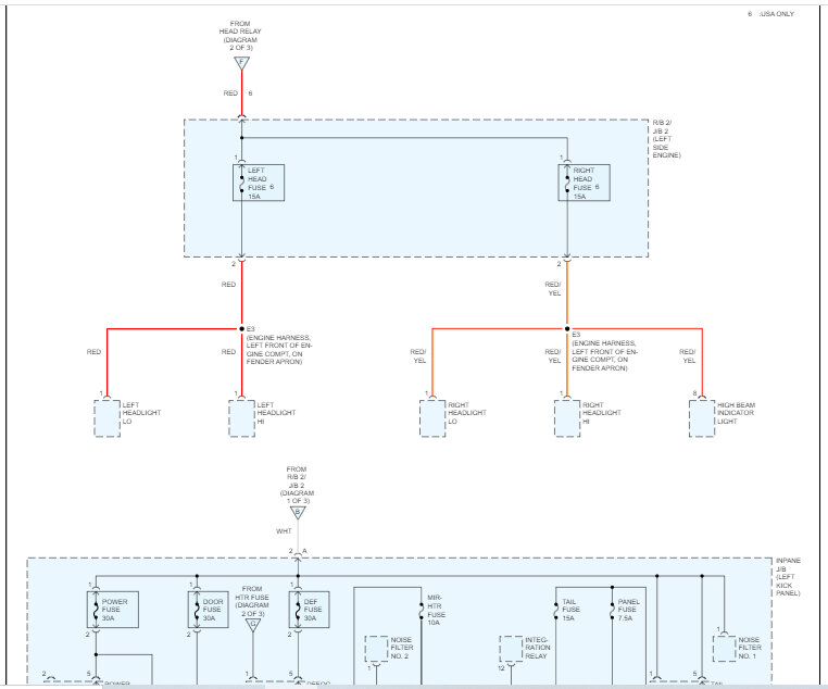
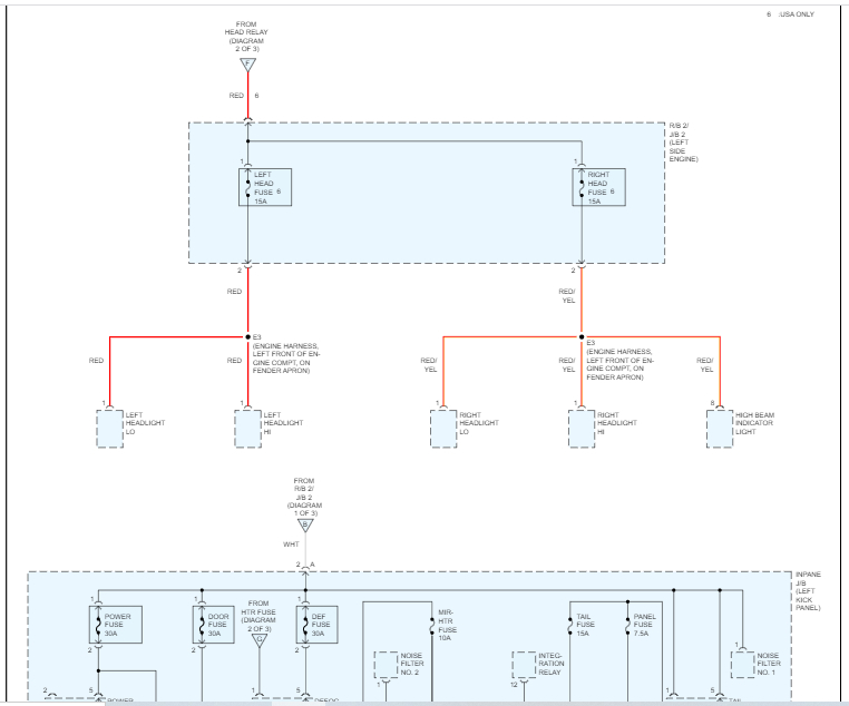
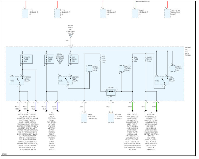
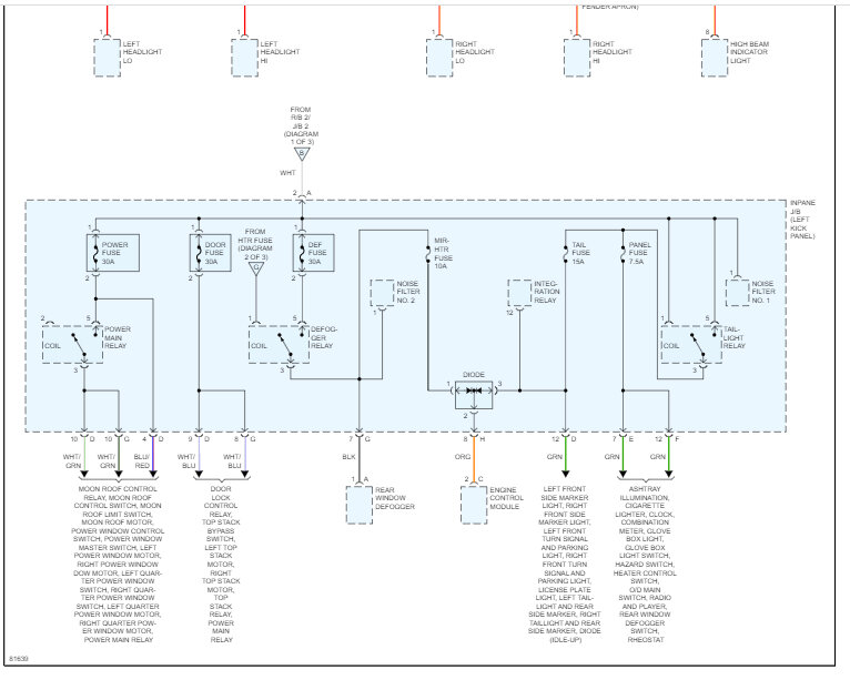
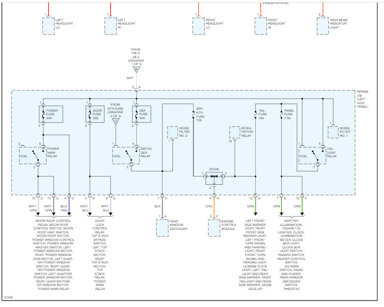
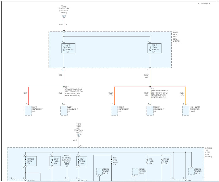
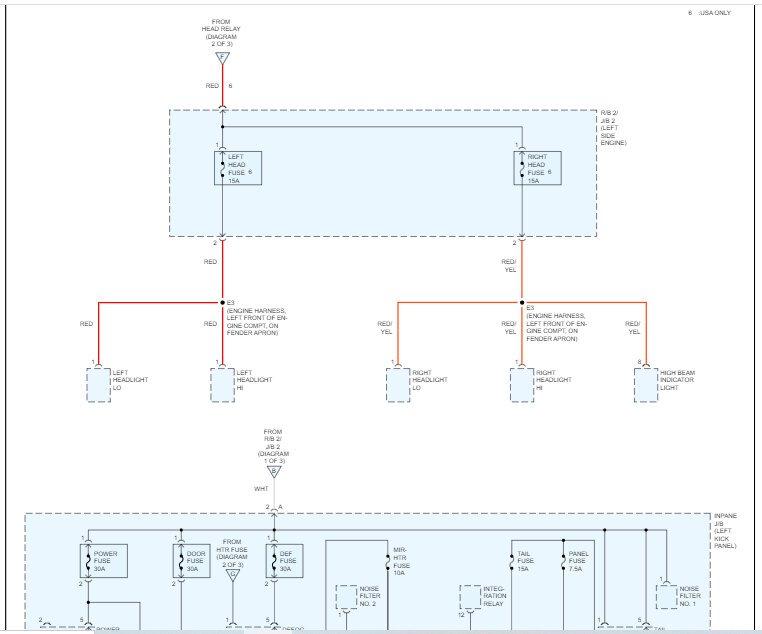
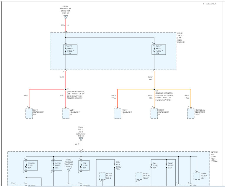
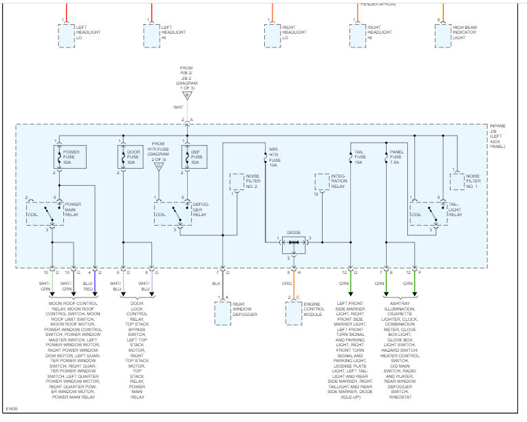
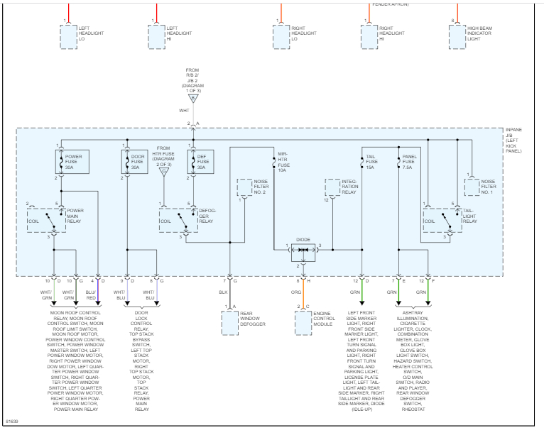
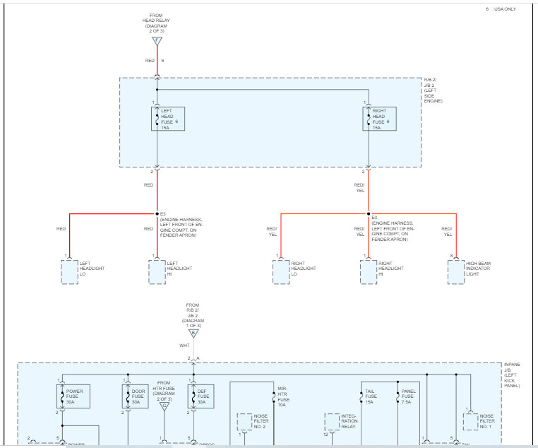
I attached the power distribution schematics below, so you have a reference. Note that the schematics were three pages long. To make them readable for you, I had to cut them in half. I did overlap them so you can follow from one to the next.

Let me know if this helps or which fuses are working. Also, pay attention to the brake lamps to make sure they are working.

Let me know what you find.

Take care,

Joe

See pics below.
Was this
answer
helpful?
Yes
No
Saturday, March 18th, 2023 AT 2:12 PM

Please login or register to post a reply.