Alternator is not working?

2011 CHEVROLET EQUINOX
125,000 MILES • 2.4L • 4 CYL • 2WD • AUTOMATIC
Avatar
GALEFERDIG
  • MEMBER
  • 1 POST
Replaced the alternator and tested the battery but the cars computer will not top charge the battery. Where is the alternator/battery grounded to?
Dec 3, 2018 at 6:02 PM
Advertisement
Repair Safety Notice: This information is for general instructional purposes only. Vehicle repair can be dangerous. Verify all information, follow manufacturer service procedures, use proper tools and safety equipment, and consult a qualified repair shop when needed.
Avatar
KASEKENNY
  • AUTOMOTIVE REPAIR CONTRIBUTOR
  • 18,907 POSTS
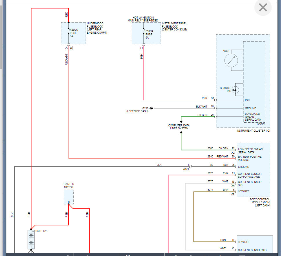
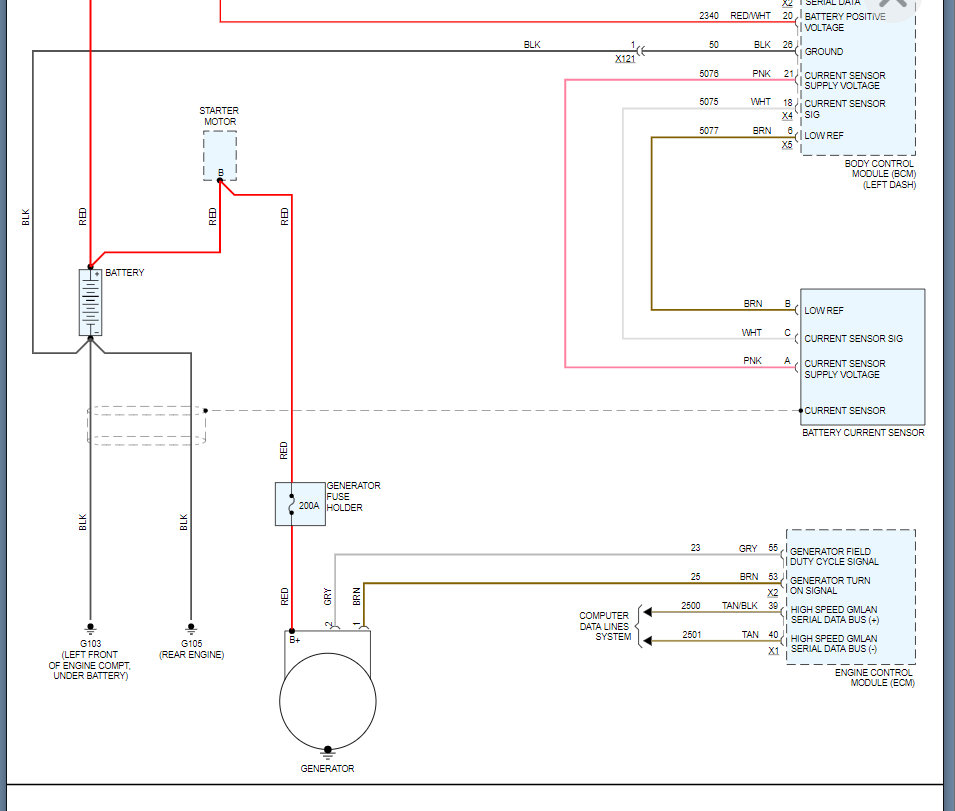
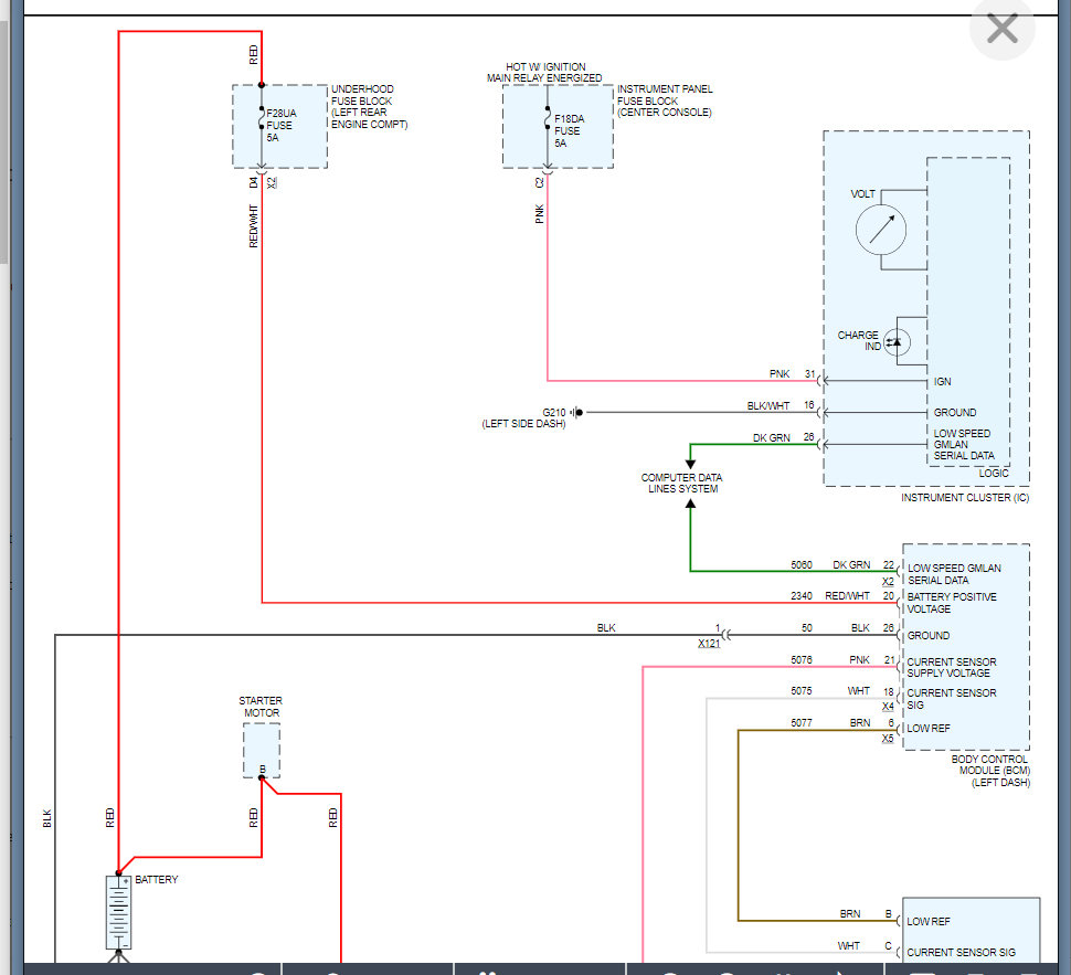
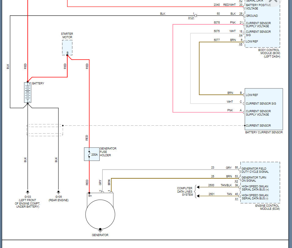
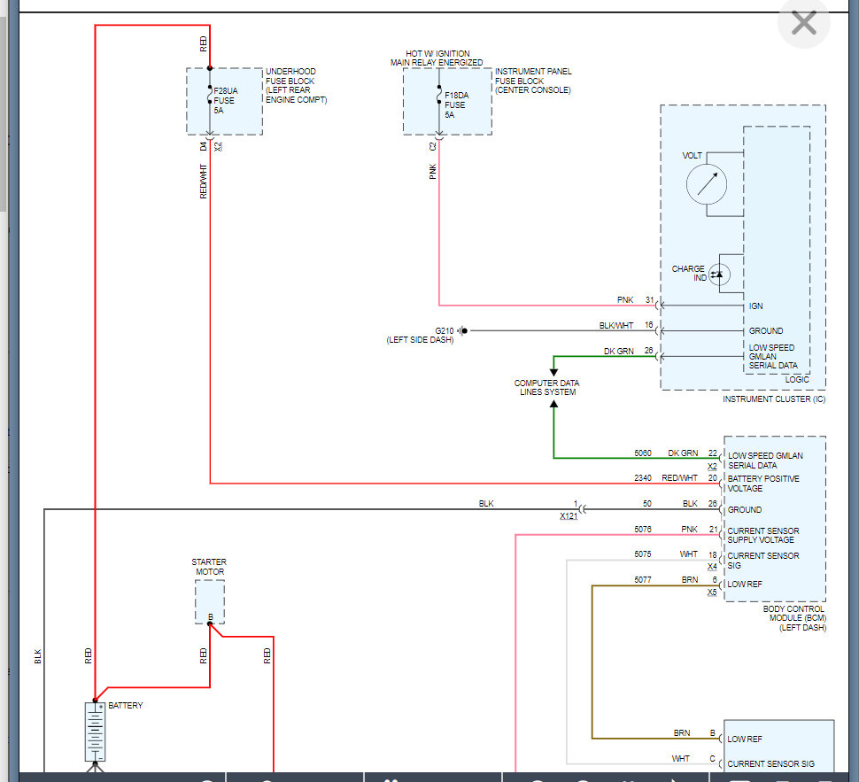
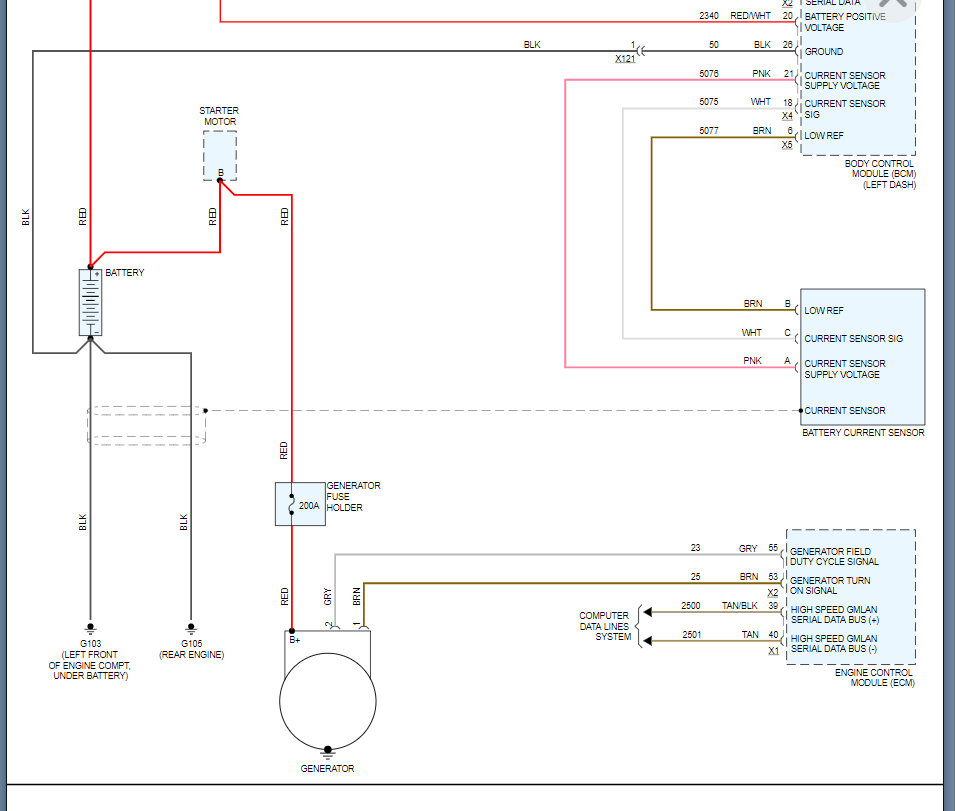
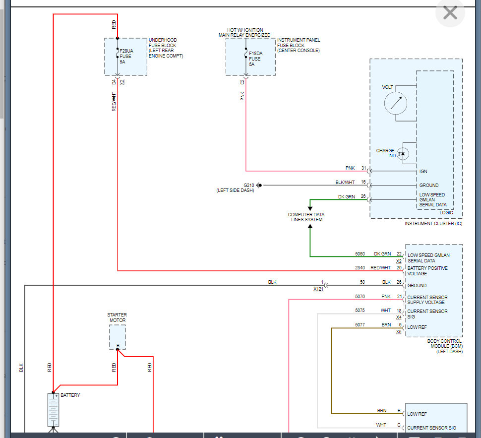
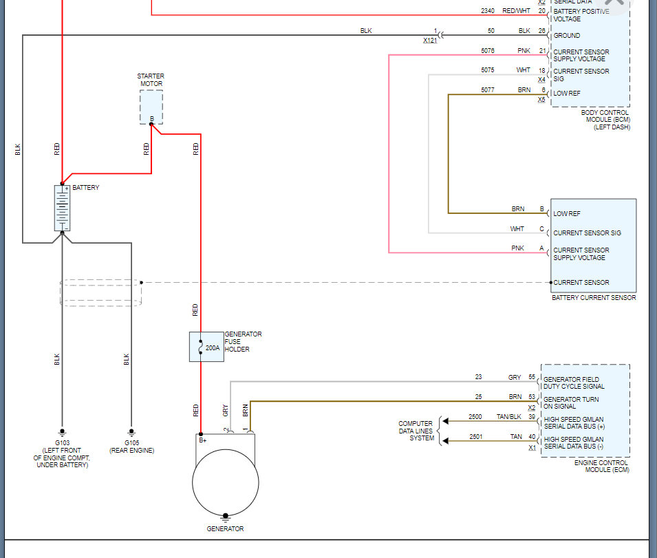
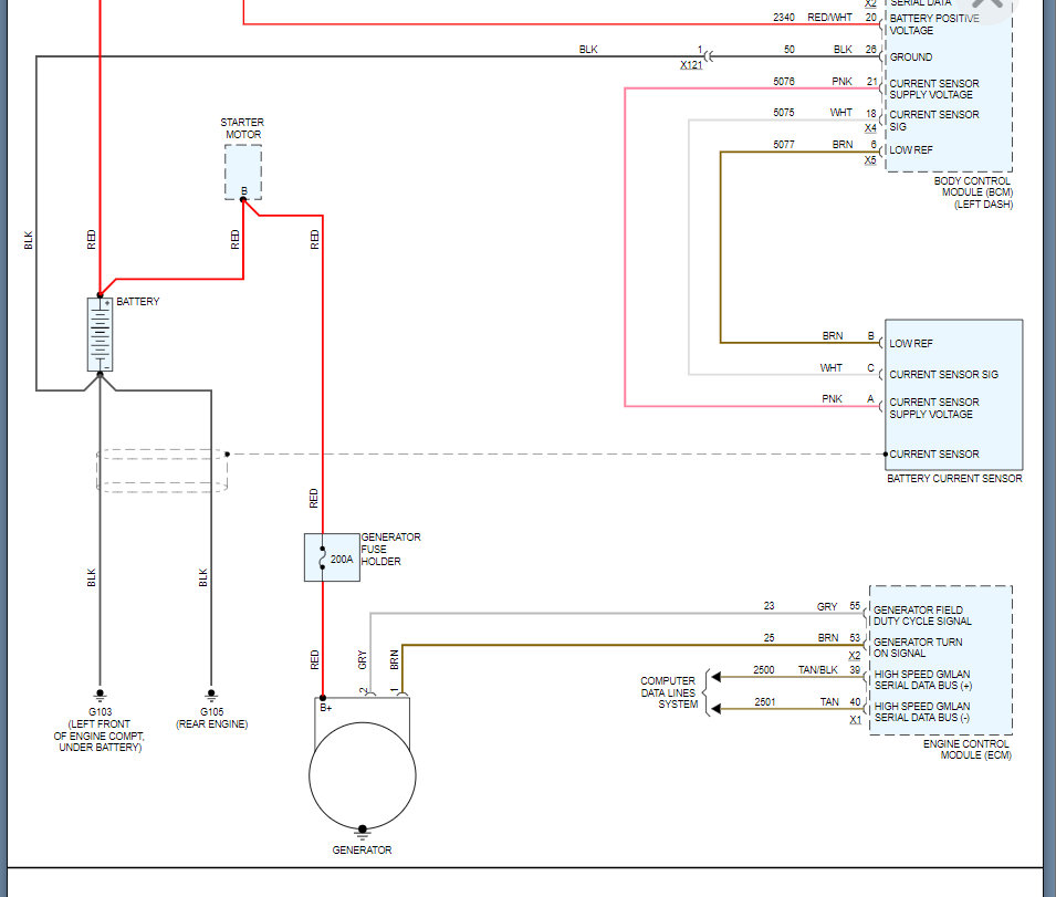
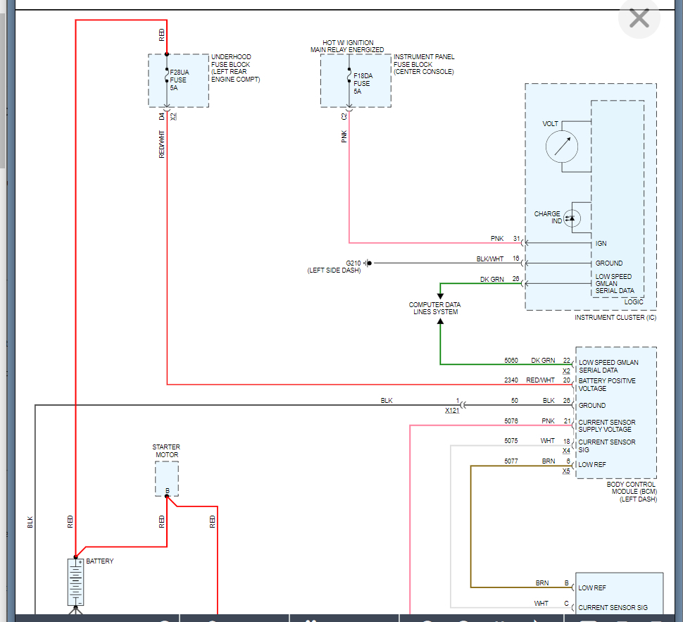
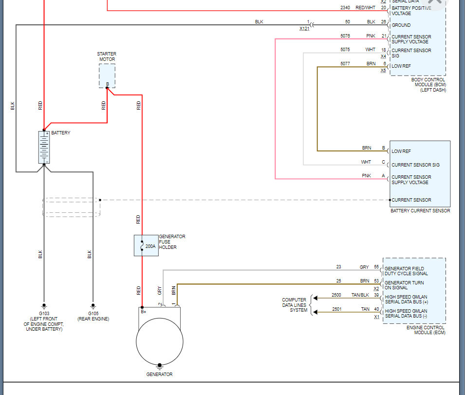
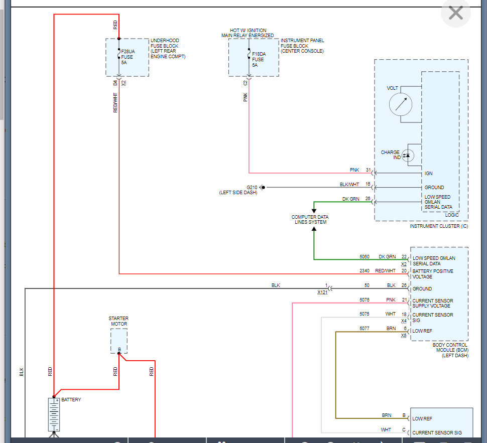
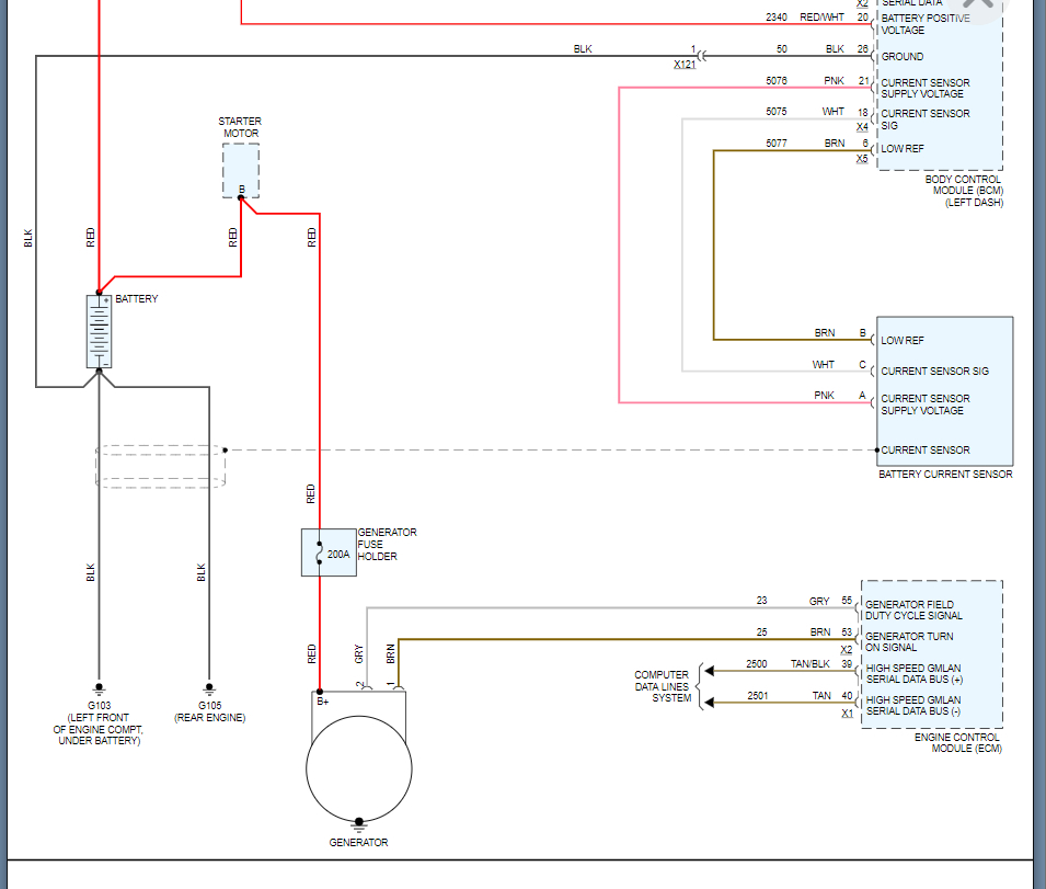
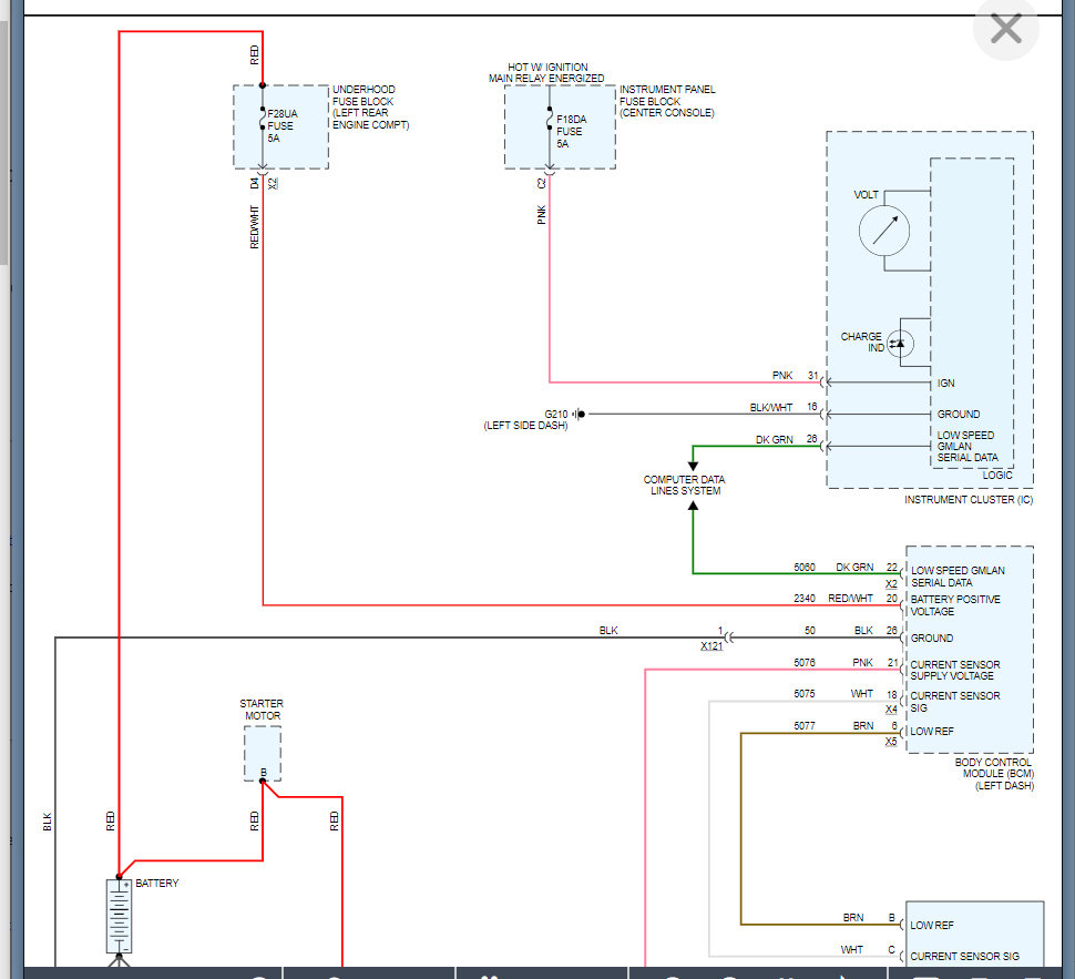
This is a number of possible causes. However, to answer your question the alternator is ground through the engine directly. It basically is metal to metal through the bracket and it grounds this way.

The battery has two grounds one on the rear of the engine and the other under the battery tray.

Here is a guide that will help with testing the alternator just to be sure we did not get a faulty one:

https://www.2carpros.com/articles/how-to-check-a-car-alternator

If the alternator checks out then we need to find out if the ECM is getting the proper voltage as I suspect the next likely cause is the ECM is not allowing the alternator to charge to this level.

Below you will find the wiring diagram that will give you the detail that you will need in order to properly determine if it is the ECM.

Let's run through this info and let us know if you have other questions. Thanks
Jun 10, 2021 at 6:57 PM