Car locks and unlocks itself?

Tiny
NICOLE53
  • MEMBER
  • 2012 JEEP COMPASS
  • 4 CYL
  • AUTOMATIC
  • 125,000 MILES
My car has been locking and unlocking itself back-to-back when shut off causing my headlights to stay on.
Thursday, May 9th, 2024 AT 11:02 PM

1 Reply

Tiny
KEN L
  • MASTER CERTIFIED MECHANIC
  • 55,342 POSTS
This could be one of the door latches is bad which I would guess will be the driver's door if that is the problem, we should run a can to see if any codes show up. You can get a CAN scanner (Controller Area Network) which will work on most cars from Amazon.

Here is a video to show you how:

https://youtu.be/u-4syLc-ifQ

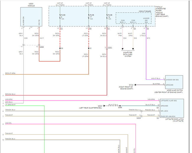
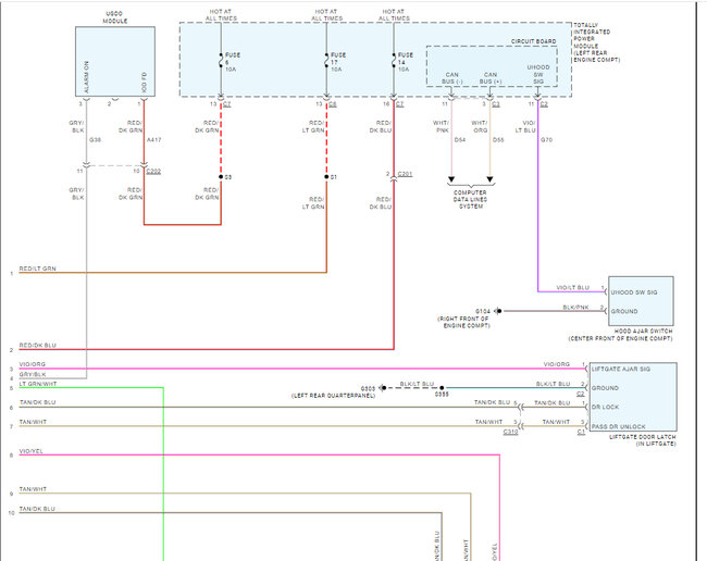
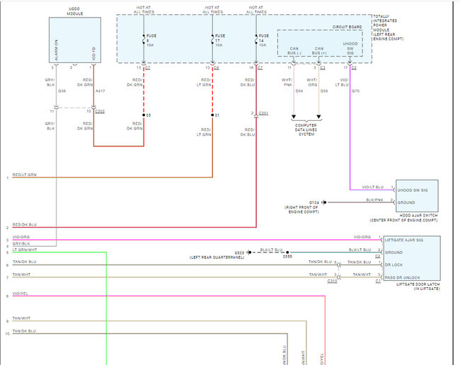
I can tell you that the TIPM in the these cars go out all the time, here are the door wiring diagrams so you can see how the system works, and I have included how to change the TIPM out which is easy to change because it self learns so there is no programming required. Check out the images (below). Please upload pictures or videos in your response to any problems so we can see what to help you with.
Was this
answer
helpful?
Yes
No
+1
Saturday, May 11th, 2024 AT 2:29 PM

Please login or register to post a reply.