Head gasket

Tiny
CHICHA
  • MEMBER
  • 2003 CHEVROLET MALIBU
  • 3.1L
  • V6
  • FWD
  • AUTOMATIC
  • 160,000 MILES
Can an engine burn up coolant? Like an engine can burn up oil? You will hear someone say their engine burns oil, necessitating adding oil periodically. I assume there is no oil leak. But engine coolant, can that be burned up in the absence of a visible leak? I need to check my coolant level about every two months. If I procrastinate, the low-coolant-level light on the dash comes on.
Monday, October 9th, 2017 AT 7:10 PM

7 Replies

Tiny
CARADIODOC
  • MECHANIC
  • 34,468 POSTS
Absolutely. When there is no external leak, the cause is usually a leaking cylinder head gasket. There is a number of tests for that but you have described a real small leak. These tests might not work for such a small leak. The first one is a chemical test at the radiator. GM's engineers left the cap off most of their radiators, so you have to try to do this test at the reservoir. It involves drawing air from the radiator, while the engine is running, through a glass cylinder with two chambers partially-filled with a special dark blue liquid. If coolant is being lost through the head gasket, combustion gases are usually also getting into the cooling system. That will cause the fluid to turn bright yellow.

A better test when the leak is so small is to add a small bottle of dark purple dye to the coolant, then search a day or two later with a black light. The dye will show up as a bright yellow stain. If the head gasket is leaking, you will find the dye inside the tail pipe. Auto parts stores will have the dye for the fluid you want to test, and those that rent or borrow tools should have a black light.
Was this
answer
helpful?
Yes
No
+2
Monday, October 9th, 2017 AT 8:25 PM
Tiny
CHICHA
  • MEMBER
  • 41 POSTS
On a 2003 Chevrolet Malibu, does replacing the head gasket require lifting the engine from the vehicle? About eight years ago, I had to replace the valve lifters. That job required the engine be removed from the vehicle. I remember buying a new head gasket at the time.
Was this
answer
helpful?
Yes
No
Tuesday, October 10th, 2017 AT 4:06 PM
Tiny
CARADIODOC
  • MECHANIC
  • 34,468 POSTS
Neither job requires removing the engine unless there is some inaccessible bolt or bracket. Even that is very uncommon.
Was this
answer
helpful?
Yes
No
Tuesday, October 10th, 2017 AT 6:40 PM
Tiny
CHICHA
  • MEMBER
  • 41 POSTS
Does anyone have a diagram of the position of the engine, and any associated bolts and brackets, on a 2003 Chevrolet Malibu that would confirm or refute the need to remove the engine in order to replace its valve lifters?
Was this
answer
helpful?
Yes
No
Tuesday, October 10th, 2017 AT 9:27 PM
Tiny
KEN L
  • MASTER CERTIFIED MECHANIC
  • 55,322 POSTS
I do not think you need to remove the engine to do the job but you do need to remove the cylinder heads.

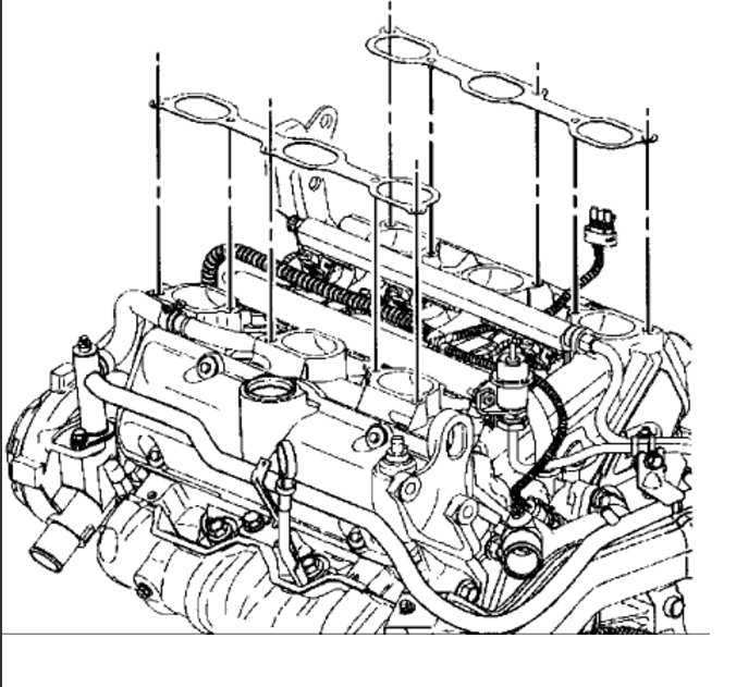
Here is a diagram that shows the heads off when doing the job (below):

Please let us know what happens.

Cheers, Ken
Was this
answer
helpful?
Yes
No
Wednesday, October 11th, 2017 AT 11:09 AM
Tiny
CHICHA
  • MEMBER
  • 41 POSTS
Thanks for all the assistance. I think I may just go ahead and replace the Head Gasket without doing any testing. There is a leak, for sure, and it's not visible. Can someone tell me the parts required for this job. Obviously, (1) Head Gasket. Are new bolts required, as well?
Was this
answer
helpful?
Yes
No
Saturday, October 28th, 2017 AT 2:45 PM
Tiny
KEN L
  • MASTER CERTIFIED MECHANIC
  • 55,322 POSTS
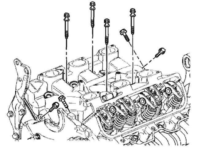
You should install new head bolts, spark plugs and have the heads resurfaced or the new head gaskets are more prone to leak. You should change the oil and filter as well. Here are some more diagrams to help you get the job done.

Install the cylinder head bolts.

Tighten the bolts to 60 Nm (44 ft. Lbs.) In the sequence shown.
Use the J36660-A in order to tighten the bolts an additional 95 degrees.

Let us know what happens and please upload pictures or videos of the problem.

Cheers, Ken
Was this
answer
helpful?
Yes
No
Saturday, October 28th, 2017 AT 5:47 PM

Please login or register to post a reply.