Camshaft positioning sensor

Tiny
TBEESKI
  • MEMBER
  • 1998 CHEVROLET CHEVETTE
  • 5.0L
  • V8
  • AUTOMATIC
  • 206,000 MILES
Needs to replace it
Friday, December 21st, 2018 AT 8:23 AM

1 Reply

Tiny
JACOBANDNICKOLAS
  • MECHANIC
  • 110,194 POSTS
Hi and thanks for using 2CarPros.

Here is a link that shows one being replaced in general:

https://www.2carpros.com/articles/crankshaft-angle-sensor-replacement

Here are the directions specific to your vehicle for replacing the crankshaft position sensor. Note: You indicated this as a 5.0L which isn't an option. The 5.7L was used in these vehicles. Let me know if something was changed. The directions are for the 5.7 and all attached pictures correlate with these directions.

________________________

CRANKSHAFT POSITION SENSOR REPLACEMENT
IMPORTANT: The PCM idle learn procedure must be performed whenever the battery is disconnected. Refer to PCM / Service and Repair / Idle Learn Procedure.

REMOVAL PROCEDURE
1. Disconnect the negative battery cable.
2. Raise the vehicle.

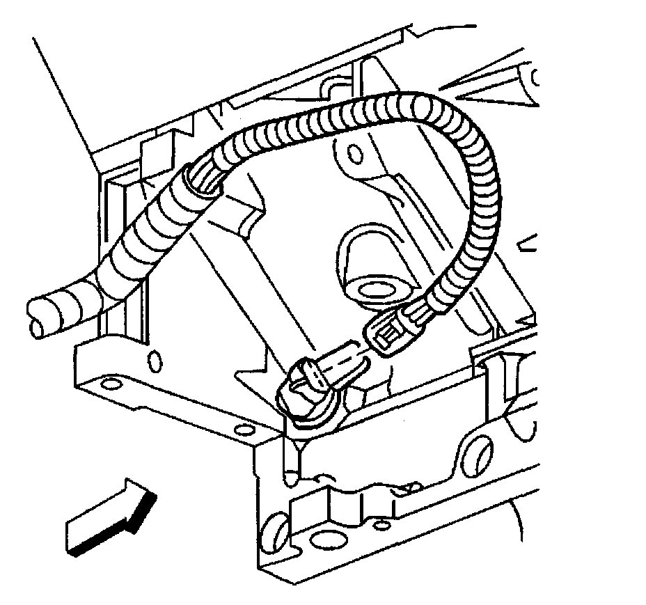
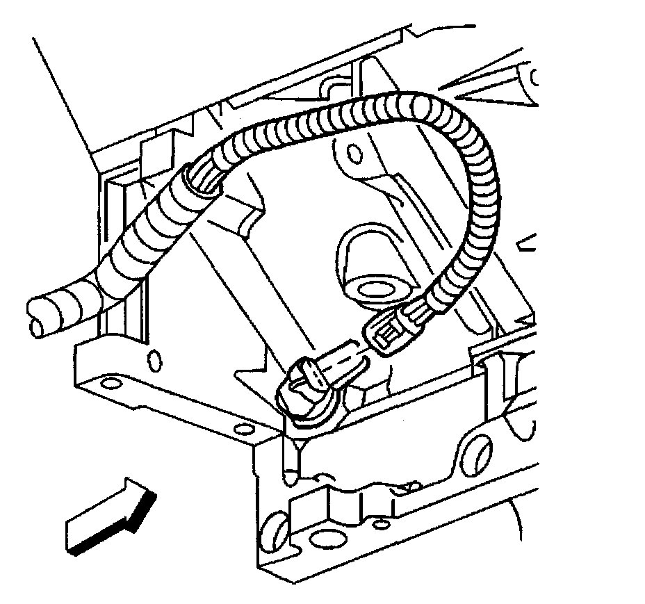
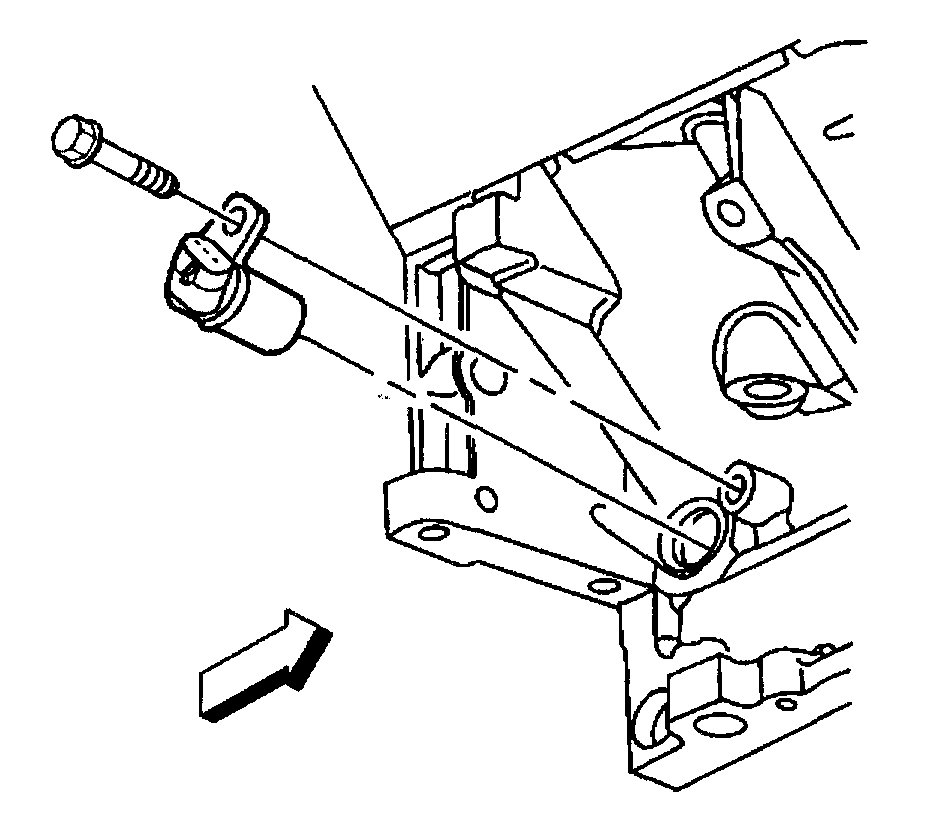
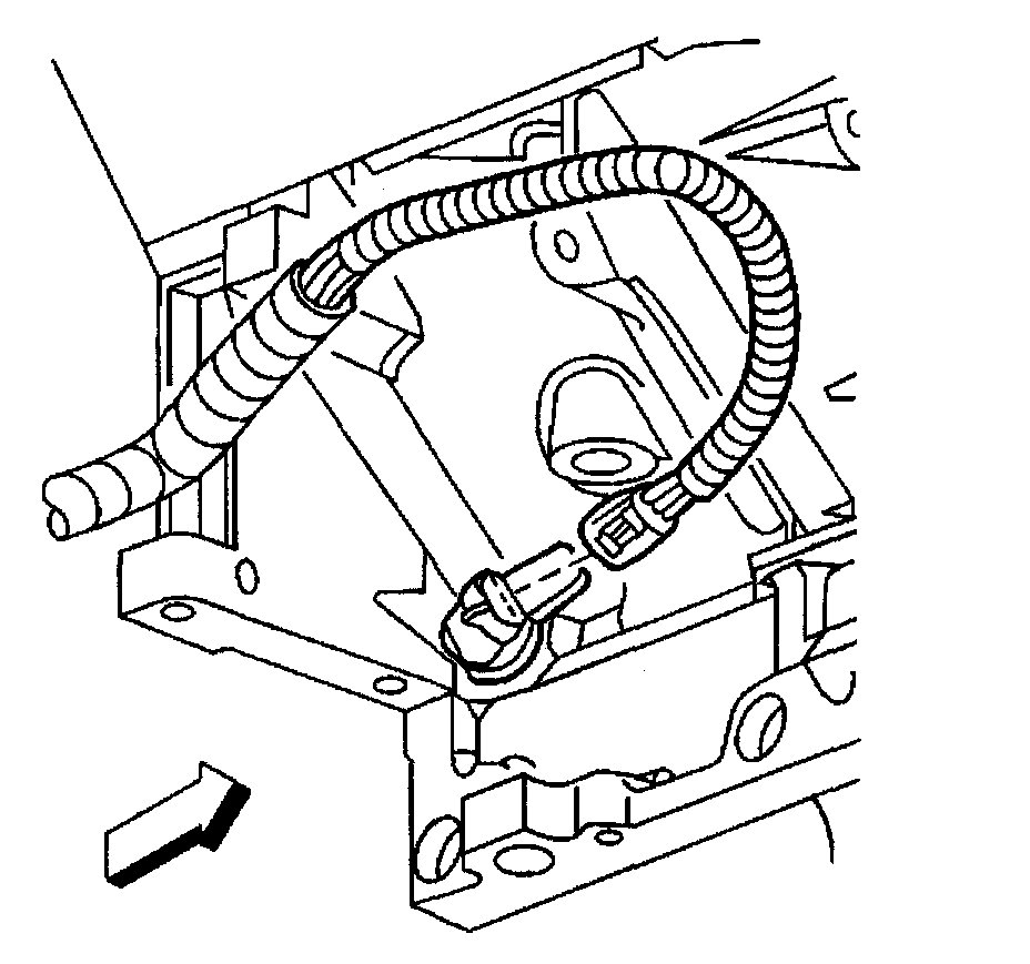
Description

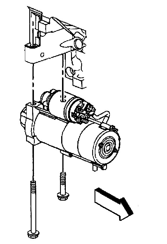
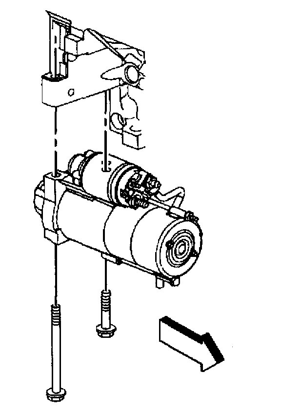
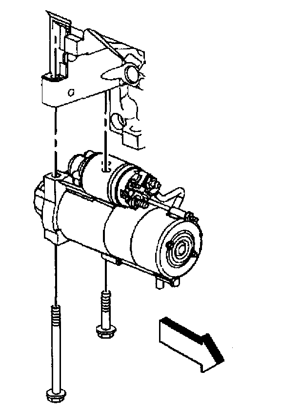
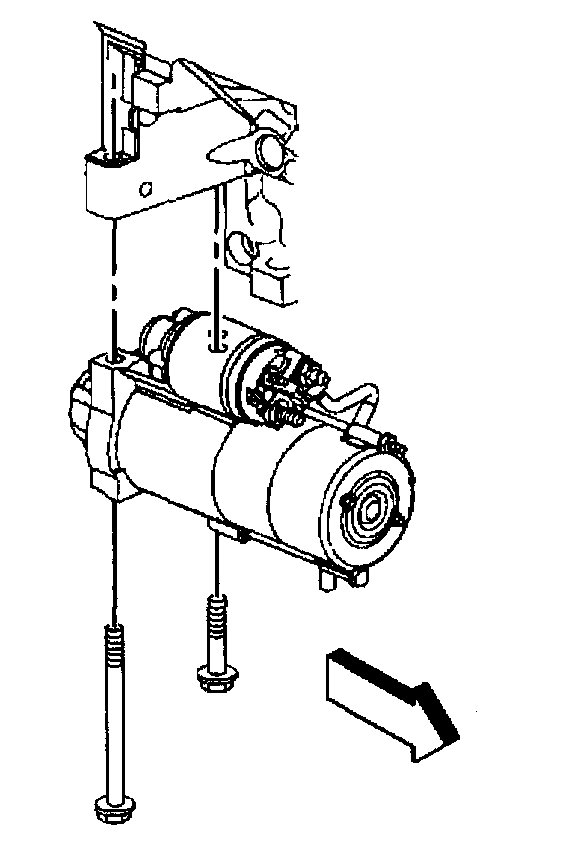
3. Disconnect the starter electrical connectors.

4. Remove the starter.

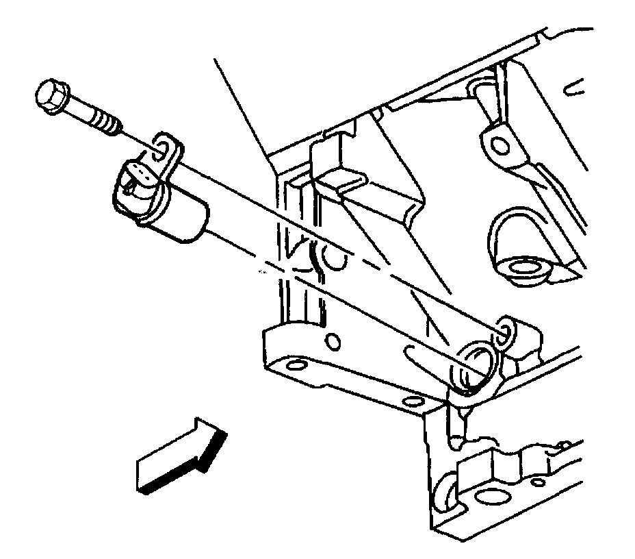
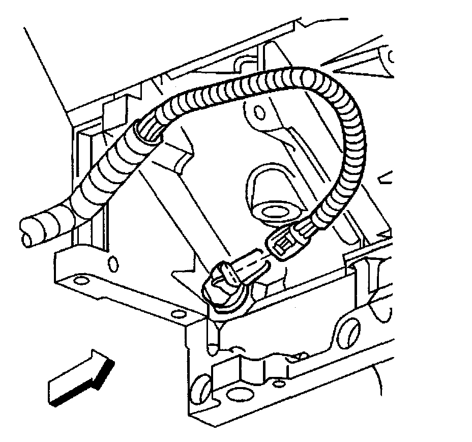
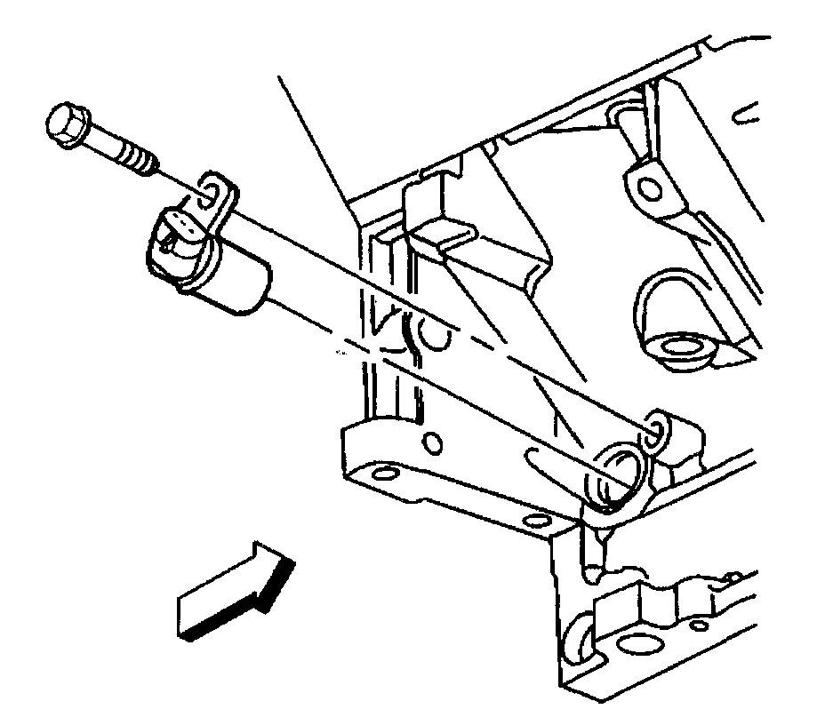
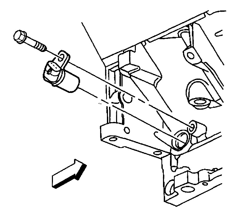
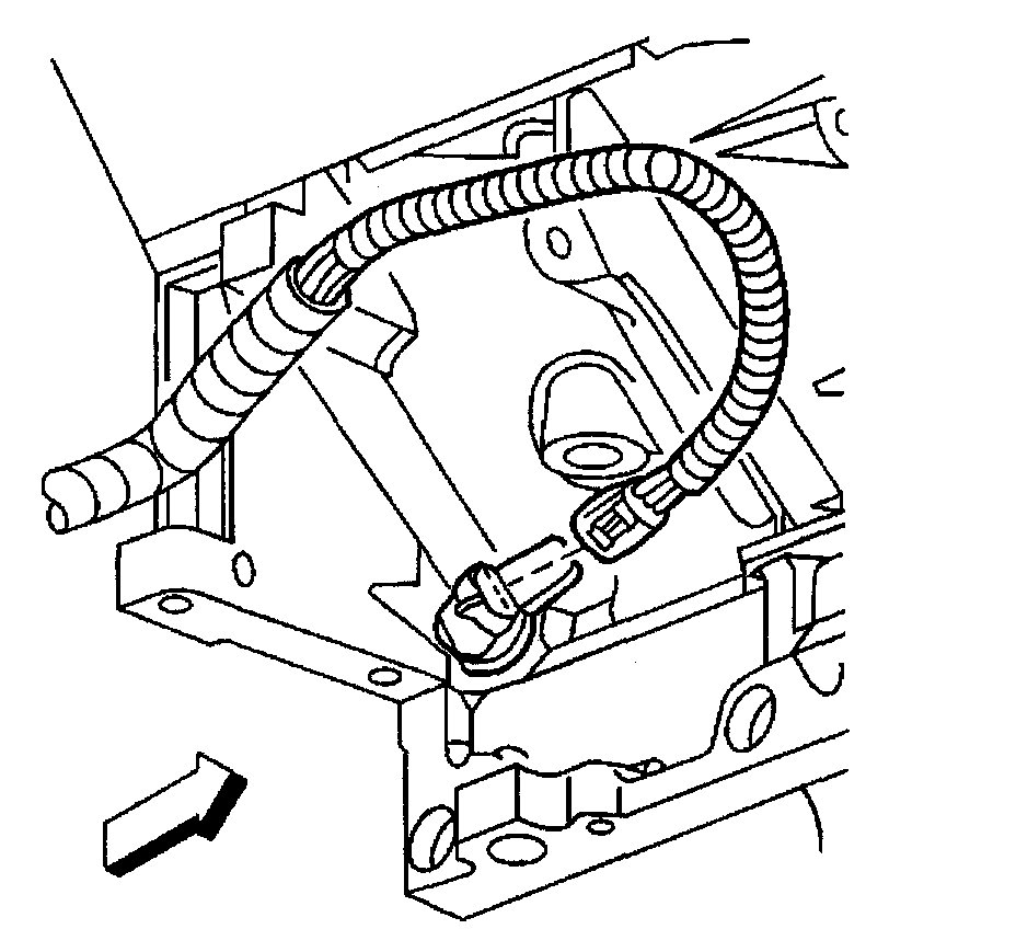
5. Disconnect the Crankshaft Position (CKP) sensor electrical connector.

6. Remove the CKP sensor retaining bolt.
7. Remove the CKP sensor.

INSTALLATION PROCEDURE
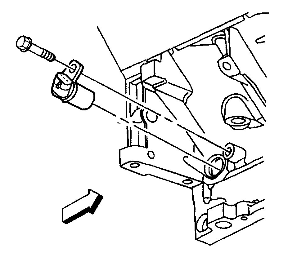
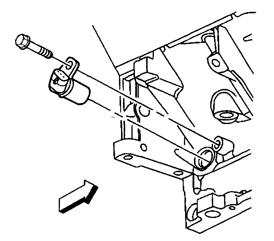
1. Install the CKP sensor.
2. Install the CKP sensor retaining bolt. Tighten the CKP sensor to 25 Nm (18 lb ft).
3. Connect the CKP sensor electrical connector.
4. Install the starter.
5. Connect the starter electrical connectors.
6. Lower the vehicle.
7. Connect the negative battery cable.

_____________________

Let me know if this helps or if you have other questions.

Take care,
Joe
Was this
answer
helpful?
Yes
No
Friday, December 21st, 2018 AT 6:03 PM

Please login or register to post a reply.