Wednesday, March 2nd, 2022 AT 5:36 PM
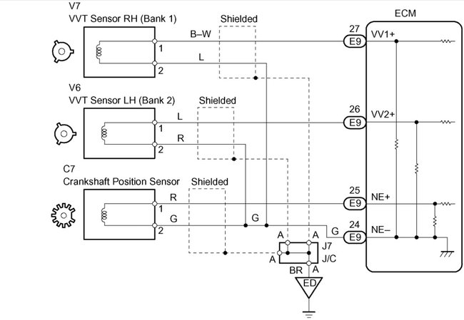
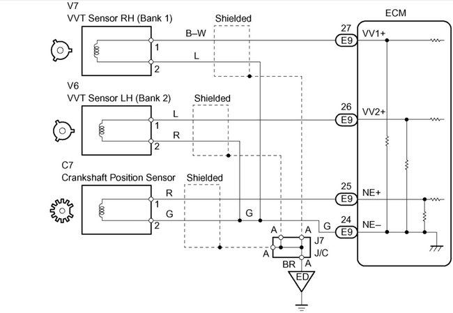
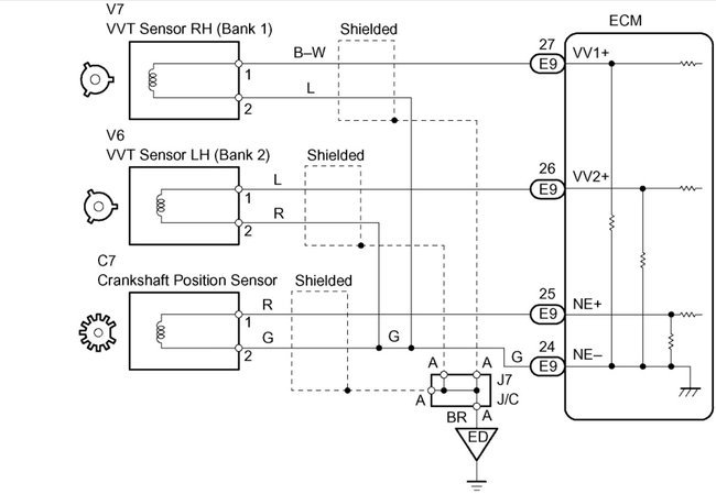
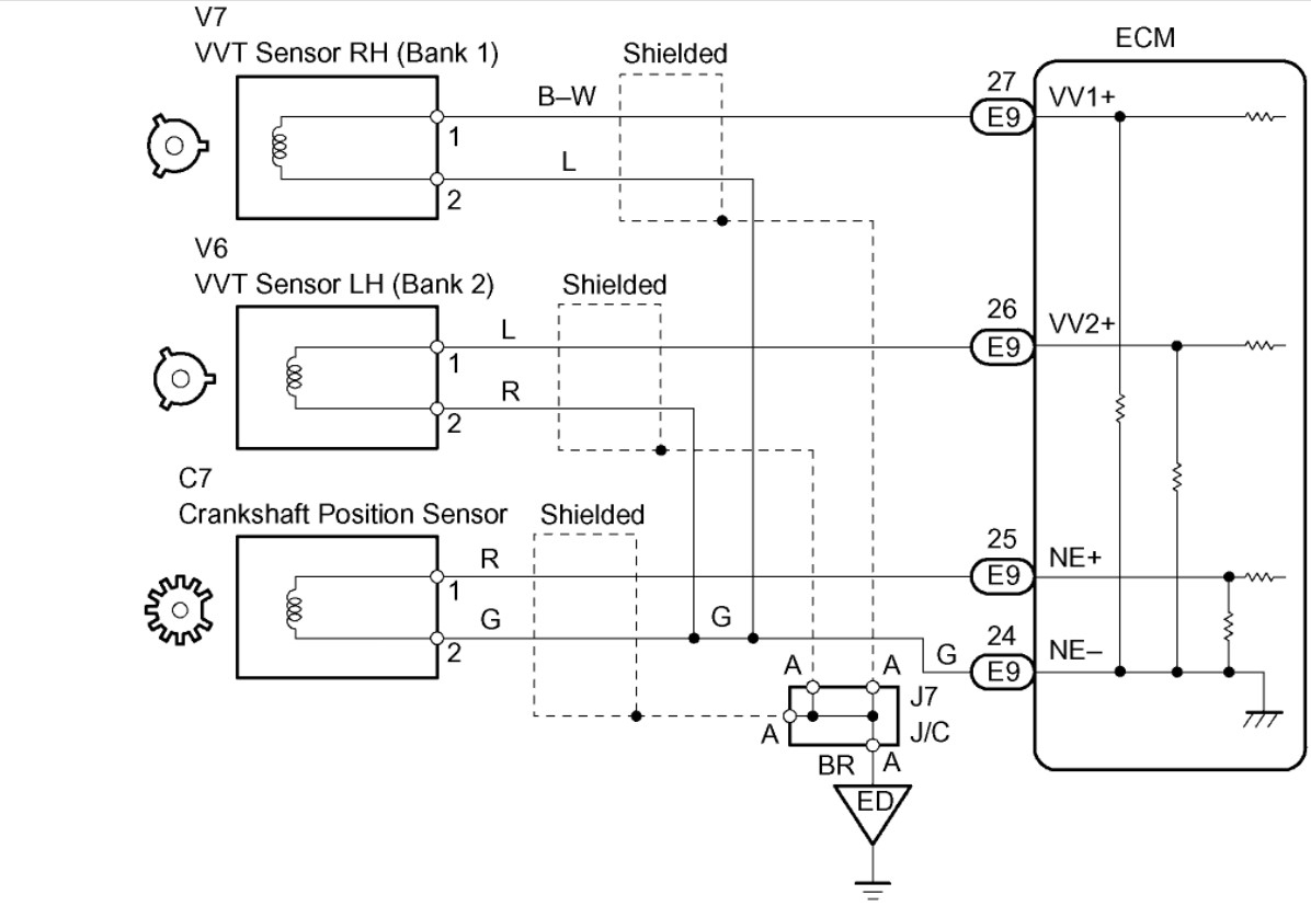
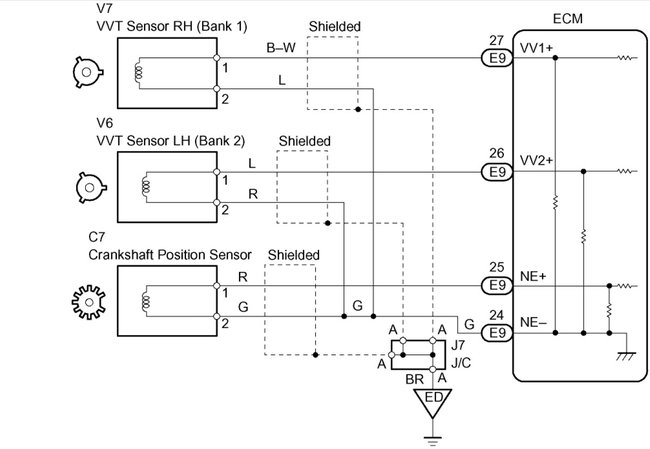
I was told to replace the cam position sensor. I can't find any good diagrams of where these are located. Thanks for your video How to Service Throttle Body Housing and Plates Toyota Highlander V6 3.0 2001-2007. I think two of the sensors are back there. Thanks for your great videos and your help.

