Where is the camshaft position sensor located?

2005 SATURN VUE
200,000 MILES • 2.2L • 4 CYL • 2WD • MANUAL
Avatar
JEFFREY POTTER
  • MEMBER
  • 1 POST
Cannot find the location of camshaft sensor and crank shaft sensor.
May 18, 2024 at 7:40 AM
Advertisement
Repair Safety Notice: This information is for general instructional purposes only. Vehicle repair can be dangerous. Verify all information, follow manufacturer service procedures, use proper tools and safety equipment, and consult a qualified repair shop when needed.
Avatar
AL514
  • AUTOMOTIVE REPAIR CONTRIBUTOR
  • 5,477 POSTS
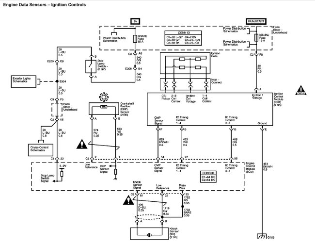
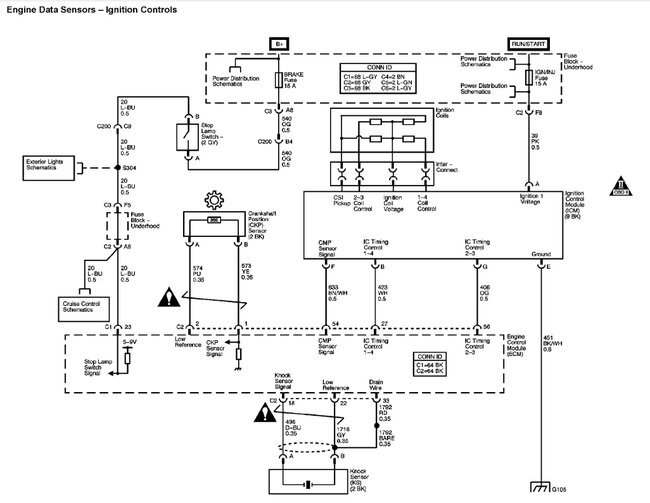
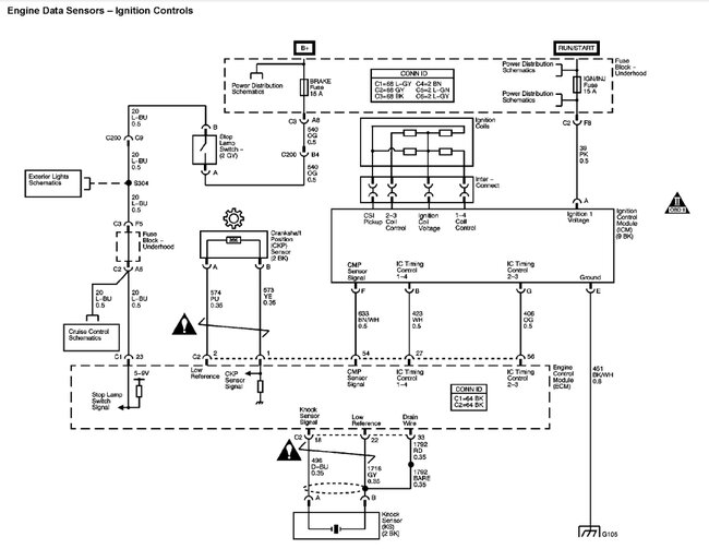
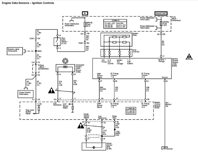
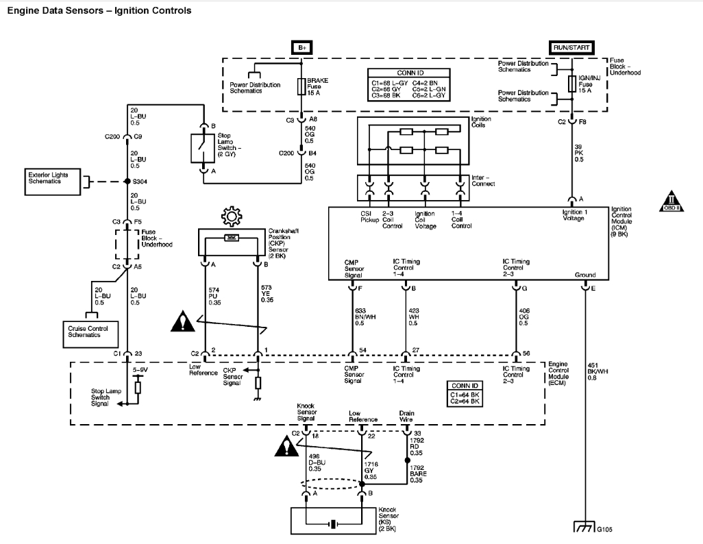
Hello, it looks like you need to remove the Starter motor to replace the crankshaft position sensor, unless you can sneak it out somehow. Diagrams 4,5,6 are the crank and camshaft position operations, surprisingly it looks like it doesn't have a cam sensor, notice the info in diagram 7, It describes the operations of how the PCM detects a cam signal. Definitely a different design. I had to look twice at it.
May 18, 2024 at 11:07 AM
Avatar
AL514
  • AUTOMOTIVE REPAIR CONTRIBUTOR
  • 5,477 POSTS
Are any specific codes setting?
May 18, 2024 at 11:07 AM
Advertisement
Avatar
AL514
  • AUTOMOTIVE REPAIR CONTRIBUTOR
  • 5,477 POSTS
Here is the crank relearn procedure, after the sensor is replaced.
May 18, 2024 at 11:10 AM