Shows the code of f32 f32 twice and f7.0

Tiny
VADEN83
  • MEMBER
  • 1992 CADILLAC DEVILLE
  • V8
  • FWD
  • AUTOMATIC
  • 140 MILES
I have a 92 cadilllac sedan deville it shows the code of f32 f32 twice and f7.0 what does that mean and how do I fix it?
Sunday, November 22nd, 2009 AT 1:34 PM

5 Replies

Tiny
FACTORYJACK
  • MECHANIC
  • 4,159 POSTS
It should say F.32, then F.F.32, this means it has a current fault and the code is 32. The F7.0 is system ready, and with other buttons you can access inputs, outputs, data, and other functions. F32 is shown to be BCM-ECM data problem. Here is what information I can give, Graphics usually don't copy for me, just text.

CIRCUIT DESCRIPTION :

If this code IS NOT displayed during the second pass of diagnostic codes, it is an intermittent condition and cannot be diagnosed using this procedure. For an intermittent code, refer to NOTE ON INTERMITTENTS.

TEST DESCRIPTION :

Code F32 is set by the BCM if a problem is detected transferring data back and forth to the PCM/ECM. If a hard code F32 is displayed upon entering diagnostics, one of the following conditions exist:

PCM/ECM to BCM data malfunction (CKT 526). If the BCM fails to receive data from the PCM/ECM, pin C9, over CKT 526, code F32 will be set immediately and the BCM will stop sending data to the PCM/ECM over CKT 491. When the PCM/ECM stops receiving data over CKT 491 it will set a code E47 in its memory, however, this code cannot be displayed since it would have to be sent over CKT 526 to the BCM. The loss of data to the BCM will result in a faulty instantaneous fuel economy reading of 0 mpg at all times.
BCM to PCM/ECM data malfunction (CKT 491). If the PCM/ECM, pin C11, fails to receive data from the BCM over CKT 491, code E47 will be set immediately by the PCM/ECM, however, data will continue to be sent to the BCM over CKT 526. Since the BCM continues to receive data, code F32 is not set immediately and instantaneous fuel economy reading will remain accurate. Upon entering diagnostics, the BCM will attempt to request diagnostic data from the PCM/ECM but cannot due to the malfunction in CKT 491. If diagnostic data is not received shortly after diagnostics is entered, the BCM will set F32 and will be unable to display the E47 stored in PCM/ECM memory.
PCM/ECM CALPAK malfunction. If the PCM/ECM fails to receive data from the PCM/ECM CALPAK, the PCM/ECM will stop sending data over CKT 526 and code F32 will be set immediately. If the hard code F32 is displayed, first check to see if the PCM/ECM can illuminate its service telltales during crank. If not, the PCM/ECM is not operating properly and should be diagnosed using the Self-Diagnostic System check. If the telltales work properly, observe the instantaneous fuel economy while the vehicle is moving. A malfunction in CKT 526 will result in constant reading of 0 mpg. If the reading varies normally, the cause of the code F32 is a malfunction in CKT 491. If no circuit problem can be found, one of the two modules is unable to process the data and should be replaced.
NOTE ON INTERMITTENTS :

The following conditions will result in Intermittent BCM-ECM data codes F32 and/or E47.

Momentary open or short in CKT 526 restilts in both F32 and E47.
Momentary open or short in CKT 491 results in E47 only.
Momentary loss of ignition (CKT 50), battery (CKT 840) or ground (CKT 751-A) to BCM results in E47 and intermittent display panel operation.
Momentary loss of ignition (CKT 439) to PCM/ECM in F32, and intermittent engine.
Momentary loss of battery (CKT 480) or ground (CKT 450) to PCM/ECM results in F32, E52 and intermittent engine operation.
Momentary BCM PROM problem results in E47, F51, and intermittent display of "151" on CCP.
Was this
answer
helpful?
Yes
No
+1
Monday, November 23rd, 2009 AT 11:01 PM
Tiny
DEREK JOHNSON
  • MEMBER
  • 2 POSTS
So for F32 with 0 instantaneous. What is the fix?
Was this
answer
helpful?
Yes
No
Thursday, September 24th, 2020 AT 10:30 AM
Tiny
ASEMASTER6371
  • MECHANIC
  • 52,796 POSTS
Good afternoon,

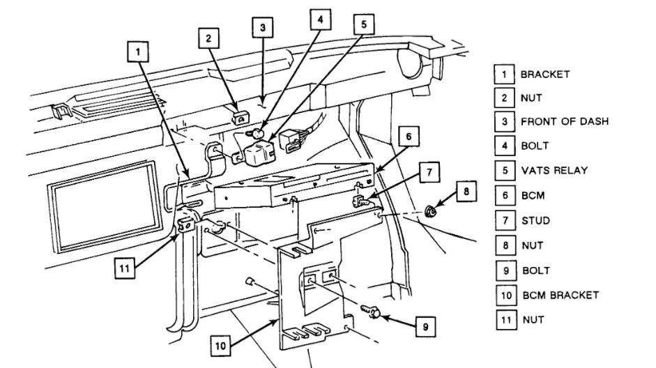
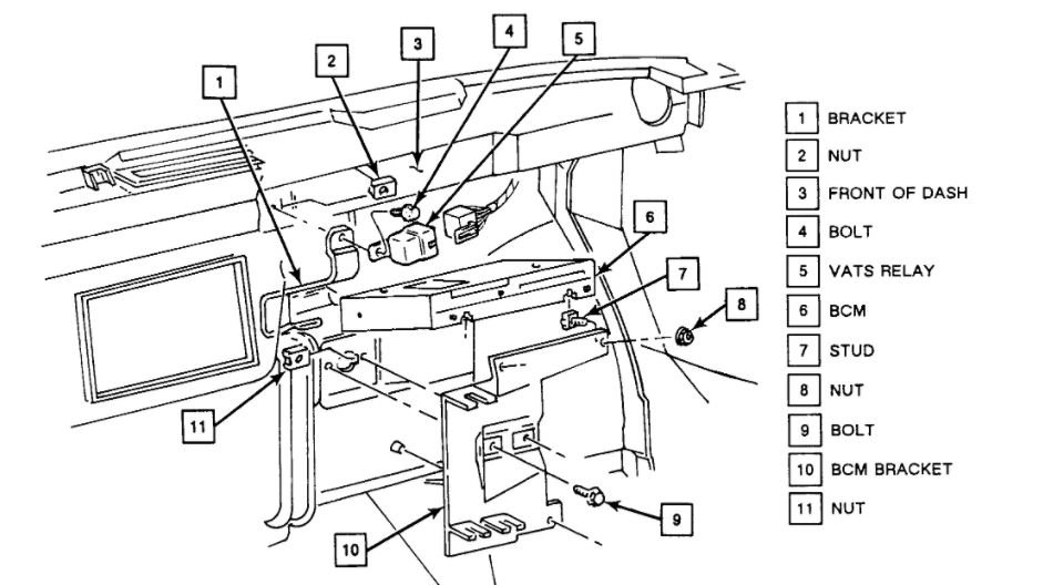
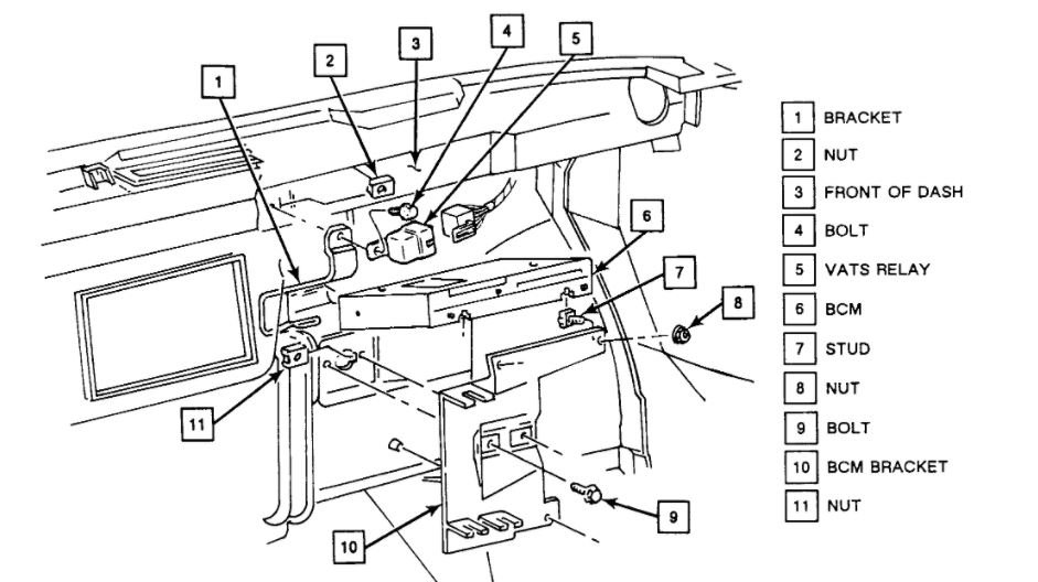
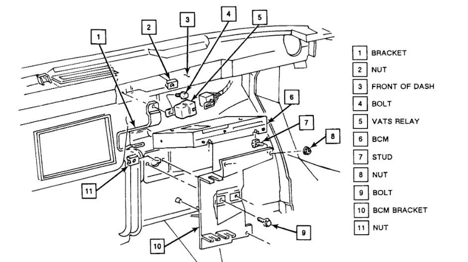
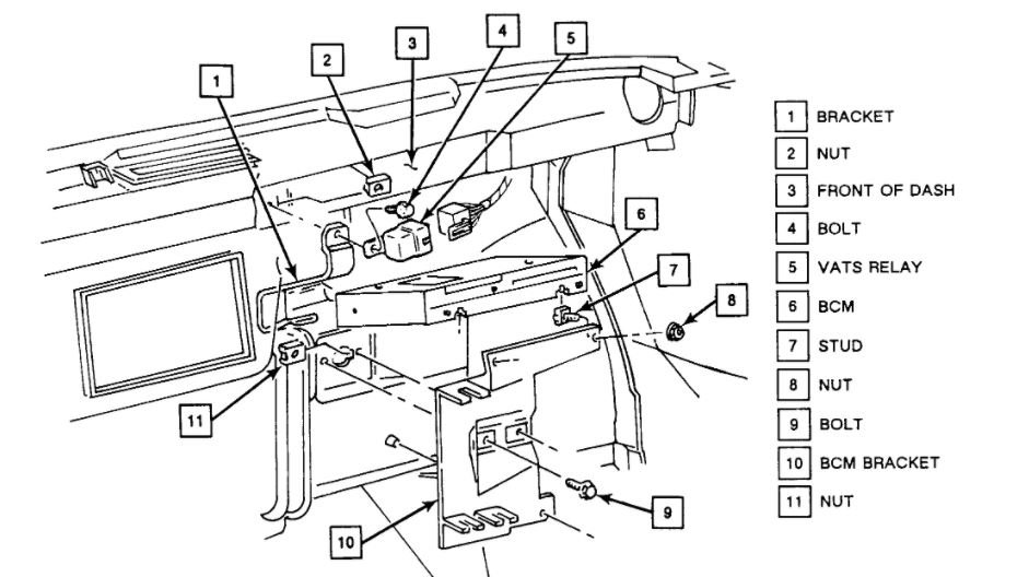
I attached the pictures and a flow chart for you has been posted with the previous response.

The most likely cause is the body control module but must be confirmed to be sure.

Roy
Was this
answer
helpful?
Yes
No
+2
Thursday, September 24th, 2020 AT 2:22 PM
Tiny
DEREK JOHNSON
  • MEMBER
  • 2 POSTS
Just a helpful hint, a maybe before replacing BCM and ECM. Check your battery and battery connectors. My battery would make just a good enough connection to start and run but bad enough to throw these related codes. Fix ended up being a new terminal bolts. Could have saved a world of confusion and parts.

1991 Cadillac Deville
Was this
answer
helpful?
Yes
No
+1
Friday, August 13th, 2021 AT 2:51 PM
Tiny
ASEMASTER6371
  • MECHANIC
  • 52,796 POSTS
Do you have any updates on the repair?

Roy
Was this
answer
helpful?
Yes
No
Friday, August 13th, 2021 AT 2:59 PM

Please login or register to post a reply.

Related General Content