C0321 code encoder and TCCM replaced

Tiny
RAMSEY WALENTON
  • MEMBER
  • 2007 CHEVROLET TAHOE
  • 5.3L
  • V8
  • 4WD
  • AUTOMATIC
  • 170,000 MILES
I have replaced the TCCM and also the encoder motor. When the new encoder motor is installed I cannot get it to go through the relearn process. Any input would be greatly appreciated.
Tuesday, December 10th, 2019 AT 8:38 AM

6 Replies

Tiny
KASEKENNY
  • MECHANIC
  • 18,907 POSTS
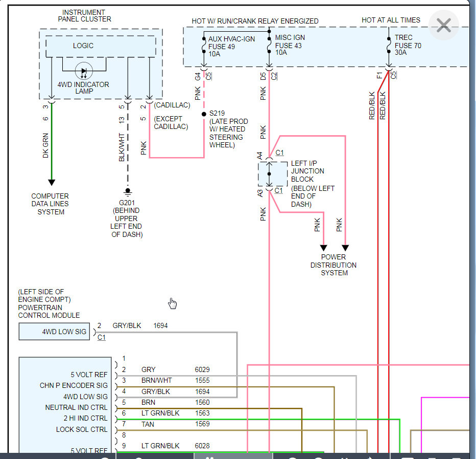
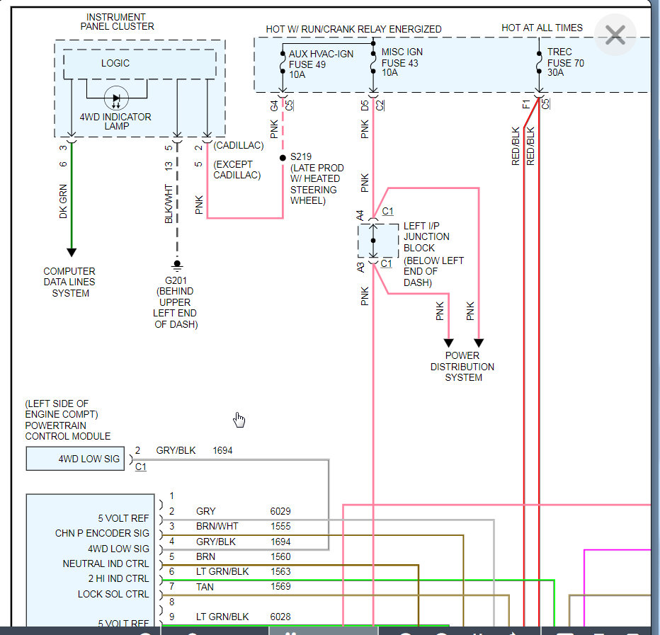
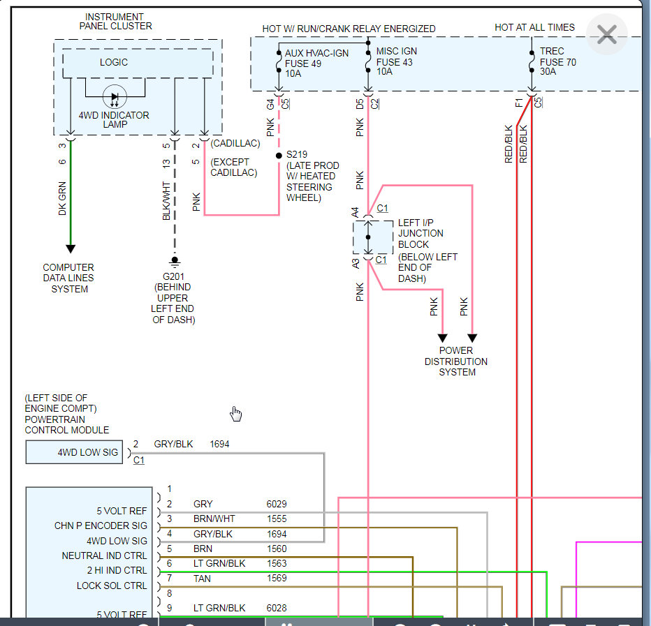
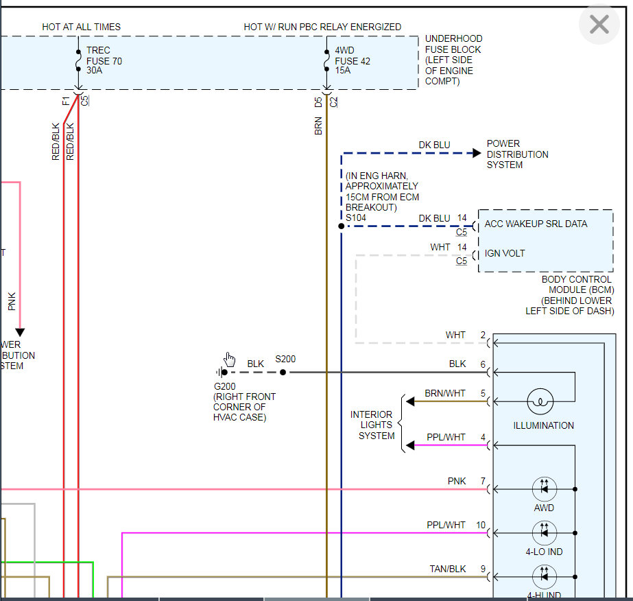
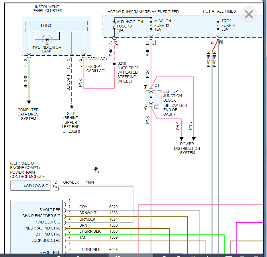
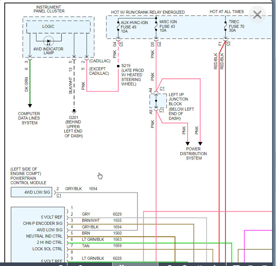
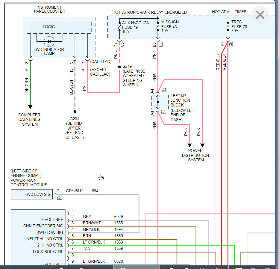
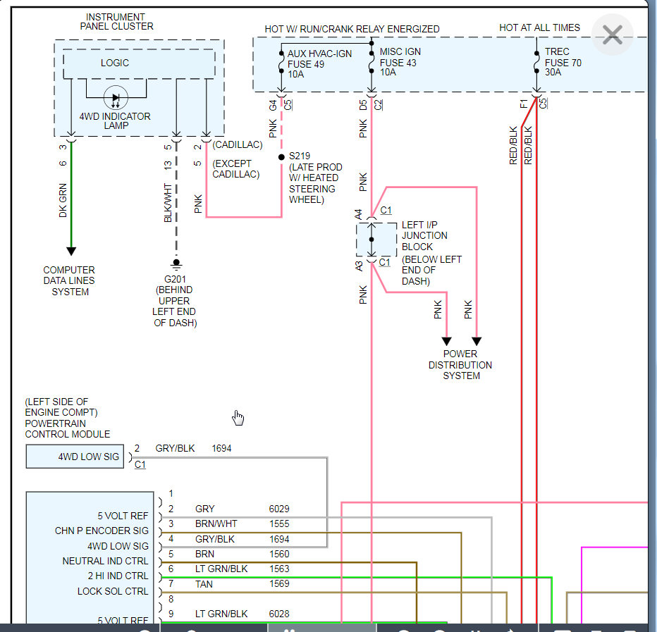
You most likely have a wiring issue. That is what is preventing the relearn as well. I attached the test that you need to run through to find where the issue is. Let me know if you have questions and we can go from there.
Was this
answer
helpful?
Yes
No
+2
Tuesday, December 10th, 2019 AT 5:33 PM
Tiny
RAMSEY WALENTON
  • MEMBER
  • 4 POSTS
I forgot to grab my drawing from last night and I’m working now. With the ignition on I believe orange was at 1.50v, red 11.55v, tan 2.56v, and top tan was 11.86v. But that would mean battery to ground is that correct? At the TCCM there is only voltage to the red and tan wires if I test to ground I’m pretty sure. This is all without a scan tool I don’t have one or access to one. What should voltages be on each wire? Would those be from plug to vehicle ground to get them?
Was this
answer
helpful?
Yes
No
Wednesday, December 11th, 2019 AT 5:49 AM
Tiny
KASEKENNY
  • MECHANIC
  • 18,907 POSTS
Basically the org and tan in D are your motor control wires and the control motor will apply voltage to one of the wires and ground the other if it wants to change the direction of the motor.

Looks like you are on step 5 of this test based on those numbers. Unhook the connector and put your meter on ohms and measure G to F on the encoder. Let me know what that reading is.

If that is okay.

Step 6 is to check each of the wires on the connector to ground. Put the black lead on a good ground and then touch the red lead of your meter to each of these pins in this connector. There are 8 of them.

Let me know the result of this and we can go from there. Thanks
Was this
answer
helpful?
Yes
No
Wednesday, December 11th, 2019 AT 5:37 PM
Tiny
RAMSEY WALENTON
  • MEMBER
  • 4 POSTS
I have got 19.5ohms from g to f. If I do continuity on the plug to ground I get feed back on c and e all the others are quite.
Was this
answer
helpful?
Yes
No
Wednesday, December 11th, 2019 AT 6:44 PM
Tiny
RAMSEY WALENTON
  • MEMBER
  • 4 POSTS
It c and f that have continuity actually sorry.
Was this
answer
helpful?
Yes
No
Thursday, December 12th, 2019 AT 5:18 AM
Tiny
KASEKENNY
  • MECHANIC
  • 18,907 POSTS
Okay. Then that looks like it puts you on step 7.
Was this
answer
helpful?
Yes
No
Thursday, December 12th, 2019 AT 5:44 PM

Please login or register to post a reply.