Broken vacuum line

Tiny
SMORAQ
  • MEMBER
  • 2004 MERCURY MARQUIS
  • 4.6L
  • V8
  • 2WD
  • AUTOMATIC
  • 290,000 MILES
Picture shows a small white plastic device attached to passenger side of firewall with narrow vacuum line. Line, very brittle, broke and I would like to know where to attach the line and what the is used for. I think it leads to the throttle body.
Also, could anyone advise if this line, unattached as of now, could cause a misfire and a code P3501? Thanks very much.
Saturday, June 20th, 2020 AT 2:04 PM

12 Replies

Tiny
SMORAQ
  • MEMBER
  • 8 POSTS
Added picture.
Was this
answer
helpful?
Yes
No
-1
Saturday, June 20th, 2020 AT 2:06 PM
Tiny
JACOBANDNICKOLAS
  • MECHANIC
  • 110,192 POSTS
Hi,

I don't see the white device you are referring to. As far as the code, please double check that because it isn't valid for this vehicle. Last, the idea that a vacuum line is disconnected indicates there is a leak. A vacuum leak can cause a misfire, rough idle, and so on. We need to identify where it came from.

Also, let me know if you meant a P0301. That would be a cylinder 1 misfire.

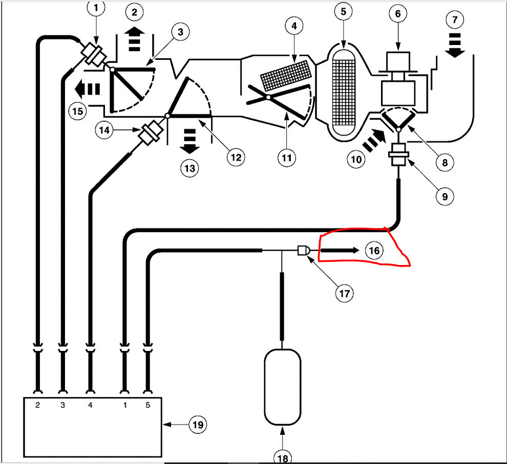
As far as the broken vacuum line, there is a good chance that one end if it will go to the intake manifold. We just need to figure out the other end. LOL If you are referring to the item I circled in the attached pic, I believe that is a one way valve to provide vacuum to the HVAC controls in the vehicle. Let me know if you are having any trouble with air flow direction, temperature control and so on.

Let me know.

Joe
Was this
answer
helpful?
Yes
No
Saturday, June 20th, 2020 AT 8:23 PM
Tiny
SMORAQ
  • MEMBER
  • 8 POSTS
Thanks very much for your reply.
I believe you are correct in that the device, circled by you, attached to the firewall is for HVAC controls as air flow directions are a problem. I replaced the o-rings in the control device but it didn't appear to fix issue of direction.
Apologies, OBD code is P0351. Changed: Coil, TPS, Cam and crank sensors, IAC valve, cleaned EGR, MAF.
It "appears" that the vacuum line might go to upper area of the throttle body, not sure.
Correction: Mileage on vehicle is 190,000, not 290,000.
Thanks again
Was this
answer
helpful?
Yes
No
Sunday, June 21st, 2020 AT 6:29 AM
Tiny
SMORAQ
  • MEMBER
  • 8 POSTS
Additional Info: As I have had this issue for some time, I have been researching solutions. When you identified the part for me, I found this on another site relative to an 2003 Grand Marquis and am sending you a part that might be helpful:
"There's a vacuum line that runs through the firewall at or very near the heater hoses. That vacuum line is connected to manifold vacuum at one end and a "T" at the other with a Check valve and a vacuum reservoir. The check valve and reservoir keep vacuum on the Climate Control system when pulling a long grade or at an extended WOT. The default is defrost if the vacuum fails. Vacuum leak at reservoir, failed check valve, vacuum leak at control head."
I can send you the link if needed.
Many thanks
Was this
answer
helpful?
Yes
No
Sunday, June 21st, 2020 AT 7:22 AM
Tiny
JACOBANDNICKOLAS
  • MECHANIC
  • 110,192 POSTS
Hi,

Okay, you have already replaced all of the possible issues with the coil. There were actually situations where salt water would create a problem with the crank sensor and set that code. I need you to disconnect the connector to coil 1 and with the key on, you should have at least 10v between the coil + and battery ground. Also, I assume the spark plug has been checked. If it has failed, it will cause a misfire and can set this code as well.

Next, the hose you are referring to is the vacuum supply to the HVAC. I attached a pic and circled the vacuum hose you asked about. That hose goes straight to the intake manifold. See if you can find a location on the manifold that has a broken hose or something disconnected.

Let me know.
Joe
Was this
answer
helpful?
Yes
No
Sunday, June 21st, 2020 AT 8:46 PM
Tiny
SMORAQ
  • MEMBER
  • 8 POSTS
OBD Code P0351 was cleared after Crank sensor installed. Same code returned shortly after installation.

COP #1 cylinder was measured per your instructions and Voltage came to 12.1v.
As far as the pIug(s) are concerned, I replaced them about 9 months ago with Platinum. Recent inspection did not show damage, cracks, deposits etc. I understand that a crack in a plug might not be visible and a boot can have damage that is not clearly visible either. So, I am thinking of changing Plugs, COP, and Boots from cylinder 1 to cylinder 2, and reverse, clear code, and see if code returns and follows to cylinder 2. What are your thoughts? Again Thanks very much.
Still no idea as to where that vacuum attaches to manifold. I will keep looking.
Was this
answer
helpful?
Yes
No
Monday, June 22nd, 2020 AT 9:45 AM
Tiny
SMORAQ
  • MEMBER
  • 8 POSTS
Reversed COP, boot and plug from cylinders 1 and 2. About 4 codes appeared and engine was shaking. Bought 2 new plugs, boots and coils and installed. Engine was running much better with some hesitation at times. After 3 days, after engine started stuttering, OBD Codes P0351 and P0352 appeared. Bought 2 Autolite Iridium XP Spark Plugs, gap 0.050. That's where I am right now. Will check for CEL in the next few days. Thought about new coils being faulty but figured 2 for 2 being defective is not likely, or is it?
From your assistance in identifying the Check Valve for HVAC, and the vacuum line(s):
"There's a vacuum line that runs through the firewall at or very near the heater hoses. That vacuum line is connected to manifold vacuum at one end and a "T" at the other with a check valve and a vacuum reservoir"
So, I checked, with suction, on the line going to the vacuum canister. Line could not hold vacuum. Replaced check valve, vacuum holds now. Still cannot locate the fitting for other vacuum line that has broken.
Was this
answer
helpful?
Yes
No
Monday, June 29th, 2020 AT 1:13 PM
Tiny
JACOBANDNICKOLAS
  • MECHANIC
  • 110,192 POSTS
Let me know if the codes come back and which line is it that you can't locate? Is it shown in one of the above pics?
Was this
answer
helpful?
Yes
No
Monday, June 29th, 2020 AT 8:34 PM
Tiny
SMORAQ
  • MEMBER
  • 8 POSTS
Yes, the codes returned, P0351 and P0352, once with CEL and once without CEL, after some shaking of engine coming from stop light.
The image you circled for me : One way valve to provide vacuum to the HVAC controls has two vacuum lines: One to the vacuum reservoir, the other, a very narrow one to? Thanks again for your assistance.
Another idea, considering no codes pointed to cylinder 2 until I replaced COP, boot and plug, would you think I might switch these parts with say cylinder 3 and see if codes follow?
Was this
answer
helpful?
Yes
No
Tuesday, June 30th, 2020 AT 3:38 PM
Tiny
JACOBANDNICKOLAS
  • MECHANIC
  • 110,192 POSTS
Absolutely switch them to see if the miss follows. That's an excellent idea. I do it myself often.

As far as the vacuum line, one should go to the intake manifold and then to the HVAC. Is the narrow one made of plastic and not rubber?

Joe
Was this
answer
helpful?
Yes
No
Tuesday, June 30th, 2020 AT 9:45 PM
Tiny
SMORAQ
  • MEMBER
  • 8 POSTS
Is the narrow one made of plastic and not rubber?
Yes, like a coffee straw or even narrower.
Was this
answer
helpful?
Yes
No
Tuesday, June 30th, 2020 AT 10:45 PM
Tiny
JACOBANDNICKOLAS
  • MECHANIC
  • 110,192 POSTS
That's sounds like it's plastic. They are known to dry out and crack. Once you get to the end of the plastic hose, there will be a rubber hose pushed over it which will attach on the opposite side.
Was this
answer
helpful?
Yes
No
Tuesday, June 30th, 2020 AT 10:51 PM

Please login or register to post a reply.