Broken rear springs

2003 BUICK RENDEZVOUS
160,000 MILES • 3.4L • V6 • 4WD • AUTOMATIC
Avatar
M.POPS
  • MEMBER
  • 2 POSTS
Do i need to compress springs to install and do i have to remove axles?
Feb 20, 2020 at 10:53 AM
Advertisement
Repair Safety Notice: This information is for general instructional purposes only. Vehicle repair can be dangerous. Verify all information, follow manufacturer service procedures, use proper tools and safety equipment, and consult a qualified repair shop when needed.
Avatar
ASEMASTER6371
  • AUTOMOTIVE REPAIR CONTRIBUTOR
  • 52,796 POSTS
Good afternoon,

You will need either a deadman jack if you use a lift or a floor jack if you are doing it on the floor.

No, the axle does not have to be removed.

I attached pictures for you to view for the procedure.

Roy

Coil Spring Replacement (All Wheel Drive)

Tools Required
J 41820 Ball Joint/Stud Separator

Removal Procedure


imageOpen In New TabZoom/Print


1. Raise and support the vehicle. Refer to Vehicle Lifting.
2. Remove the rear wheel.
3. Remove the brake caliper and support the bake caliper. Do not disconnect the brake hose.
4. Disconnect the tie rod from the knuckle.
5. Use a utility stand in order to support the lower control arm.


imageOpen In New TabZoom/Print


6. Disconnect the height sensor link from the lower control arm.
7. Disconnect the shock absorber from the lower control arm.


imageOpen In New TabZoom/Print


8. Use the J 41820 in order to disconnect the ball joint from the knuckle.


imageOpen In New TabZoom/Print


9. Remove the lower ball joint nut.
10. Use the utility stand in order to lower the control arm and relieve the coil spring tension.


imageOpen In New TabZoom/Print


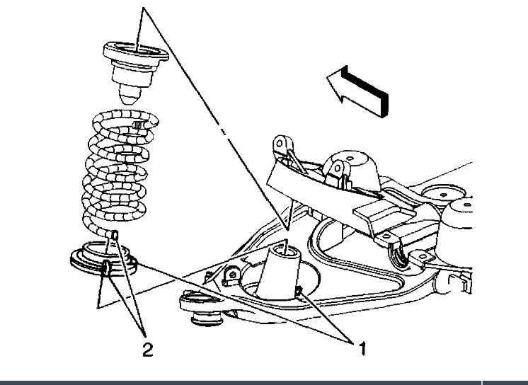
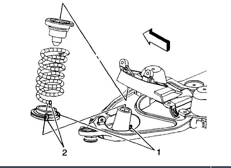
11. Carefully remove the coil spring and jounce bumper (2).

Installation Procedure


imageOpen In New TabZoom/Print


1. Install the spring jounce bumper to the spring.
2. Index and install the spring insulator to the spring (2).
3. Index and install the spring seat with the spring and the jounce bumper to the lower control arm (1).


imageOpen In New TabZoom/Print


4. Use the utility stand in order to raise the lower control arm.


imageOpen In New TabZoom/Print


5. Install the lower ball joint to the knuckle.

Notice: Refer to Fastener Notice in Service Precautions.

6. Install the lower ball joint nut.
Tighten the lower ball joint nut to 85 Nm (63 ft. lbs.).
7. Connect the shock absorber to the lower control arm.


imageOpen In New TabZoom/Print


8. Connect the height sensor link to the lower control arm.
9. Disconnect the tie rod from the knuckle.
10. Install the brake caliper.
11. Install the rear wheel.
12. Lower the vehicle.
Feb 20, 2020 at 12:13 PM
Avatar
M.POPS
  • MEMBER
  • 2 POSTS
Thank you for your time and info.
Marion
Feb 20, 2020 at 12:28 PM
Advertisement
Avatar
ASEMASTER6371
  • AUTOMOTIVE REPAIR CONTRIBUTOR
  • 52,796 POSTS
You are welcome.

Always glad to help.

Roy
Feb 20, 2020 at 12:32 PM