Brake light fuse blows

Tiny
TIM MCDOWELL
  • MEMBER
  • 1994 FORD TAURUS
  • 3.0L
  • V6
  • 2WD
  • AUTOMATIC
  • 120,000 MILES
Every time I press the brake pedal the brake light fuse blows.
I have changed the brake light switch, traced the wires (that is visible), checked bulbs and their connections, and the clip that connects the brake light switch.
Any other suggestions?
Thanks
Wednesday, June 21st, 2017 AT 7:58 AM

9 Replies

Tiny
HMAC300
  • MECHANIC
  • 48,601 POSTS
If it blows the fuse then there is a short. If car has been in accident check under carpet for broken wires like back seat area and trunk. As long as it blows when you apply brakes. If it blows prior then the short can be from fuse to switch. Also, check the wire leading to the T/S switch as it puts power there first as well as high stop light.
Was this
answer
helpful?
Yes
No
+1
Wednesday, June 21st, 2017 AT 9:50 AM
Tiny
TIM MCDOWELL
  • MEMBER
  • 4 POSTS
Thanks for your help. Very helpful information.
Was this
answer
helpful?
Yes
No
Wednesday, June 21st, 2017 AT 6:26 PM
Tiny
KEN L
  • MASTER CERTIFIED MECHANIC
  • 55,281 POSTS
Hello,

I would start by pulling each of the brake light bulbs out to see if there is any damage from heat melted sockets etc.

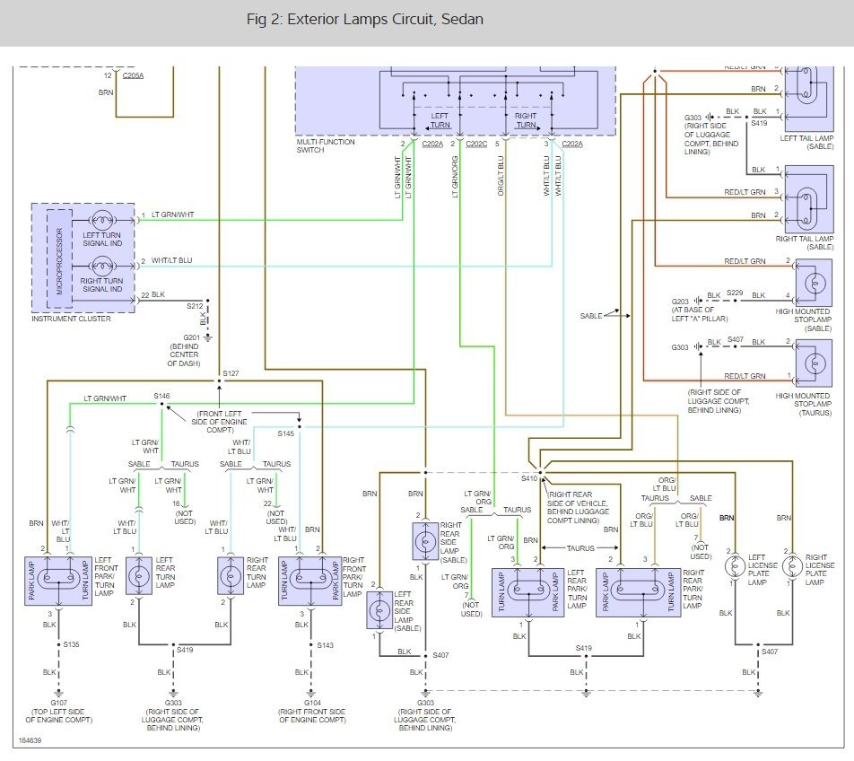
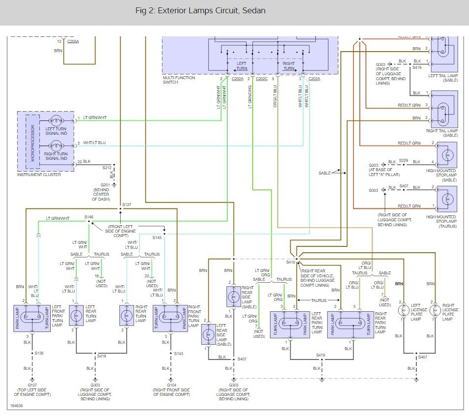
Here is a wiring diagram of the circuit so you can do some testing as well.

Please let us know what happens, we are interested to see what it is.

Cheers, Ken
Was this
answer
helpful?
Yes
No
Saturday, June 24th, 2017 AT 11:36 AM
Tiny
TIM MCDOWELL
  • MEMBER
  • 4 POSTS
All the info was great. I did check all that was recommended, however no short was ever found.
I ended up putting a 30amp fuse in and held the peddle down for quite a few minutes and the fuse never felt warm and neither did any wires.
I know that's not recommend, but it was all I could do. Even had mechanics check the wiring and they said all checked out fine but couldn't figure out why it kept tripping the fuse.
Thanks again for your help.
Was this
answer
helpful?
Yes
No
Saturday, June 24th, 2017 AT 4:52 PM
Tiny
KEN L
  • MASTER CERTIFIED MECHANIC
  • 55,281 POSTS
Good to hear, please use 2CarPros anytime we are here to help.

Cheers, Ken
Was this
answer
helpful?
Yes
No
Monday, June 26th, 2017 AT 9:29 AM
Tiny
TIM MCDOWELL
  • MEMBER
  • 4 POSTS
Update on this problem. The 30amp fuse blew also, after a day.
Last ditch effort, I just put in new bulbs even though the existing ones seemed fine.
Problem seems solved. Been driving it for a few days now and even put in a 15amp fuse (which it calls for).
Was this
answer
helpful?
Yes
No
+2
Saturday, July 1st, 2017 AT 8:38 AM
Tiny
KEN L
  • MASTER CERTIFIED MECHANIC
  • 55,281 POSTS
Nice work, we are here to help, please use 2CarPros anytime.

Cheers, Ken
Was this
answer
helpful?
Yes
No
Sunday, July 2nd, 2017 AT 6:51 PM
Tiny
RON HAYWARD
  • MEMBER
  • 1 POST
I had this issue previously and traced it to the cruise control module. Unplugged the harness and all was fine for several years. Now it's happening again. Time to start looking again, here looking for ideas. Thanks.
Was this
answer
helpful?
Yes
No
Tuesday, September 17th, 2019 AT 4:38 PM
Tiny
MASTERWRENCH
  • MECHANIC
  • 258 POSTS
Hello Ron. Welcome to 2CarPros!

I would read back through the previous comments and apply the same suggestions to your case. More often than not, a blown fuse on a lamp circuit is the result of a damaged or corroded bulb socket or base.

Let us know what you find!
Was this
answer
helpful?
Yes
No
+1
Tuesday, September 17th, 2019 AT 8:57 PM

Please login or register to post a reply.