How to replace the brake booster?

1992 CHEVROLET SILVERADO
230,000 MILES • 5.7L • V8 • 2WD • AUTOMATIC
Avatar
GGMYBLUE
  • MEMBER
  • 2 POSTS
Need to replace brake booster.
Aug 28, 2021 at 2:57 PM
Advertisement
Repair Safety Notice: This information is for general instructional purposes only. Vehicle repair can be dangerous. Verify all information, follow manufacturer service procedures, use proper tools and safety equipment, and consult a qualified repair shop when needed.
Avatar
SQM
  • AUTOMOTIVE REPAIR CONTRIBUTOR
  • 6,383 POSTS
Hello,

Do you know if your vehicle has hydro-boost (hydraulic brake booster) or vacuum booster?
I have attached diagrams for your reference of both style.
If you are not sure just upload a picture.
Let me know what you got.

Thank you.

https://www.youtube.com/c/2carpros/featured

Aug 28, 2021 at 9:22 PM
Avatar
GGMYBLUE
  • MEMBER
  • 2 POSTS
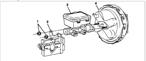
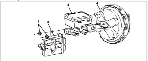
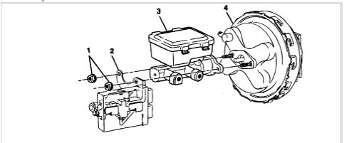
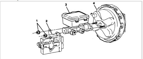
It's a vacuum booster with the big round drum.
Aug 28, 2021 at 11:26 PM
Advertisement
Avatar
SQM
  • AUTOMOTIVE REPAIR CONTRIBUTOR
  • 6,383 POSTS
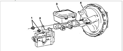
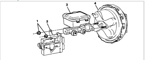
First remove the brake lines from the master cylinder. You might want to syphon out the brake fluid from the reservoir to limit break fluid spilling all over.
You will have to remove the master cylinder from the booster by removing those two mounting bolts.
Also remove the brake booster check valve hose.
There is a push rod that attached to the brake pedal and goes into the fire wall to connect with the brake booster. Remove that push rod then the booster will come out.
I have attached some diagrams for your reference.
Let me know if you have any questions.
Thanks.
Aug 29, 2021 at 10:42 AM