Rear brakes getting really hot

Tiny
STEVE HOLLINGSWORTH
  • MEMBER
  • 2005 VOLKSWAGEN JETTA
  • 2.5L
  • 5 CYL
  • 2WD
  • MANUAL
  • 150,000 MILES
I am having an issue with my rear brakes getting hot (excessively). I have had it at a VW shop and in DX the issue the mechanic showed me that there is some brake fluid in the power booster. He said would normally be caused by a faulty master cylinder. Is that correct? Should I replace the entire booster or just check the seals and replace those?
Have you had any one write in about their rear brakes heating up in the car as mine?
Wednesday, May 30th, 2018 AT 4:09 AM

5 Replies

Tiny
JACOBANDNICKOLAS
  • MECHANIC
  • 110,194 POSTS
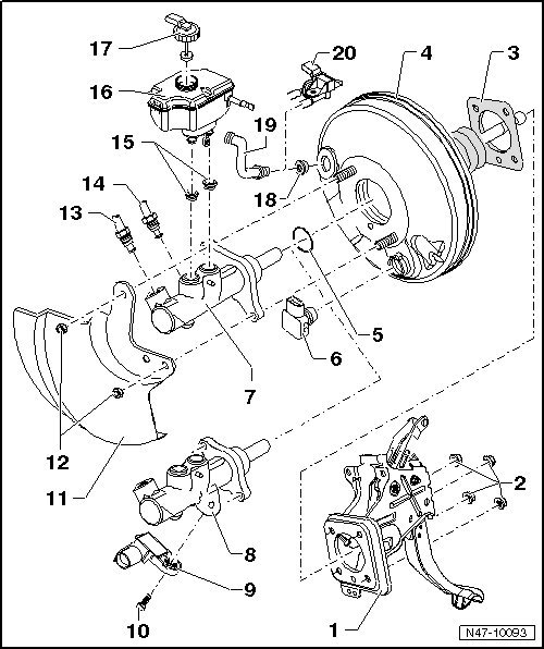
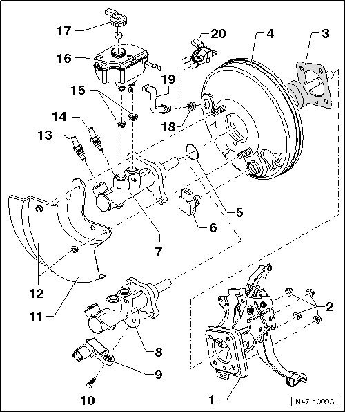
Hi and thanks for using 2CarPros.com. To answer your question, yes. If brake fluid is getting into the vacuum booster, then the master cylinder is leaking. However, that does not necessarily correlate with the brakes getting hot. I have attached an exploded view of the master cylinder and the booster. You will see how they attach. Again, if there is a leak from the rear of the master cylinder, it goes into the booster. If there is actually fluid leaking, the booster is not the problem. The master cylinder is bad and needs replaced.

https://www.2carpros.com/articles/how-to-replace-a-brake-master-cylinder

Next, if you want to replace the master cylinder, here are the directions along with pictures associated to the directions.

Master Cylinder

Special tools, testers and auxiliary items required

 Hose clamps (3094)
 Torque wrench (V.A.G 1331)
 Brake filler/bleeder unit (V.A.G 1869)
 Brake filler/bleeder unit suction adapter (V.A.G 1869/4)
 Brake filler/bleeder unit (VAS 5234)
Removing

Note or request radio code on vehicles with coded radio if necessary.
Disconnect battery.
Diesel Vehicles
Disconnect connection - 1 - and remove rear spring hose clamp from intake hose.
Remove spring hose clamp - arrow - and remove hose from air filter housing.
Remove bolt from air filter housing - arrow -.
Move air filter housing upward out of brackets and remove.
Continuation for All Vehicles
Remove battery.
Remove the battery carrier.
Place sufficient lint-free cloths in the area of the engine and transmission.
Extract as much brake fluid as possible from brake fluid reservoir using (VAS 5234) or (V.A.G 1869/4).
With Manual Transmission
Disconnect clutch master cylinder supply hose - B - with (3094).
Pull off supply hose - B - for clutch master cylinder.
Continuation for All Vehicles
Disconnect connector - A - from floating warning indicator sensor.
Vehicles with the Brake Light Switch (F) on the Master Brake Cylinder
Disconnect the connector - 1 - from brake light switch.
Continuation for All Vehicles
Remove brake fluid reservoir, press the engagement straps toward outside at reservoir and simultaneously pull brake fluid reservoir out of sealing plugs.
Remove the brake lines - 1 - on master brake cylinder, seal brake lines using Sealing plugs (1H0 698 311 A).
Remove the nuts - 2 - from master brake cylinder.
If present, remove heat shield.
Carefully take brake master cylinder out of brake booster.

Installing
Installation is performed in the reverse sequence.
Observe the following points when installing:
When installing together the brake master cylinder and brake booster, make sure that the push rod is correctly located in the brake master cylinder.
Connect the battery.
Bleed brake system. Refer to => [ Brake System, Bleeding with Brake Filler/Bleeder Unit VAS 5234 or VAG 1869 ] See: Brake BleedingService and RepairBrake System, Bleeding with Brake Filler/Bleeder Unit VAS 5234 or VAG 1869.
Tightening Specifications

______________________________________________________

Now back to the issue at hand. There are other things which can cause brakes to get hot. You could have a parking brake sticking, a faulty rubber brake hose which attaches to the caliper which has collapsed internally, frozen brake pads or even a bad caliper.

What I would suggest is this. Safely lift the rear of the vehicle and try to spin the wheels. If they turn easily, have a helper apply the brake. Once the helper releases the brakes, see if they still turn easily. If they don't, my first suspect is a rubber brake hose issue or the brake pads are frozen in the caliper mount due to rust and corrosion.

If you can, do that test and let me know what you find. I will be able to better help you once you find that answer.

As far as brakes getting hot, yes many vehicles do this for various reasons. We just need to determine the exact cause.

I hope this is helpful. I look forward to hearing from you.

Take care,

Joe
Was this
answer
helpful?
Yes
No
+1
Friday, April 23rd, 2021 AT 12:39 PM
Tiny
STEVE HOLLINGSWORTH
  • MEMBER
  • 3 POSTS
Have replaced the calipers multiple times (finally let the VW shop do it), replaced the master cylinder once (National Tire and Battery). VW shop is replacing that one with one they would use, replaced the rubber hoses and because brake fluid was in the booster they suggested replacing it. I am not confident it will be fixed. Is it possible the ABS is bad? Thanks.
Was this
answer
helpful?
Yes
No
Friday, April 23rd, 2021 AT 12:39 PM
Tiny
JACOBANDNICKOLAS
  • MECHANIC
  • 110,194 POSTS
Hi again. No sir, the ABS would not cause that. My guess is if they replaced everything already, the parking brake is too tight, the caliper hardware is not installed correctly, or there is rust or corrosion on the mounting bracket not allowing the pads to move as they should. I will assume that since the calipers were replaced, the caliper slides were too at the same time. As far as the master cylinder, if the reservoir is going low, then it should be replaced. If the fluid level is not changing and remains full, then I question if the master cylinder is actually bad.

Let me know if you have other questions.

Take care,
Joe
Was this
answer
helpful?
Yes
No
Friday, April 23rd, 2021 AT 12:39 PM
Tiny
STEVE HOLLINGSWORTH
  • MEMBER
  • 3 POSTS
I am so glad I have found this site it is super. Unfortunately, the exact issue still may not have been figured out. The VW shop has replaced the calipers, booster and master cylinder (DX and work was $2,600.00). I replaced the brake hoses in the rear. At a cost of about $110.00 hour to DX. I chose to get the car and hope for the best. At present, my son is driving the car. He says the rear is running (on passenger side about 120-130 degrees) after running the interstate for four to five hours. The rear side is between 30-100 degrees different. Not sure if the is something to be concerned with since it seems the temperature after braking is not about 250 degrees. I told him he may want to go ahead and change out the emergency brake cable to see if that helps. The VW shop did not see to concerned with the temperature being in the 200's. I text them to let them know about the difference but no answer. I hoping that kind of difference is okay to live with but still not sure. I really appreciate you details and help. I have shared your site with many. Thanks
Was this
answer
helpful?
Yes
No
Friday, April 23rd, 2021 AT 12:39 PM
Tiny
KEN L
  • MASTER CERTIFIED MECHANIC
  • 55,516 POSTS
Thanks Steve glad to hear that. I have seen the e-brake cable cause the issue by not releasing fully. Here is a guide to help you replace it.

Check out the diagrams (below). Please let us know if you need anything else to get the problem fixed.

Cheers, Ken
Was this
answer
helpful?
Yes
No
Friday, April 23rd, 2021 AT 12:39 PM

Please login or register to post a reply.